Renaissance 2cv AZAM 67'

Dans ce salon, on y met de la photo en grande quantité!
C'est l'endroit où on suit toutes les restaurations. Venez nous faire un résumé complet du coup de jeune que vous avez offert à votre belle !

Et ici c'est aussi la photo prise ce week-end pendant les vacances sur la côte ouest, les photos de vos grands-parents et de leur vieille 2CV AZAM...

Modérateur : Deuchémoi

Avatar du membre
S.n.a.f.u
Deuchiste intéressé
Deuchiste intéressé
Messages : 45
Enregistré le : 16 janv. 2021, 19:47
Ma deuche : 2Cv AZAM
Date de naissance : 18 juil. 1970
Localisation : Gironde
Âge : 55

Re: Renaissance 2cv AZAM 67'

Message par S.n.a.f.u »

Effectivement pas de joint... Et çà fuit au repos ...j'ai essayé la pate entre le corps et le couvercle sans effet ....
bah je pense rouvrir le "berlingo" mais j’attends un peu je vais passer un peu de temps sur la caisse pour penser a autre chose et j'y reviendrai plus tard ...


"Si Vis Pacem ...roule en 2cv !"
S.N.A.F.U Situation Normal: All Fucked Up
Avatar du membre
bob41
Docteur deuchiste
Docteur deuchiste
Messages : 8690
Enregistré le : 09 mai 2016, 16:00
Ma deuche : 2CV A 50 ; 2CV AZ 59 ; 2CV azam 65 ; 2CV 6 79 ; Dyane 67 ; AMI6 62 ; AMI8 77 ; HY 72 67
Date de naissance : 26 sept. 1966
Localisation : Sologne viticole (Contres) et Corse (Loreto-di-Casinca)
Âge : 59

Re: Renaissance 2cv AZAM 67'

Message par bob41 »

S.n.a.f.u a écrit : 02 mai 2021, 20:18 Effectivement pas de joint... Et çà fuit au repos ...j'ai essayé la pate entre le corps et le couvercle sans effet ....
bah je pense rouvrir le "berlingo" mais j’attends un peu je vais passer un peu de temps sur la caisse pour penser a autre chose et j'y reviendrai plus tard ...
:salut:

Ca fuit où exactement ?
Entre le corps de pompe et le carter ou entre le couvercle et le corps de pompe ?

:salut:
Avatar du membre
S.n.a.f.u
Deuchiste intéressé
Deuchiste intéressé
Messages : 45
Enregistré le : 16 janv. 2021, 19:47
Ma deuche : 2Cv AZAM
Date de naissance : 18 juil. 1970
Localisation : Gironde
Âge : 55

Re: Renaissance 2cv AZAM 67'

Message par S.n.a.f.u »

Malheureusement je n'ai pas pu aller au moteur pour voir j'essaierai demain.
Aujourd'hui j'ai donc continué le démontage de la caisse.
Elle a connu des jours meilleurs.. :surpris:
Beaucoup de tôles a remplacer en perspective, des planchers au fond de Coffre...en passant par les joues
Le point positif la baie de pare-brise n'a qu'un petit trou et les custodes et portières ne sont pas abîmés :pouce:
IMG_20210503_164032_resize_44.jpg
IMG_20210503_165634_resize_74.jpg
IMG_20210503_165638_resize_11.jpg
IMG_20210503_165646_resize_45.jpg
IMG_20210503_164015_resize_70.jpg
IMG_20210503_170324_resize_23.jpg
IMG_20210503_165653_resize_24.jpg
IMG_20210503_170140_resize_86.jpg
"Si Vis Pacem ...roule en 2cv !"
S.N.A.F.U Situation Normal: All Fucked Up
JLUC
Docteur deuchiste
Docteur deuchiste
Messages : 1440
Enregistré le : 26 sept. 2018, 12:59
Ma deuche : Dyane 6 (4 glaces) qui n'existe qu'en rêve
Date de naissance : 01 août 1974
Localisation : Planète Terre

Re: Renaissance 2cv AZAM 67'

Message par JLUC »

Bonjour,

en effet, elle est un peu croquée la limousine!

Beau chantier en vue :)

Très belle baie de pare-brise ceci dit!

A bientôt.

JLUC
Avatar du membre
S.n.a.f.u
Deuchiste intéressé
Deuchiste intéressé
Messages : 45
Enregistré le : 16 janv. 2021, 19:47
Ma deuche : 2Cv AZAM
Date de naissance : 18 juil. 1970
Localisation : Gironde
Âge : 55

Re: Renaissance 2cv AZAM 67'

Message par S.n.a.f.u »

Hello a ceux qui passent par là
Cette fuite d'huile, même moteur arrêté, m'a un peu agacé j'ai essayé de mettre du joint sans tout démonter, ça n'a pas fonctionné car au niveau de la crépine d'huile je n'arrivais pas à la faire reculer assez pour appliquer la loctite...
IMG_20210518_193411_resize_87.jpg
Bref j'ai tout réouvert et en plus ça permet d'avoir un travail soigné.
Après avoir tout nettoyé, je me suis rendu compte que la partie de la crépine d'huile en contact avec le carter ne semble pas plane
IMG_20210518_193305_resize_99.jpg
et comme on n'ose pas serrer ces deux petites vis comme un bourrin ça ne jointe pas ..
Je pense essayer d'aplanir mais je ne veux rien abîmer
Je fais appel à vous pour des conseils :salut:
"Si Vis Pacem ...roule en 2cv !"
S.N.A.F.U Situation Normal: All Fucked Up
Avatar du membre
S.n.a.f.u
Deuchiste intéressé
Deuchiste intéressé
Messages : 45
Enregistré le : 16 janv. 2021, 19:47
Ma deuche : 2Cv AZAM
Date de naissance : 18 juil. 1970
Localisation : Gironde
Âge : 55

Re: Renaissance 2cv AZAM 67'

Message par S.n.a.f.u »

Hello 2
Help...j'ai vu sur différents sites marchands qu'il y a avait dans la pochette de joints pour 425 un joint torique pour la crépine d'huile
Vous confirmez ou pas ? Si oui comment fait on pour le mettre en place ?
"Si Vis Pacem ...roule en 2cv !"
S.N.A.F.U Situation Normal: All Fucked Up
Avatar du membre
lucky40
Docteur deuchiste
Docteur deuchiste
Messages : 3736
Enregistré le : 10 août 2015, 14:36
Ma deuche : AK400 76
Date de naissance : 22 mars 1955
Localisation : Haute Lande

Re: Renaissance 2cv AZAM 67'

Message par lucky40 »

:salut:
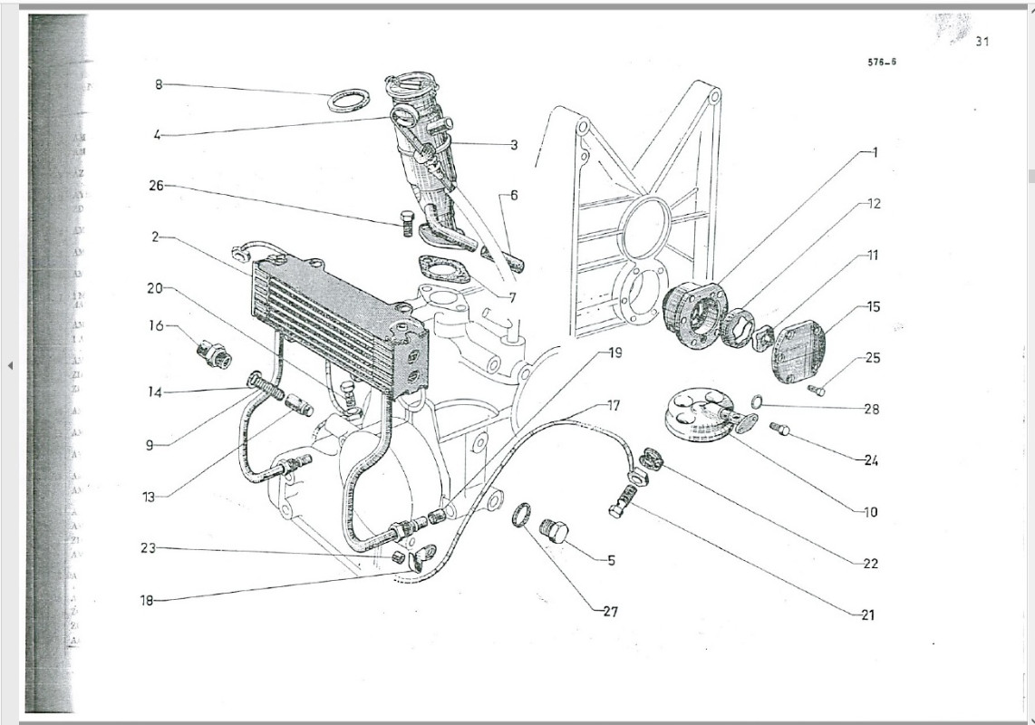
Il n'est pas mentionné de joint torique sur la crépine d'huile dans le catalogue. Sur le tuto de gazoline non plus. IL faut juste de la pâte à joint genre loctite 518 pour assurer l'étanchéité. Si il y a toujours un problème de fuite, il se peut que ce ne soit pas la crépine qui soit en cause, mais le carter lui même : il faut toujours contrôler la planéité des plans de joint...
Capture.PNG
Bon courage; :salut:
Avatar du membre
bob41
Docteur deuchiste
Docteur deuchiste
Messages : 8690
Enregistré le : 09 mai 2016, 16:00
Ma deuche : 2CV A 50 ; 2CV AZ 59 ; 2CV azam 65 ; 2CV 6 79 ; Dyane 67 ; AMI6 62 ; AMI8 77 ; HY 72 67
Date de naissance : 26 sept. 1966
Localisation : Sologne viticole (Contres) et Corse (Loreto-di-Casinca)
Âge : 59

Re: Renaissance 2cv AZAM 67'

Message par bob41 »

S.n.a.f.u a écrit : 19 mai 2021, 09:06 Hello 2
Help...j'ai vu sur différents sites marchands qu'il y a avait dans la pochette de joints pour 425 un joint torique pour la crépine d'huile
Vous confirmez ou pas ? Si oui comment fait on pour le mettre en place ?
:salut:

En principe sur les 425 il n'y a pas de joint torique. C'est plutôt sur les plus récentes. Mais tu peux en mettre un s'il y a la gorge dans le pied de la crépine pour le recevoir.
Il passe en force par le pied, tu passes d'un coté, puis tu tires doucement pour bien l'allonger et tu passes l'autre coté. Si c'est du bon caoutchouc, ça passe !
Je mets aussi un léger film de pâte à joint.
Et attention à bien remonter la crépine dans le bon sens !

@lucky40 Si il y a un joint dans le catalogue de PR pour les 2 CV 4 et 6 (pièce 28). Et il n'y en a pas dans le catalogue pour 425.
2 CV 4 et 6 Catalogue modèle 70
2 CV 4 et 6 Catalogue modèle 70
2 CV AZ Catalogue de 1968
2 CV AZ Catalogue de 1968
:salut:
Avatar du membre
S.n.a.f.u
Deuchiste intéressé
Deuchiste intéressé
Messages : 45
Enregistré le : 16 janv. 2021, 19:47
Ma deuche : 2Cv AZAM
Date de naissance : 18 juil. 1970
Localisation : Gironde
Âge : 55

Re: Renaissance 2cv AZAM 67'

Message par S.n.a.f.u »

Merci pour vos éclaircissements effectivement il y a une petite gorge sur le pied de la crépine..
Les plans de joint de carter son propres et plats.
J'essaierai bien le coût du joint torique très fin et un peu de pâte car mon 1er montage fuyait...
Je vous tiens au courant
"Si Vis Pacem ...roule en 2cv !"
S.N.A.F.U Situation Normal: All Fucked Up
Avatar du membre
lucky40
Docteur deuchiste
Docteur deuchiste
Messages : 3736
Enregistré le : 10 août 2015, 14:36
Ma deuche : AK400 76
Date de naissance : 22 mars 1955
Localisation : Haute Lande

Re: Renaissance 2cv AZAM 67'

Message par lucky40 »

:salut:

En principe sur les 425 il n'y a pas de joint torique. C'est plutôt sur les plus récentes. Mais tu peux en mettre un s'il y a la gorge dans le pied de la crépine pour le recevoir.
Il passe en force par le pied, tu passes d'un coté, puis tu tires doucement pour bien l'allonger et tu passes l'autre coté. Si c'est du bon caoutchouc, ça passe !
Je mets aussi un léger film de pâte à joint.
Et attention à bien remonter la crépine dans le bon sens !

@lucky40 Si il y a un joint dans le catalogue de PR pour les 2 CV 4 et 6 (pièce 28). Et il n'y en a pas dans le catalogue pour 425.
:salut:
[/quote]

Salut Bob , oui, je suis d'accord, je prenais en considération le fait que sa Deudeuche est une AZAM , donc avec un 425...
Avatar du membre
Fredjojo
Docteur deuchiste
Docteur deuchiste
Messages : 1317
Enregistré le : 28 mai 2017, 20:13
Ma deuche : 2CV AZA1966 ENAC
Date de naissance : 30 nov. 1963
Localisation : Bois-Colombes // Bar Le Duc 55000

Re: Renaissance 2cv AZAM 67'

Message par Fredjojo »

As tu fait attention ! 1 des 3 vis du tour de moteur en bas est rectifié pour le centrage des 2 carter
Avatar du membre
S.n.a.f.u
Deuchiste intéressé
Deuchiste intéressé
Messages : 45
Enregistré le : 16 janv. 2021, 19:47
Ma deuche : 2Cv AZAM
Date de naissance : 18 juil. 1970
Localisation : Gironde
Âge : 55

Re: Renaissance 2cv AZAM 67'

Message par S.n.a.f.u »

Hello
Fredjojo a écrit : 21 mai 2021, 07:37 As tu fait attention ! 1 des 3 vis du tour de moteur en bas est rectifié pour le centrage des 2 carter
Oui pas de soucis de ce côté là
Alors j'ai repris patiemment la planéité et propreté des demi carters et j'ai trouvé des petits défauts que j'ai rectifié.
J'ai redressé la base du tamis d'huile.
J'ai mis de la loctite...
Et c'est remonte ...je teste dès que je peux et vous tiens au jus 😉
"Si Vis Pacem ...roule en 2cv !"
S.N.A.F.U Situation Normal: All Fucked Up
Avatar du membre
S.n.a.f.u
Deuchiste intéressé
Deuchiste intéressé
Messages : 45
Enregistré le : 16 janv. 2021, 19:47
Ma deuche : 2Cv AZAM
Date de naissance : 18 juil. 1970
Localisation : Gironde
Âge : 55

Re: Renaissance 2cv AZAM 67'

Message par S.n.a.f.u »

Hello
Fredjojo a écrit : 21 mai 2021, 07:37 As tu fait attention ! 1 des 3 vis du tour de moteur en bas est rectifié pour le centrage des 2 carter
Oui pas de soucis de ce côté là
Alors j'ai repris patiemment la planéité et propreté des demi carters et j'ai trouvé des petits défauts que j'ai rectifié.
J'ai redressé la base du tamis d'huile.
J'ai mis de la loctite...
Et c'est remonte ...je teste dès que je peux et vous tiens au jus 😉
"Si Vis Pacem ...roule en 2cv !"
S.N.A.F.U Situation Normal: All Fucked Up
Avatar du membre
S.n.a.f.u
Deuchiste intéressé
Deuchiste intéressé
Messages : 45
Enregistré le : 16 janv. 2021, 19:47
Ma deuche : 2Cv AZAM
Date de naissance : 18 juil. 1970
Localisation : Gironde
Âge : 55

Re: Renaissance 2cv AZAM 67'

Message par S.n.a.f.u »

:clap: :clap: :clap: Ca y'est moteur remonté, laissé au repos 24h ..et pas de trace de fuite :pouce:
J'ai fait démarrer et " ho joie ho allégresse " ca tourne impeccable !! Quel doux bruit :gnark: J'ai oublié mont tel pour une petite vidéo ce n'est que partie remise
Mais maintenant fuite aux joints lunette :pleurs: Bon ça c'est pas grave et rapidement géré.
Prochaine étape le décaissage, j'attends juste les renforts faits sur mesure par un copain pour ne pas perdre les cotes car les bas de caisses tiennent par l'opération du saint esprit ...
@+
"Si Vis Pacem ...roule en 2cv !"
S.N.A.F.U Situation Normal: All Fucked Up
Avatar du membre
Eric13190
Docteur deuchiste
Docteur deuchiste
Messages : 9699
Enregistré le : 01 janv. 2020, 15:10
Ma deuche : 2 cv6 club 1976
Date de naissance : 04 sept. 1973
Localisation : Allauch
Âge : 52

Re: Renaissance 2cv AZAM 67'

Message par Eric13190 »

:clap: :clap:
Super, beau boulot, bonne continuation.
:salut:
"La 2cv est une des rares voiture où l'important reste la personne". Quino
Image
Avatar du membre
Deuchémoi
Docteur deuchiste
Docteur deuchiste
Messages : 17282
Enregistré le : 19 sept. 2009, 17:09
Ma deuche : 2cv6 Spécial AZKA Bleue céleste 11/87
Date de naissance : 30 oct. 1968
Localisation : Vitrolles (13) ... au soleil !!!

Re: Renaissance 2cv AZAM 67'

Message par Deuchémoi »

:clap: :clap:
Il est beau ton avatar ! ;) Il est nouveau ? Il ne m'avait pas guinché l'oeil auparavant ...
Pas de demande d'aide mécanique en Message Privé. Toutes les demandes se font dans les salons publics. Merci !
       /¯\
(°\=/°)
... Ma présentation
2cv6 Spécial AZKA Bleue céleste 11/87
       Image

ImageImage  Image
       Image
Avatar du membre
Eric13190
Docteur deuchiste
Docteur deuchiste
Messages : 9699
Enregistré le : 01 janv. 2020, 15:10
Ma deuche : 2 cv6 club 1976
Date de naissance : 04 sept. 1973
Localisation : Allauch
Âge : 52

Re: Renaissance 2cv AZAM 67'

Message par Eric13190 »

:salut:
Deuchémoi a écrit : 27 mai 2021, 21:18 :clap: :clap:
Il est beau ton avatar ! ;) Il est nouveau ? Il ne m'avait pas guinché l'oeil auparavant ...
Quoi le mien :???:
Merci c'est gentil :)
Je l'ai récupéré de cette photo de ma deudeuch, j'ai trouvé amusant la transposition entre le tombereau et la deuch
20200919_185249.jpg
:salut:
"La 2cv est une des rares voiture où l'important reste la personne". Quino
Image
Avatar du membre
Deuchémoi
Docteur deuchiste
Docteur deuchiste
Messages : 17282
Enregistré le : 19 sept. 2009, 17:09
Ma deuche : 2cv6 Spécial AZKA Bleue céleste 11/87
Date de naissance : 30 oct. 1968
Localisation : Vitrolles (13) ... au soleil !!!

Re: Renaissance 2cv AZAM 67'

Message par Deuchémoi »

Eric13190 a écrit : 27 mai 2021, 23:25 Quoi le mien :???:
Merci c'est gentil :)
Je l'ai récupéré de cette photo de ma deudeuch, j'ai trouvé amusant la transposition entre le tombereau et la deuch
20200919_185249.jpg
:salut:
:mdrr: :mdrr:
Non, pas le tien !! (j'ai rien contre le tien, hein !! ;) :mdrr: )
Je parlais de celui de S.n.a.f.u.
:mdrr:
Pas de demande d'aide mécanique en Message Privé. Toutes les demandes se font dans les salons publics. Merci !
       /¯\
(°\=/°)
... Ma présentation
2cv6 Spécial AZKA Bleue céleste 11/87
       Image

ImageImage  Image
       Image
Avatar du membre
S.n.a.f.u
Deuchiste intéressé
Deuchiste intéressé
Messages : 45
Enregistré le : 16 janv. 2021, 19:47
Ma deuche : 2Cv AZAM
Date de naissance : 18 juil. 1970
Localisation : Gironde
Âge : 55

Re: Renaissance 2cv AZAM 67'

Message par S.n.a.f.u »

Deuchémoi a écrit : 27 mai 2021, 21:18 :clap: :clap:
Il est beau ton avatar ! ;) Il est nouveau ? Il ne m'avait pas guinché l'oeil auparavant ...
C'est mon ancienne aza 69' couleur paille brûlée peu commune car vendue seulement 6 mois...
Je la regrette...
"Si Vis Pacem ...roule en 2cv !"
S.N.A.F.U Situation Normal: All Fucked Up
Avatar du membre
Eric13190
Docteur deuchiste
Docteur deuchiste
Messages : 9699
Enregistré le : 01 janv. 2020, 15:10
Ma deuche : 2 cv6 club 1976
Date de naissance : 04 sept. 1973
Localisation : Allauch
Âge : 52

Re: Renaissance 2cv AZAM 67'

Message par Eric13190 »

:salut:
Oui, il y a quelques temps sur le Lbc, il y en avait une à vendre vers Gap, si mes souvenirs sont bons, très belle voiture, cette couleur lui va bien.
:salut:
"La 2cv est une des rares voiture où l'important reste la personne". Quino
Image
Avatar du membre
Eric13190
Docteur deuchiste
Docteur deuchiste
Messages : 9699
Enregistré le : 01 janv. 2020, 15:10
Ma deuche : 2 cv6 club 1976
Date de naissance : 04 sept. 1973
Localisation : Allauch
Âge : 52

Re: Renaissance 2cv AZAM 67'

Message par Eric13190 »

:salut:
En voici une, si je ne me trompe pas.
https://www.leboncoin.fr/voitures/1965780340.htm
Screenshot_20210530-234717_Leboncoin.jpg
:salut:
"La 2cv est une des rares voiture où l'important reste la personne". Quino
Image
Avatar du membre
S.n.a.f.u
Deuchiste intéressé
Deuchiste intéressé
Messages : 45
Enregistré le : 16 janv. 2021, 19:47
Ma deuche : 2Cv AZAM
Date de naissance : 18 juil. 1970
Localisation : Gironde
Âge : 55

Re: Renaissance 2cv AZAM 67'

Message par S.n.a.f.u »

Eric13190 a écrit : 30 mai 2021, 23:47 :salut:
En voici une, si je ne me trompe pas.
https://www.leboncoin.fr/voitures/1965780340.htm
Screenshot_20210530-234717_Leboncoin.jpg
:salut:
Jolie ,ça y ressemble fortement ...je n'ai jamais vue la mienne lustrée 😆 Ac 317
En tout cas la calandre correspond, le tdb, le grand volant aussi ( ils devaient avoir des stocks a l'époque ...)
En revanche d'origine la sellerie est du style " tricot or" introuvable ou si quelqu' a une photo...
IMG_20180203_115707.jpg
Petit lunch entre anciennes
IMG_20180429_115950.jpg
Détails tdb
IMG_20180429_123200.jpg
Choix délibéré de transgresser l'origine avec la capote et la sellerie blanche...
l'Adam cette fois sera conforme !
"Si Vis Pacem ...roule en 2cv !"
S.N.A.F.U Situation Normal: All Fucked Up
Avatar du membre
S.n.a.f.u
Deuchiste intéressé
Deuchiste intéressé
Messages : 45
Enregistré le : 16 janv. 2021, 19:47
Ma deuche : 2Cv AZAM
Date de naissance : 18 juil. 1970
Localisation : Gironde
Âge : 55

Re: Renaissance 2cv AZAM 67'

Message par S.n.a.f.u »

Hello
Petit déterrage
Toujours vivant
Resto en stand bye pour cause de gros travaux à la maison...
Je reviendrai
"Si Vis Pacem ...roule en 2cv !"
S.N.A.F.U Situation Normal: All Fucked Up
Avatar du membre
Eric13190
Docteur deuchiste
Docteur deuchiste
Messages : 9699
Enregistré le : 01 janv. 2020, 15:10
Ma deuche : 2 cv6 club 1976
Date de naissance : 04 sept. 1973
Localisation : Allauch
Âge : 52

Re: Renaissance 2cv AZAM 67'

Message par Eric13190 »

:salut:
OK snafu, bonne continuation et à bientôt.
:salut:
"La 2cv est une des rares voiture où l'important reste la personne". Quino
Image
Avatar du membre
S.n.a.f.u
Deuchiste intéressé
Deuchiste intéressé
Messages : 45
Enregistré le : 16 janv. 2021, 19:47
Ma deuche : 2Cv AZAM
Date de naissance : 18 juil. 1970
Localisation : Gironde
Âge : 55

Re: Renaissance 2cv AZAM 67'

Message par S.n.a.f.u »

Hum hum de retour après 5 ans de pause ...qui dit mieux ...
Bon cette fois c'est la bonne, l'azam 67 va renaître...sauf que :
ce n' est plus celle du départ qui était trop croquée 😭
Ce sera aussi une azam, aussi de 67, bleue cyclades sur laquelle je me suis remis récemment avec pour objectif de la finir cette fois.
Au plaisir de vous lire
"Si Vis Pacem ...roule en 2cv !"
S.N.A.F.U Situation Normal: All Fucked Up
Avatar du membre
Deuchémoi
Docteur deuchiste
Docteur deuchiste
Messages : 17282
Enregistré le : 19 sept. 2009, 17:09
Ma deuche : 2cv6 Spécial AZKA Bleue céleste 11/87
Date de naissance : 30 oct. 1968
Localisation : Vitrolles (13) ... au soleil !!!

Re: Renaissance 2cv AZAM 67'

Message par Deuchémoi »

S.n.a.f.u a écrit : 30 avr. 2026, 20:33 Hum hum de retour après 5 ans de pause ...qui dit mieux ...
Bon cette fois c'est la bonne, l'azam 67 va renaître...sauf que :
ce n' est plus celle du départ qui était trop croquée 😭
Ce sera aussi une azam, aussi de 67, bleue cyclades sur laquelle je me suis remis récemment avec pour objectif de la finir cette fois.
Au plaisir de vous lire
Et bien, er-bienvenue, alors !
Et cette fois .... au boulot !
:gnark:
Pas de demande d'aide mécanique en Message Privé. Toutes les demandes se font dans les salons publics. Merci !
       /¯\
(°\=/°)
... Ma présentation
2cv6 Spécial AZKA Bleue céleste 11/87
       Image

ImageImage  Image
       Image
Avatar du membre
Eric13190
Docteur deuchiste
Docteur deuchiste
Messages : 9699
Enregistré le : 01 janv. 2020, 15:10
Ma deuche : 2 cv6 club 1976
Date de naissance : 04 sept. 1973
Localisation : Allauch
Âge : 52

Re: Renaissance 2cv AZAM 67'

Message par Eric13190 »

:photos: de ta belle bleue :pouce:
"La 2cv est une des rares voiture où l'important reste la personne". Quino
Image
Répondre
www.piecesauto-pro.fr