Page 3 sur 3
Re: Renaissance 2cv AZAM 67'
Posté : 02 mai 2021, 20:18
par S.n.a.f.u
Effectivement pas de joint... Et çà fuit au repos ...j'ai essayé la pate entre le corps et le couvercle sans effet ....
bah je pense rouvrir le "berlingo" mais j’attends un peu je vais passer un peu de temps sur la caisse pour penser a autre chose et j'y reviendrai plus tard ...
Re: Renaissance 2cv AZAM 67'
Posté : 03 mai 2021, 10:02
par bob41
S.n.a.f.u a écrit : ↑02 mai 2021, 20:18
Effectivement pas de joint... Et çà fuit au repos ...j'ai essayé la pate entre le corps et le couvercle sans effet ....
bah je pense rouvrir le "berlingo" mais j’attends un peu je vais passer un peu de temps sur la caisse pour penser a autre chose et j'y reviendrai plus tard ...
Ca fuit où exactement ?
Entre le corps de pompe et le carter ou entre le couvercle et le corps de pompe ?

Re: Renaissance 2cv AZAM 67'
Posté : 03 mai 2021, 20:51
par S.n.a.f.u
Malheureusement je n'ai pas pu aller au moteur pour voir j'essaierai demain.
Aujourd'hui j'ai donc continué le démontage de la caisse.
Elle a connu des jours meilleurs..
Beaucoup de tôles a remplacer en perspective, des planchers au fond de Coffre...en passant par les joues
Le point positif la baie de pare-brise n'a qu'un petit trou et les custodes et portières ne sont pas abîmés
Re: Renaissance 2cv AZAM 67'
Posté : 04 mai 2021, 07:07
par JLUC
Bonjour,
en effet, elle est un peu croquée la limousine!
Beau chantier en vue
Très belle baie de pare-brise ceci dit!
A bientôt.
JLUC
Re: Renaissance 2cv AZAM 67'
Posté : 18 mai 2021, 20:23
par S.n.a.f.u
Hello a ceux qui passent par là
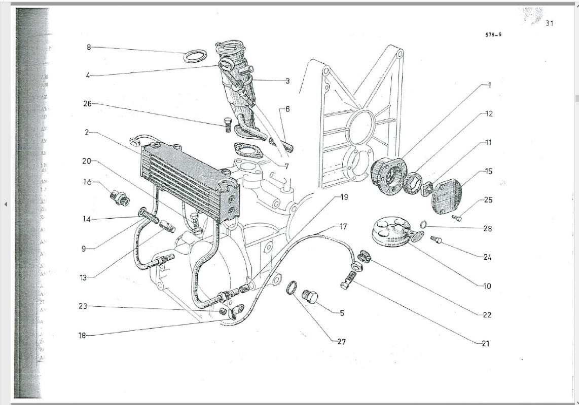
Cette fuite d'huile, même moteur arrêté, m'a un peu agacé j'ai essayé de mettre du joint sans tout démonter, ça n'a pas fonctionné car au niveau de la crépine d'huile je n'arrivais pas à la faire reculer assez pour appliquer la loctite...
Bref j'ai tout réouvert et en plus ça permet d'avoir un travail soigné.
Après avoir tout nettoyé, je me suis rendu compte que la partie de la crépine d'huile en contact avec le carter ne semble pas plane
et comme on n'ose pas serrer ces deux petites vis comme un bourrin ça ne jointe pas ..
Je pense essayer d'aplanir mais je ne veux rien abîmer
Je fais appel à vous pour des conseils

Re: Renaissance 2cv AZAM 67'
Posté : 19 mai 2021, 09:06
par S.n.a.f.u
Hello 2
Help...j'ai vu sur différents sites marchands qu'il y a avait dans la pochette de joints pour 425 un joint torique pour la crépine d'huile
Vous confirmez ou pas ? Si oui comment fait on pour le mettre en place ?
Re: Renaissance 2cv AZAM 67'
Posté : 19 mai 2021, 10:30
par lucky40
Il n'est pas mentionné de joint torique sur la crépine d'huile dans le catalogue. Sur le tuto de gazoline non plus. IL faut juste de la pâte à joint genre loctite 518 pour assurer l'étanchéité. Si il y a toujours un problème de fuite, il se peut que ce ne soit pas la crépine qui soit en cause, mais le carter lui même : il faut toujours contrôler la planéité des plans de joint...
Bon courage;

Re: Renaissance 2cv AZAM 67'
Posté : 19 mai 2021, 10:37
par bob41
S.n.a.f.u a écrit : ↑19 mai 2021, 09:06
Hello 2
Help...j'ai vu sur différents sites marchands qu'il y a avait dans la pochette de joints pour 425 un joint torique pour la crépine d'huile
Vous confirmez ou pas ? Si oui comment fait on pour le mettre en place ?
En principe sur les 425 il n'y a pas de joint torique. C'est plutôt sur les plus récentes. Mais tu peux en mettre un s'il y a la gorge dans le pied de la crépine pour le recevoir.
Il passe en force par le pied, tu passes d'un coté, puis tu tires doucement pour bien l'allonger et tu passes l'autre coté. Si c'est du bon caoutchouc, ça passe !
Je mets aussi un léger film de pâte à joint.
Et attention à bien remonter la crépine dans le bon sens !
@lucky40 Si il y a un joint dans le catalogue de PR pour les 2 CV 4 et 6 (pièce 28). Et il n'y en a pas dans le catalogue pour 425.

- 2 CV 4 et 6 Catalogue modèle 70

- 2 CV AZ Catalogue de 1968

Re: Renaissance 2cv AZAM 67'
Posté : 19 mai 2021, 16:50
par S.n.a.f.u
Merci pour vos éclaircissements effectivement il y a une petite gorge sur le pied de la crépine..
Les plans de joint de carter son propres et plats.
J'essaierai bien le coût du joint torique très fin et un peu de pâte car mon 1er montage fuyait...
Je vous tiens au courant
Re: Renaissance 2cv AZAM 67'
Posté : 19 mai 2021, 21:28
par lucky40
En principe sur les 425 il n'y a pas de joint torique. C'est plutôt sur les plus récentes. Mais tu peux en mettre un s'il y a la gorge dans le pied de la crépine pour le recevoir.
Il passe en force par le pied, tu passes d'un coté, puis tu tires doucement pour bien l'allonger et tu passes l'autre coté. Si c'est du bon caoutchouc, ça passe !
Je mets aussi un léger film de pâte à joint.
Et attention à bien remonter la crépine dans le bon sens !
@lucky40 Si il y a un joint dans le catalogue de PR pour les 2 CV 4 et 6 (pièce 28). Et il n'y en a pas dans le catalogue pour 425.

[/quote]
Salut Bob , oui, je suis d'accord, je prenais en considération le fait que sa Deudeuche est une AZAM , donc avec un 425...
Re: Renaissance 2cv AZAM 67'
Posté : 21 mai 2021, 07:37
par Fredjojo
As tu fait attention ! 1 des 3 vis du tour de moteur en bas est rectifié pour le centrage des 2 carter
Re: Renaissance 2cv AZAM 67'
Posté : 26 mai 2021, 13:02
par S.n.a.f.u
Hello
Fredjojo a écrit : ↑21 mai 2021, 07:37
As tu fait attention ! 1 des 3 vis du tour de moteur en bas est rectifié pour le centrage des 2 carter
Oui pas de soucis de ce côté là
Alors j'ai repris patiemment la planéité et propreté des demi carters et j'ai trouvé des petits défauts que j'ai rectifié.
J'ai redressé la base du tamis d'huile.
J'ai mis de la loctite...
Et c'est remonte ...je teste dès que je peux et vous tiens au jus

Re: Renaissance 2cv AZAM 67'
Posté : 26 mai 2021, 13:20
par S.n.a.f.u
Hello
Fredjojo a écrit : ↑21 mai 2021, 07:37
As tu fait attention ! 1 des 3 vis du tour de moteur en bas est rectifié pour le centrage des 2 carter
Oui pas de soucis de ce côté là
Alors j'ai repris patiemment la planéité et propreté des demi carters et j'ai trouvé des petits défauts que j'ai rectifié.
J'ai redressé la base du tamis d'huile.
J'ai mis de la loctite...
Et c'est remonte ...je teste dès que je peux et vous tiens au jus

Re: Renaissance 2cv AZAM 67'
Posté : 27 mai 2021, 20:19
par S.n.a.f.u

Ca y'est moteur remonté, laissé au repos 24h ..et pas de trace de fuite
J'ai fait démarrer et " ho joie ho allégresse " ca tourne impeccable !! Quel doux bruit

J'ai oublié mont tel pour une petite vidéo ce n'est que partie remise
Mais maintenant fuite aux joints lunette :pleurs: Bon ça c'est pas grave et rapidement géré.
Prochaine étape le décaissage, j'attends juste les renforts faits sur mesure par un copain pour ne pas perdre les cotes car les bas de caisses tiennent par l'opération du saint esprit ...
@+
Re: Renaissance 2cv AZAM 67'
Posté : 27 mai 2021, 20:35
par Eric13190
Re: Renaissance 2cv AZAM 67'
Posté : 27 mai 2021, 21:18
par Deuchémoi
Il est beau ton avatar !

Il est nouveau ? Il ne m'avait pas guinché l'oeil auparavant ...
Re: Renaissance 2cv AZAM 67'
Posté : 27 mai 2021, 23:25
par Eric13190
Deuchémoi a écrit : ↑27 mai 2021, 21:18
Il est beau ton avatar !

Il est nouveau ? Il ne m'avait pas guinché l'oeil auparavant ...
Quoi le mien
Merci c'est gentil
Je l'ai récupéré de cette photo de ma deudeuch, j'ai trouvé amusant la transposition entre le tombereau et la deuch

Re: Renaissance 2cv AZAM 67'
Posté : 28 mai 2021, 07:02
par Deuchémoi
Eric13190 a écrit : ↑27 mai 2021, 23:25
Quoi le mien
Merci c'est gentil
Je l'ai récupéré de cette photo de ma deudeuch, j'ai trouvé amusant la transposition entre le tombereau et la deuch
20200919_185249.jpg
Non, pas le tien !! (j'ai rien contre le tien, hein !!

)
Je parlais de celui de S.n.a.f.u.

Re: Renaissance 2cv AZAM 67'
Posté : 28 mai 2021, 13:22
par S.n.a.f.u
Deuchémoi a écrit : ↑27 mai 2021, 21:18
Il est beau ton avatar !

Il est nouveau ? Il ne m'avait pas guinché l'oeil auparavant ...
C'est mon ancienne aza 69' couleur paille brûlée peu commune car vendue seulement 6 mois...
Je la regrette...
Re: Renaissance 2cv AZAM 67'
Posté : 28 mai 2021, 13:28
par Eric13190
Oui, il y a quelques temps sur le Lbc, il y en avait une à vendre vers Gap, si mes souvenirs sont bons, très belle voiture, cette couleur lui va bien.

Re: Renaissance 2cv AZAM 67'
Posté : 30 mai 2021, 23:47
par Eric13190
Re: Renaissance 2cv AZAM 67'
Posté : 31 mai 2021, 17:08
par S.n.a.f.u
Jolie ,ça y ressemble fortement ...je n'ai jamais vue la mienne lustrée

Ac 317
En tout cas la calandre correspond, le tdb, le grand volant aussi ( ils devaient avoir des stocks a l'époque ...)
En revanche d'origine la sellerie est du style " tricot or" introuvable ou si quelqu' a une photo...
Petit lunch entre anciennes
Détails tdb
Choix délibéré de transgresser l'origine avec la capote et la sellerie blanche...
l'Adam cette fois sera conforme !
Re: Renaissance 2cv AZAM 67'
Posté : 04 août 2021, 17:49
par S.n.a.f.u
Hello
Petit déterrage
Toujours vivant
Resto en stand bye pour cause de gros travaux à la maison...
Je reviendrai
Re: Renaissance 2cv AZAM 67'
Posté : 04 août 2021, 18:10
par Eric13190
OK snafu, bonne continuation et à bientôt.
