Page 1 sur 1
schéma électrique tableau de bord 2cv
Posté : 28 nov. 2017, 18:42
par paul lamiral

Amis Deuchistes auriez-vous une photo qui montre les branchements avec la couleur des cosses et des fils derrière le tableau de bord 2cv club 1982.
Je souhaite vérifier mes branchements car derrière tout ça ce n'est pas sain

Re: schéma électrique tableau de bord 2cv
Posté : 29 nov. 2017, 00:46
par toutoune
bonsoir
j'ai bien une photo,mais je ne sais pas si cela peu aider
Re: schéma électrique tableau de bord 2cv
Posté : 29 nov. 2017, 16:02
par paul lamiral
merci toutoune mais cela ne m'aide pas.
J'ai fait du ménage et éjecté des fils qui n'avaient aucune fonction. J'ai été prudent en utilisant le multimètre. :lol:
Tant que tout est à peu près accessible je voudrais ajouter un voyant lumineux sur le tableau de bord répetiteur de clignotant.
Amis Deuchiste pouvez-vous m'indiquer ou je dois piquer les fils.
je joint le schéma de ma deuche 82 qui servira en même temps à tous nos amis.
svp soyer précis car je suis léger en électricité
bonne fin de journée paul

Re: schéma électrique tableau de bord 2cv
Posté : 29 nov. 2017, 17:01
par renato13
salut Paul c’est très difficile a distance de te dire ou vont tes fils sans être devant la voiture,
faut que tu repaire la longueur des fil la grosseur des cosses,part a port au moteur ou accessoire qui reçoivent les fils.

,
part contre pour ton voyant de clignotant que tu veut rajouter, je vais t’expliquer un truc tout simple
pour pas te prendre la tête,est qui fonctionnera nickel
alors voila se quil faut faire,
1 tu place ton voyant la ou tu le veut,
2 tu tire un fil de masse brancher sur ton voyant ou sur sa fixation,
3 tu recherche sur le porte fusible le fusible des clignotant,
4 tu rajoute un fil volant du fusible a ton voyant, et quant tu mais les clignotant ton voyant va clignoter.

Re: schéma électrique tableau de bord 2cv
Posté : 29 nov. 2017, 18:26
par bob41
renato13 a écrit :
part contre pour ton voyant de clignotant que tu veut rajouter, je vais t’expliquer un truc tout simple
pour pas te prendre la tête,est qui fonctionnera nickel
alors voila se quil faut faire,
1 tu place ton voyant la ou tu le veut,
2 tu tire un fil de masse brancher sur ton voyant ou sur sa fixation,
3 tu recherche sur le porte fusible le fusible des clignotant,
4 tu rajoute un fil volant du fusible a ton voyant, et quant tu mais les clignotant ton voyant va clignoter.

Et s'il n'y a pas de fusible ? C'est le cas sur plusieurs de mes voitures.
Je voudrais mettre un voyant sur ma Dyane parce que je n'entends pas bien le bruiteur, mais elle n'a pas de boite à fusibles. Je ne sais pas où brancher sur la centrale clignotante.

Re: schéma électrique tableau de bord 2cv
Posté : 29 nov. 2017, 19:20
par paul lamiral
Merci René et Bob de vos réponses.
Je n'ai pas de fusible de clignotant.
C'est vrai que quand on met le clignotant on l'oublie souvent. C'est pourquoi vous l'avez bien compris je souhaite placer sur le tableau de bord un indicateur comme je l'ai dit précédemment.
Le bruiteur sur la 2 chevaux est inexistant c'est bien dommage.
C'est vrai que donner des informations sans être devant la voiture c'est très difficile. Mais ne serait-il pas possible au regard du plan que j'ai publié de dire par exemple : " à
partir du numéro 14 qui est la centrale clignotante se connecter sur les bornes ve et N par exemple "
C'est une hypothèse un peu simpliste mais pourquoi pas je sais pas
bonne fin de journée paul

Re: schéma électrique tableau de bord 2cv
Posté : 29 nov. 2017, 20:02
par renato13
ben si vous avait pas de fusible vous faite sur les deux fil avant des clignotant avec un fil volant
un picage sur chaque fil cligno droite et gauche, puis tu les relier les deux ensemble avec une cosse qui va se brancher au voyant
quant tu aura un cligno ton voyant va clignoter,,j’espère que je me suis bien expliquer !!!

Re: schéma électrique tableau de bord 2cv
Posté : 29 nov. 2017, 20:10
par renato13
renato13 a écrit :
ben si vous avait pas de fusible vous faite sur les deux fil avant des clignotant avec un fil volant
un picage sur chaque fil cligno droite et gauche, puis tu les relier les deux ensemble avec une cosse qui va se brancher au voyant
quant tu aura un cligno ton voyant va clignoter,,j’espère que je me suis bien expliquer !!!

( sinon oui sur la centrale 14 il y a le + et c sur le c ton fil volant de brancher dessus et çà doit marcher.)
Re: schéma électrique tableau de bord 2cv
Posté : 29 nov. 2017, 20:24
par renato13
je rectifie mon erreur les deux fil volant pris sur les fil avant des clignotant faut pas les relier sinon les deux cligno vont marcher
il faut deux voyant un droite et un gauche comme sur les moderne..
petit croquis vite fait pour mieux comprendre
,
Re: schéma électrique tableau de bord 2cv
Posté : 29 nov. 2017, 20:49
par Deuchémoi
C'est pas plus simple d'aller chercher la centrale ?
Paul, peux-tu prendre les connexion sur ta centrale en photo et nous poster ça ?
Re: schéma électrique tableau de bord 2cv
Posté : 29 nov. 2017, 21:24
par paul lamiral
J'ai trouvé ceci :
A priori a partir de la centrale 14 il faut brancher le témoin sur le fil Ve et le second à la masse.
Le + c'est le N, et le C veut peut-être signifier commun
Est ce juste d'après vous ?
Bonne soirée à vous paul

Re: schéma électrique tableau de bord 2cv
Posté : 29 nov. 2017, 21:26
par renato13
OUI sur la centrale aussi ,faut te brancher sur le R (répétiteur)
https://www.google.fr/search?q=centrale ... UyGbvjq04b
si çà peut vous aider
Re: schéma électrique tableau de bord 2cv
Posté : 30 nov. 2017, 06:58
par Deuchémoi
Re: schéma électrique tableau de bord 2cv
Posté : 30 nov. 2017, 07:14
par renato13
Oui voila comme Nicolas montre çà doit être le R sur la centrale, comme sur le lien plus haut, mais la tu aura un seul voyant!!
si tu veut deux voyant sur ton tableau un a droite et l'autre a gauche, tu fait comme le croquis ,direct sur le porte ampoule
du cligno, avec un fil volant bien passer avec le faisceau , jusque au voyant, gauche et pareil pour le droite, et tu aura un voyant pour chaque coté
comme sur les moderne , c’est toi qui vois.

Re: schéma électrique tableau de bord 2cv
Posté : 30 nov. 2017, 08:44
par paul lamiral
La cosse noir et branché sur la borne X
La cosse blanche sur la borne L
La cosse verte sur la borne P.
Testé avec lampe ( - masse, + sur une des bornes) contact mis :
Le X est le +
Le L ( 2 fils) le témoin clignote
Le P rien
Une suggestion?
Bonne journée à vous paul
Re: schéma électrique tableau de bord 2cv
Posté : 30 nov. 2017, 09:01
par renato13
Tu test avec le voltmètre avec le contact et un cligno ,quel fil sort le cligno et tu te ponte dessus et tu va a ton voyant c’est simple.
tu a regarder le lien que je t’ai montrer , il y a plusieurs vue de centrale.

Re: schéma électrique tableau de bord 2cv
Posté : 30 nov. 2017, 10:14
par bob41
Tout ce que vous montrez c'est pour une centrale à 3 fiches.
Voici le schéma théorique d'une trois fiches.

- centrale-clignotante-6v-3-bornes.jpg (8.36 Kio) Vu 16152 fois
Mais sur une centrale à deux fiches ?
J'ai essayé sans succès, mais je ne me suis pas trop penché sur le sujet non plus. La solution c'est peut-être avec un relais. Ou de remplacer par une trois fiches :shock:

Re: schéma électrique tableau de bord 2cv
Posté : 30 nov. 2017, 16:17
par paul lamiral
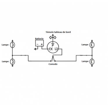
Un petit dessin vaut mieux qu'un long discours...
Et ça ne marche pas :enerve: je suis nul..
D'autre part j'ai pris une photo de mon tableau de bord
Et sur celui-ci en bas à gauche il y a une prise allume-cigare présente lorsque j'ai acheté la voiture.
C'est une club de 1982 je ne crois pas que cet allume-cigare est d'origine mais un docteur Deuchiste peut-il me renseigner
bonne fin de journée paul
Re: schéma électrique tableau de bord 2cv
Posté : 30 nov. 2017, 17:21
par bob41
Il n'y a jamais eu d'allume-cigare en série sur aucune 2 CV.....

Re: schéma électrique tableau de bord 2cv
Posté : 30 nov. 2017, 20:29
par paul lamiral

Bob
bonne soirée à vous paul
Re: schéma électrique tableau de bord 2cv
Posté : 30 nov. 2017, 21:07
par Deuchémoi
paul lamiral a écrit :
Un petit dessin vaut mieux qu'un long discours...
Et ça ne marche pas :enerve: je suis nul..
Paul, une photo vaut mieux qu'un dessin ... :D
J'ai pris ta photo et je l'ai mise à côté de celle dont je te donne le lien dans mon précédent post ...
Normal que ça ne marche pas ... Le témoin va sur le vert !

Re: schéma électrique tableau de bord 2cv
Posté : 30 nov. 2017, 21:09
par Deuchémoi
bob41 a écrit :Ou de remplacer par une trois fiches :shock:

Si tu en as une sous la main, tu as le branchement sous les yeux ....
:D
Re: schéma électrique tableau de bord 2cv
Posté : 30 nov. 2017, 21:34
par paul lamiral
Je fais comme tu l'indiques et je te tiens au courant si je puis dire... :D
bonne soirée à vous paul
Re: schéma électrique tableau de bord 2cv
Posté : 30 nov. 2017, 21:52
par Deuchémoi
paul lamiral a écrit :
Je fais comme tu l'indiques et je te tiens au courant si je puis dire... :D
bonne soirée à vous paul
Si un coup ça marche, un coup ça ne marche pas ... c'est normal, hein !!

Re: schéma électrique tableau de bord 2cv
Posté : 01 déc. 2017, 08:15
par paul lamiral
J'ai fait comme tu m'as dit et ben ça ne marche pas
Je vais passer à autre chose merci
Bonne journée à toi Paul
Re: schéma électrique tableau de bord 2cv
Posté : 01 déc. 2017, 20:26
par Deuchémoi
Tu m'en vois désolé !
Pourtant, c'est bien le branchement que j'ai, et qui fonctionne. Le témoin est bien à la masse ? :|
Re: schéma électrique tableau de bord 2cv
Posté : 22 déc. 2017, 07:56
par Poyducotam
Deuchemoi, je suis d'accord avec les schémas
En revanche, si le voyant est hs la centrale ne peut pas clignoter.
Pour faire un lever de doute, il est possible de remplacer le voyant par une fil direct vers la masse.
Si cela fonctionne c'est un problème soit d'ampoule de voyant de de ses fils.
Pour info, j'ai installé un voyant par côté par repiquage sur les fils vers les clignotants et la masse remplace le voyant tel qu'indiqué dans le schéma.
Ça marche sans problème

Re: schéma électrique tableau de bord 2cv
Posté : 23 déc. 2017, 09:57
par Deuchémoi
Poyducotam a écrit :
En revanche, si le voyant est hs la centrale ne peut pas clignoter.
Très juste !!
La "panne" toute bête ...
