Page 1 sur 1
Demarreur de 2cv qui se lance même sans contact
Posté : 30 oct. 2025, 20:07
par Keops
Bonjour.
Est il normal que lorsque j'appuie sur le bouton du demareur, celui ci se lance même sans contact ?
Alors bien sûr ma 2cv ne démarre pas car pas de contact, mais le moteur est bien lancé par le demareur
Re: Demareur qui se lance même sans contact
Posté : 30 oct. 2025, 20:52
par pat77
Sur 2cv4, oui, c'est normal.
Re: Demareur qui se lance même sans contact
Posté : 31 oct. 2025, 07:41
par Deuchémoi
J'imagine que tu lances le démarreur, mais que l'allumage rentre dans la danse grâce au "contact" !
A confirmer.

Re: Demareur qui se lance même sans contact
Posté : 31 oct. 2025, 08:15
par Mica
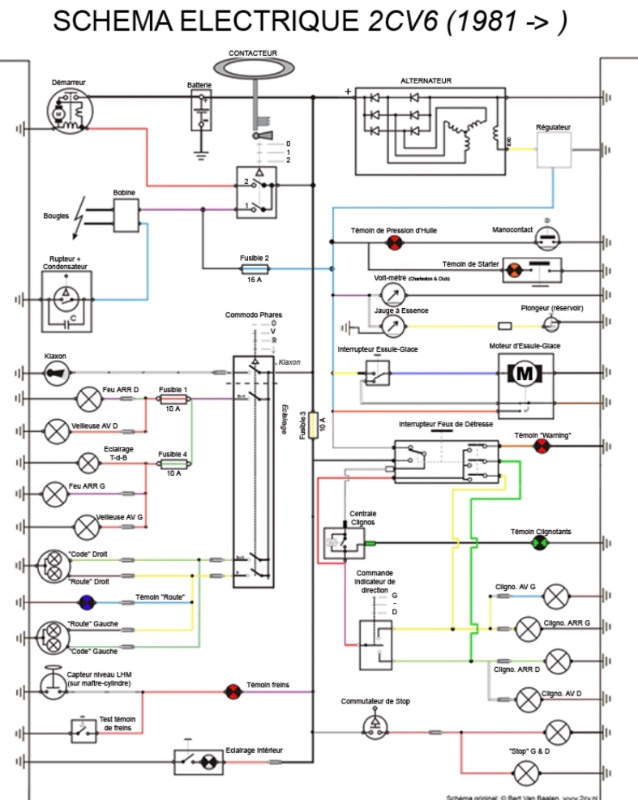
En regardant le shema electrique le la 2cv6, on voit que le + du démarreur est directement branché à la batterie et que l'action de la clé a deux fonctions, l'une est de mettre le contact et d'envoyer le + à la bobine, et l'autre en tournant encore est de mettre le démarreur à la masse pour le faire tourner.
Cela explique le fait que la tirette ou le bouton de la 2cv4 a la même action que le deuxième tour de clef dela 2cv6 et qu'elle met le démarreur à la masse quoi qu'il arrive, que la bobine soit alimentée ou non. Les deux fonctions sont séparées contrairement à la 2cv6: la clef met le contact, le bouton actionne le démarreur.
Je pense que si on débranche sur le neiman d'une 2cv6 le fil du contact, le démarreur va se lancer quand même au second tour de clef, sans emmener le moteur puisque bobine coupée. Le principe même du coupe-circuit.
Re: Demareur qui se lance même sans contact
Posté : 31 oct. 2025, 10:18
par pat77
Sur la 2cv6, quand on tourne la clé, ça met le contact et si on va plus loin, ça lance le démarreur et comme le contact est mis, ça démarre.
Dans la 2cv4, il faut tourner la clé pour le contact et lancer le démarreur avec un bouton à part, d'ailleurs, au début, on oubli de mettre le contact et on a tendance à noyer la voiture.
Le contact alimente les vis platinée et la bobine, le démarreur a besoin d'un plus batterie direct qui ne peut pas être coupé. Pourquoi ils ont fait ça et pas mis la même chose que la 2cv6? mystère.
Re: Demareur qui se lance même sans contact
Posté : 31 oct. 2025, 14:29
par celeste
pat77 a écrit : ↑31 oct. 2025, 10:18
Le contact alimente les vis platinée et la bobine, le démarreur a besoin d'un plus batterie direct qui ne peut pas être coupé. Pourquoi ils ont fait ça et pas mis la même chose que la 2cv6? mystère.
Cela simplifie le circuit électrique, dans les années 1930 toutes les voitures avaient cela, beaucoup de démarreur avec commande par câble. Après avec les relais, ect , en vue de simplicité cela devient courant
@lain
Re: Demarreur de 2cv qui se lance même sans contact
Posté : 01 nov. 2025, 01:40
par Eric13190
Sur les 2cv6 d'avant 1974, c'est aussi le cas, ont a une clé de contact avec un démarreur par poussoir sur le tableau de bord.
Re: Demarreur de 2cv qui se lance même sans contact
Posté : 02 nov. 2025, 17:45
par Keops
Super, merci beaucoup pour vos réponses