court circuit eclairage et feux stop 2cv résolu
Modérateurs : Deuchémoi, zamzam, Eric13190
- GUILLAUME77
- Nouveau deuchiste

- Messages : 15
- Enregistré le : 17 juin 2019, 14:12
- Ma deuche : 2CV CHARLESTON ET MEHARI
- Date de naissance : 21 déc. 1967
- Localisation : conde ste libiaire
- Âge : 58
court circuit eclairage et feux stop 2cv résolu
Bonjour à tous,
j'ai un souci electrique incomprehensible. lorsque que j'allume les feux, il y a du courant positif qui arrive par le + du faisceau des freins.
lorsque je freine il y aussi le + qui arrive normalement donc qui rentre en conflit si les feux sont allumés(fusibles du haut et du bas qui petent).
j'ai remplacé le commodo en respectant les couleurs et positions donc normalement pas d'erreur.....
Daprès vous il y a un moment ou le faisceau peut se rencontré? je comprends pas car pour moi il y a pas de relation entre les deux.
merci de votre aide
guillaume
j'ai un souci electrique incomprehensible. lorsque que j'allume les feux, il y a du courant positif qui arrive par le + du faisceau des freins.
lorsque je freine il y aussi le + qui arrive normalement donc qui rentre en conflit si les feux sont allumés(fusibles du haut et du bas qui petent).
j'ai remplacé le commodo en respectant les couleurs et positions donc normalement pas d'erreur.....
Daprès vous il y a un moment ou le faisceau peut se rencontré? je comprends pas car pour moi il y a pas de relation entre les deux.
merci de votre aide
guillaume
- Math 2cv
- Docteur deuchiste

- Messages : 1187
- Enregistré le : 26 juil. 2016, 11:18
- Ma deuche : 2cv type A de février 1952
- Date de naissance : 25 mai 2000
- Localisation : Haute Savoie - Lac Léman
- Âge : 25
Re: court circuit eclairage et feux stop
effectivement c'est étrange
Sinon je sèche ! Les problèmes électriques c'est compliqué à résoudre quand on n'est pas devant la voiture.
Attends d'autres avis.
- renato13
- Docteur deuchiste

- Messages : 11515
- Enregistré le : 26 juil. 2011, 10:41
- Ma deuche : azlp grise 1960
- Date de naissance : 06 nov. 1955
- Localisation : istres
Re: court circuit eclairage et feux stop
les feux , et les stop ,son deux faisceaux différent, regarde plutôt ton porte fusible ,mauvais contact ,
nettoie bien les cosses et le porte fusible ,possible un mauvais contact.
- Le_solognot_41
- Docteur deuchiste

- Messages : 941
- Enregistré le : 25 juil. 2019, 10:15
- Ma deuche : 2cv type AZA
- Date de naissance : 01 févr. 1974
- Localisation : sud du loir et cher
Re: court circuit eclairage et feux stop 2cv
moi j'ai une anecdote a raconter, cela n'aidera pas guillaume mais bon :
un ami à moi laisse sa vielle twingo plusieurs mois dehors sans s'en servir.
il veut s'en servir et là plus de clignotant ni de warning.
je lui dis déjà regarde les fusibles, mais aucun n'est fondu.
on démonte la centrale de clignotant, et là un autre ami arrive et la démonte.
il nous dit "ça sent pas le bruler et c'est pas noir alors c'est pas grillé !"
on lui explique qu'il y a un circuit intégré etc etc ...
mais il persiste il dit c'est les fusibles, nous on dit non .
il farfouine retire le fusible des clignotants et l'interverti avec un autre du même calibre 10A.
il remonte la centrale et là .... ça marche !
effectivement en regardant bien à la lumière du jour
le fusible était un peu oxydé et ne faisait pas contact !
c'est à peine croyable , on a vraiment passé pour 2 cons !!
un ami à moi laisse sa vielle twingo plusieurs mois dehors sans s'en servir.
il veut s'en servir et là plus de clignotant ni de warning.
je lui dis déjà regarde les fusibles, mais aucun n'est fondu.
on démonte la centrale de clignotant, et là un autre ami arrive et la démonte.
il nous dit "ça sent pas le bruler et c'est pas noir alors c'est pas grillé !"
on lui explique qu'il y a un circuit intégré etc etc ...
mais il persiste il dit c'est les fusibles, nous on dit non .
il farfouine retire le fusible des clignotants et l'interverti avec un autre du même calibre 10A.
il remonte la centrale et là .... ça marche !
effectivement en regardant bien à la lumière du jour
le fusible était un peu oxydé et ne faisait pas contact !
c'est à peine croyable , on a vraiment passé pour 2 cons !!
- GUILLAUME77
- Nouveau deuchiste

- Messages : 15
- Enregistré le : 17 juin 2019, 14:12
- Ma deuche : 2CV CHARLESTON ET MEHARI
- Date de naissance : 21 déc. 1967
- Localisation : conde ste libiaire
- Âge : 58
Re: court circuit eclairage et feux stop
Bonjour renato,renato13 a écrit :![]()
les feux , et les stop ,son deux faisceaux différent, regarde plutôt ton porte fusible ,mauvais contact ,
nettoie bien les cosses et le porte fusible ,possible un mauvais contact.
Comment un mauvais contact sur un fusible peut envoyer du + sur un fil d'un faisceau différent? Ca m interpelle
guillaume
- GUILLAUME77
- Nouveau deuchiste

- Messages : 15
- Enregistré le : 17 juin 2019, 14:12
- Ma deuche : 2CV CHARLESTON ET MEHARI
- Date de naissance : 21 déc. 1967
- Localisation : conde ste libiaire
- Âge : 58
Re: court circuit eclairage et feux stop 2cv
bonjour solognotLe_solognot_41 a écrit :moi j'ai une anecdote a raconter, cela n'aidera pas guillaume mais bon :
un ami à moi laisse sa vielle twingo plusieurs mois dehors sans s'en servir.
il veut s'en servir et là plus de clignotant ni de warning.
je lui dis déjà regarde les fusibles, mais aucun n'est fondu.
on démonte la centrale de clignotant, et là un autre ami arrive et la démonte.
il nous dit "ça sent pas le bruler et c'est pas noir alors c'est pas grillé !"
on lui explique qu'il y a un circuit intégré etc etc ...
mais il persiste il dit c'est les fusibles, nous on dit non .
il farfouine retire le fusible des clignotants et l'interverti avec un autre du même calibre 10A.
il remonte la centrale et là .... ça marche !
effectivement en regardant bien à la lumière du jour
le fusible était un peu oxydé et ne faisait pas contact !
c'est à peine croyable , on a vraiment passé pour 2 cons !!
merci pour ton aide mais la ce n'est pas que ca fonctionne pas mais j'ai du + d'alimentation des feux qui passe dans le circuit du + des stops.
en plus, les fusibles ont sautés donc la ils sont tous neufs du coup je comprends pas
Guillaume
- renato13
- Docteur deuchiste

- Messages : 11515
- Enregistré le : 26 juil. 2011, 10:41
- Ma deuche : azlp grise 1960
- Date de naissance : 06 nov. 1955
- Localisation : istres
Re: court circuit eclairage et feux stop
GUILLAUME77 a écrit :Bonjour renato,renato13 a écrit :![]()
les feux , et les stop ,son deux faisceaux différent, regarde plutôt ton porte fusible ,mauvais contact ,
nettoie bien les cosses et le porte fusible ,possible un mauvais contact.
Comment un mauvais contact sur un fusible peut envoyer du + sur un fil d'un faisceau différent? Ca m interpelle![]()
guillaume
Ben ton porte fusible protège plusieurs circuit, si tu a un mauvais contact sur un plot ou une parti du porte fusible, de la rouille, ou une cosse abîmée ,ou
qui bouge ,!! le courant ,peut passer d'un fusible sur l'autre, si c'est pas ton porte fusible !! après contrôle ,débranche un à un tes appareil Electrique
pour voir le quel qui fait cramer les fusibles. Tu va avoir besoin de plusieurs fusible , mais c'est la façon la plus efficace de trouver un court circuit.
- Le_solognot_41
- Docteur deuchiste

- Messages : 941
- Enregistré le : 25 juil. 2019, 10:15
- Ma deuche : 2cv type AZA
- Date de naissance : 01 févr. 1974
- Localisation : sud du loir et cher
Re: court circuit eclairage et feux stop 2cv
mon premier post n’était pas fait pour t'aider je l'avais préciséGUILLAUME77 a écrit :Bonjour à tous,
j'ai un souci electrique incomprehensible. lorsque que j'allume les feux, il y a du courant positif qui arrive par le + du faisceau des freins.
lorsque je freine il y aussi le + qui arrive normalement donc qui rentre en conflit si les feux sont allumés(fusibles du haut et du bas qui petent).
j'ai remplacé le commodo en respectant les couleurs et positions donc normalement pas d'erreur.....
Daprès vous il y a un moment ou le faisceau peut se rencontré? je comprends pas car pour moi il y a pas de relation entre les deux.
merci de votre aide
guillaume
je t'ai bien relu : là ou le circuit des feux et celui des stops se rejoignent, c'est dans les feux à l’arrière.
mais je comprends pas une chose : quand tu allumes les feux, les stops s'allument aussi ?
je ne sais pas si la puissance des 2 stops en plus peuvent faire sauter le fusible des feux même bien calibré
deuxièmement, un conflit de "plus" tu es sur que c'est possible, le plus viendra toujours de ta seule batterie, le courant ne circule pas entre 2 fils branchés au "plus".
tercio , des épissures, c'est peut être source de contact indésirable, mais est ce qu'il y a 2 épissures l'une sur l'autre dans tout le faisceau ?
plutôt proche de carrosserie donc du "moins".
quand tu freines les feux de positions s'allument ?
au fait c'est sur ta 2CV Charleston de 1981 ?
Note du Benêt : j'ai un 2cv expert avec un schéma électrique mais je ne sais pas de quel modèle il faut que je regarde.
EDIT: c'est le schéma d'une azam, ou la veilleuse gauche et les stops passe dans le même faisceau dans la "zone charnière sous capot" :shock:
mais cela doit être différent sur la tienne.
- GUILLAUME77
- Nouveau deuchiste

- Messages : 15
- Enregistré le : 17 juin 2019, 14:12
- Ma deuche : 2CV CHARLESTON ET MEHARI
- Date de naissance : 21 déc. 1967
- Localisation : conde ste libiaire
- Âge : 58
Re: court circuit eclairage et feux stop 2cv
*Le_solognot_41 a écrit :mon premier post n’était pas fait pour t'aider je l'avais préciséGUILLAUME77 a écrit :Bonjour à tous,
j'ai un souci electrique incomprehensible. lorsque que j'allume les feux, il y a du courant positif qui arrive par le + du faisceau des freins.
lorsque je freine il y aussi le + qui arrive normalement donc qui rentre en conflit si les feux sont allumés(fusibles du haut et du bas qui petent).
j'ai remplacé le commodo en respectant les couleurs et positions donc normalement pas d'erreur.....
Daprès vous il y a un moment ou le faisceau peut se rencontré? je comprends pas car pour moi il y a pas de relation entre les deux.
merci de votre aide
guillaume![]()
je t'ai bien relu : là ou le circuit des feux et celui des stops se rejoignent, c'est dans les feux à l’arrière.
mais je comprends pas une chose : quand tu allumes les feux, les stops s'allument aussi ?
je ne sais pas si la puissance des 2 stops en plus peuvent faire sauter le fusible des feux même bien calibréce serait intéressant à savoir.
deuxièmement, un conflit de "plus" tu es sur que c'est possible, le plus viendra toujours de ta seule batterie, le courant ne circule pas entre 2 fils branchés au "plus".
tercio , des épissures, c'est peut être source de contact indésirable, mais est ce qu'il y a 2 épissures l'une sur l'autre dans tout le faisceau ?
plutôt proche de carrosserie donc du "moins".
quand tu freines les feux de positions s'allument ?
au fait c'est sur ta 2CV Charleston de 1981 ?
Note du Benêt : j'ai un 2cv expert avec un schéma électrique mais je ne sais pas de quel modèle il faut que je regarde.
EDIT: c'est le schéma d'une azam, ou la veilleuse gauche et les stops passe dans le même faisceau dans la "zone charnière sous capot" :shock:
mais cela doit être différent sur la tienne.
probleme resolu grace à vos differents posts, j'ai regarder les fusibles RAS puis j'ai chercher les fils d'alimentation des feux puis des stops en les testants et effectivement conflits entre les deux alimentations.
j'ai regarder partout ou cela le faisceau se trouve accessible avant de le depioter mais rien. j'ai donc retirer le scotch en partant de la boite de fusible et au bout de 5 cm j'ai trouvé deux cbles verts avec une legere dechirure qui se touchait tres legerement.
apres avoir tester, il s'agit bien des deux alimentations :danse: :danse: :danse: :danse:
une bonne galère mais soulagé d'avoir trouvé.
un grand merci à tous.
PS:oui c'est bien sur ma charleston de juillet 1981
- renato13
- Docteur deuchiste

- Messages : 11515
- Enregistré le : 26 juil. 2011, 10:41
- Ma deuche : azlp grise 1960
- Date de naissance : 06 nov. 1955
- Localisation : istres
Re: court circuit eclairage et feux stop 2cv
- Le_solognot_41
- Docteur deuchiste

- Messages : 941
- Enregistré le : 25 juil. 2019, 10:15
- Ma deuche : 2cv type AZA
- Date de naissance : 01 févr. 1974
- Localisation : sud du loir et cher
Re: court circuit eclairage et feux stop 2cv résolu
bravo tu as résolu ton problème !
mais ce serait bon d'analyser un peu le schéma pour voir ce qu'il se passait vraiment, ça peut servir pour d'autre.
mais ce serait bon d'analyser un peu le schéma pour voir ce qu'il se passait vraiment, ça peut servir pour d'autre.
- Deuchémoi
- Docteur deuchiste

- Messages : 17144
- Enregistré le : 19 sept. 2009, 17:09
- Ma deuche : 2cv6 Spécial AZKA Bleue céleste 11/87
- Date de naissance : 30 oct. 1968
- Localisation : Vitrolles (13) ... au soleil !!!
Re: court circuit eclairage et feux stop 2cv résolu
Bha ... il me semble qu'il a trouvé ce qui se passait :Le_solognot_41 a écrit : mais ce serait bon d'analyser un peu le schéma pour voir ce qu'il se passait vraiment, ça peut servir pour d'autre.
Guillaume77 a écrit :j'ai donc retirer le scotch en partant de la boite de fusible et au bout de 5 cm j'ai trouvé deux cbles verts avec une legere dechirure qui se touchait tres legerement.
Pas de demande d'aide mécanique en Message Privé. Toutes les demandes se font dans les salons publics. Merci !
/¯\(°\=/°)... Ma présentation
2cv6 Spécial AZKA Bleue céleste 11/87
- Le_solognot_41
- Docteur deuchiste

- Messages : 941
- Enregistré le : 25 juil. 2019, 10:15
- Ma deuche : 2cv type AZA
- Date de naissance : 01 févr. 1974
- Localisation : sud du loir et cher
Re: court circuit eclairage et feux stop 2cv résolu
ce que je voulais dire c'est suivre le courant sur un schéma, j'en trouverai bien un dans un bouquin.Deuchémoi a écrit :Bha ... il me semble qu'il a trouvé ce qui se passait :Le_solognot_41 a écrit : mais ce serait bon d'analyser un peu le schéma pour voir ce qu'il se passait vraiment, ça peut servir pour d'autre.Guillaume77 a écrit :j'ai donc retirer le scotch en partant de la boite de fusible et au bout de 5 cm j'ai trouvé deux cbles verts avec une legere dechirure qui se touchait tres legerement.
on s'amuse comme on peut
- GUILLAUME77
- Nouveau deuchiste

- Messages : 15
- Enregistré le : 17 juin 2019, 14:12
- Ma deuche : 2CV CHARLESTON ET MEHARI
- Date de naissance : 21 déc. 1967
- Localisation : conde ste libiaire
- Âge : 58
Re: court circuit eclairage et feux stop 2cv résolu
Comme tu l'a remarqué je suis loin loin d'etre un expert en electricité mais je vais essayer de decrire ce que j'ai vu. Le fil qui envoi le plus est vert est provient du fusible haut de la boite. il est rentré en contact dans le faisceau avec un fil vert aussi mais qui se connecte un peu plus loin avec un fil grisLe_solognot_41 a écrit :ce que je voulais dire c'est suivre le courant sur un schéma, j'en trouverai bien un dans un bouquin.Deuchémoi a écrit :Bha ... il me semble qu'il a trouvé ce qui se passait :Le_solognot_41 a écrit : mais ce serait bon d'analyser un peu le schéma pour voir ce qu'il se passait vraiment, ça peut servir pour d'autre.Guillaume77 a écrit :j'ai donc retirer le scotch en partant de la boite de fusible et au bout de 5 cm j'ai trouvé deux cbles verts avec une legere dechirure qui se touchait tres legerement.
on s'amuse comme on peut
voila voila
guillaume
- Le_solognot_41
- Docteur deuchiste

- Messages : 941
- Enregistré le : 25 juil. 2019, 10:15
- Ma deuche : 2cv type AZA
- Date de naissance : 01 févr. 1974
- Localisation : sud du loir et cher
Re: court circuit eclairage et feux stop 2cv résolu
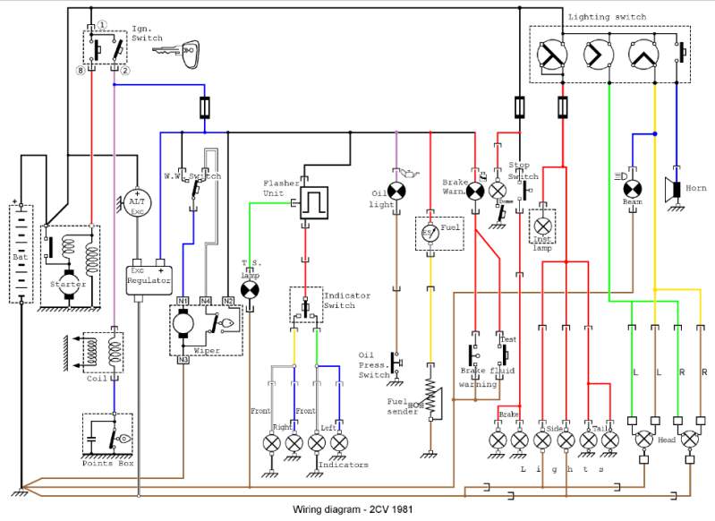
je ne suis pas un expert non plus ! et puis maintenant c'est carrément de l’électronique complexe dans les voitures :langue1:
voici un schéma :
si le problème se trouvait avant le contacteur de stop
alors pas de feux de stop allumés quand tu mets les veilleuses,
par contre si après le contacteur, alors tu alimentes aussi les stops, sans passer par leur fusible,
tout le courant passant alors par le fusible des veilleuses, qui fait peut être son travail de protection en fondant devant trop de puissance.
mais ça explique pas tout ...
( sur ce plan on dirait que les stops marche même contacts ( clé ) éteints :shock: j’espère qu'il n'est pas archi-faux )
voici un schéma :
donc chez toi il y avait un contact entre le fil noir des stops et le rouge des veilleuses, juste en dessous des 2 fusibles en haut à droite.
si le problème se trouvait avant le contacteur de stop
alors pas de feux de stop allumés quand tu mets les veilleuses,
par contre si après le contacteur, alors tu alimentes aussi les stops, sans passer par leur fusible,
tout le courant passant alors par le fusible des veilleuses, qui fait peut être son travail de protection en fondant devant trop de puissance.
mais ça explique pas tout ...
( sur ce plan on dirait que les stops marche même contacts ( clé ) éteints :shock: j’espère qu'il n'est pas archi-faux )
- Nancy Boy
- Nouveau deuchiste

- Messages : 35
- Enregistré le : 02 juin 2016, 15:19
- Ma deuche : 2CV 6 Spécial - 1987
- Date de naissance : 16 oct. 1979
- Localisation : Amay - Belgique
Re: court circuit eclairage et feux stop 2cv résolu
Tant mieux si tu as résolu ton problème.
S'il te faut un schéma compréhensible, tu en trouveras un ici: http://www.nobug.be/2CV/Technique.html
S'il te faut un schéma compréhensible, tu en trouveras un ici: http://www.nobug.be/2CV/Technique.html
- Le_solognot_41
- Docteur deuchiste

- Messages : 941
- Enregistré le : 25 juil. 2019, 10:15
- Ma deuche : 2cv type AZA
- Date de naissance : 01 févr. 1974
- Localisation : sud du loir et cher
Re: court circuit eclairage et feux stop 2cv résolu
merci pour le lien.Nancy Boy a écrit :Tant mieux si tu as résolu ton problème.
S'il te faut un schéma compréhensible, tu en trouveras un ici: http://www.nobug.be/2CV/Technique.html