Bonjour à tous
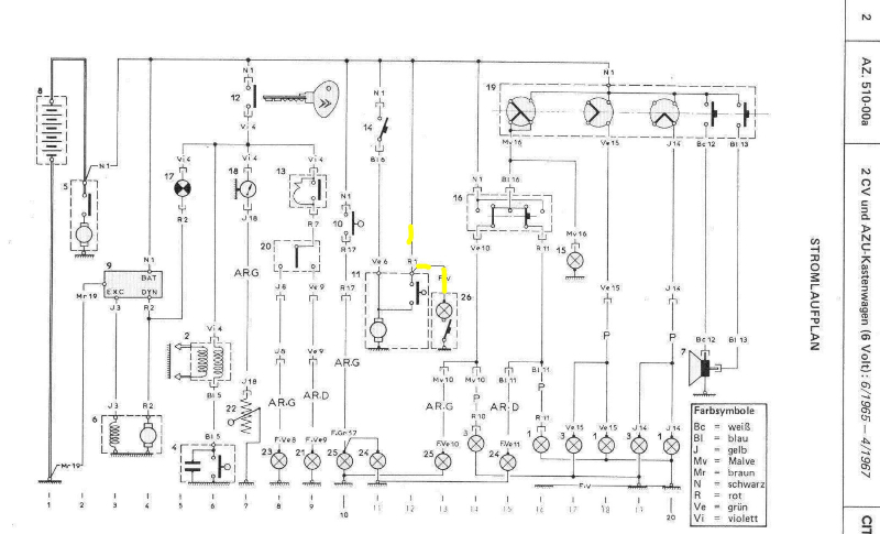
J'ai réalisé les schémas de principe et de câblage de l'AZAM Export (6 volts) à partir de données collectées sur le net.
Le schéma de l'AZAM classique doit être le même sauf qu'il n'y a pas les clignotants à l'avant.
2 remarques:
Certains fils changent de couleur dans le faisceau, on n'a pas la même couleur au départ et à l'arrivée sur certains circuits.
Il n'y a pas de fusibles, est ce spécifique à l'AZAM Export ou sont ils apparus plus tard ?
Sur les schémas de câblage qu'on trouve habituellement on a les entrées et les sorties de fil dans le faisceau, pas toujours facile à retrouver.
Dans celui ci on peut suivre le fil dans le faisceau, les couleurs sont en principe respectées.
Si vous trouvez des erreur n'hésitez pas de me le dire, je corrigerai.
En espérant que ça puisse aider.
2 CV Schémas électrique
Modérateurs : Deuchémoi, zamzam, Eric13190
- amideuche
- Deuchiste intéressé

- Messages : 65
- Enregistré le : 21 mai 2020, 09:29
- Ma deuche : 2cv6 Spécial de 82, restauration en cours
- Date de naissance : 16 déc. 1961
- Localisation : Pas de Calais
2 CV Schémas électrique
- Fichiers joints
-
- 2cv-AZAM Export-1967-Schéma de câblage-Amideuche.pdf
- (130.66 Kio) Téléchargé 681 fois
-
- 2cv-AZAM Export-1967-Schéma de principe-Amideuche.pdf
- (120.42 Kio) Téléchargé 526 fois
- Le_solognot_41
- Docteur deuchiste

- Messages : 944
- Enregistré le : 25 juil. 2019, 10:15
- Ma deuche : 2cv type AZA
- Date de naissance : 01 févr. 1974
- Localisation : sud du loir et cher
Re: 2 CV Schémas électrique
bravo !

- admin
- Webmaster

- Messages : 5633
- Enregistré le : 25 juin 2007, 21:53
- Ma deuche : 2CV Charleston 1974 / 2CV AZAM 1964 / 2CV 6 1975 / 2CV AZLP 1959
- Date de naissance : 25 mai 1988
- Localisation : 86
- Âge : 38
Re: 2 CV Schémas électrique
Excellent ! Je ne suis pas assez qualifiée pour te dire s'il y a des erreurs mais chapeau, c'est du sacré boulot.

AL
http://2cv-legende.com
2cvlegende@gmail.com
Boutique produits 100% 2CV : http://2cv-legende.com/boutique-2cv-legende-teeshirt
http://2cv-legende.com
2cvlegende@gmail.com
Boutique produits 100% 2CV : http://2cv-legende.com/boutique-2cv-legende-teeshirt
- Fredjojo
- Docteur deuchiste

- Messages : 1317
- Enregistré le : 28 mai 2017, 20:13
- Ma deuche : 2CV AZA1966 ENAC
- Date de naissance : 30 nov. 1963
- Localisation : Bois-Colombes // Bar Le Duc 55000
2 CV Schémas électrique
Je crois 1 erreur mais pas verifié , il me semble que la borne principale eg est en permanent batterie car le schema d origine de l azam connecte l eclairage interieur sur cette borne
Tous les points de connections sont dans les pdf azam76
Ce qui n est pas flagrant non plus c les 3 fils de masse a tirer
Celle de la jauge couleur verte je crois
Celle de la boite au regu directe couleur jaune
Celle du reniflard a la barre de phare couleur jaune
Tous les points de connections sont dans les pdf azam76
Ce qui n est pas flagrant non plus c les 3 fils de masse a tirer
Celle de la jauge couleur verte je crois
Celle de la boite au regu directe couleur jaune
Celle du reniflard a la barre de phare couleur jaune
- Fredjojo
- Docteur deuchiste

- Messages : 1317
- Enregistré le : 28 mai 2017, 20:13
- Ma deuche : 2CV AZA1966 ENAC
- Date de naissance : 30 nov. 1963
- Localisation : Bois-Colombes // Bar Le Duc 55000
Re: 2 CV Schémas électrique
Apres 04/67 le moteur eg n'est plus en permanent , mais le plafonnier oui sur le bouton eclairage de parking
- amideuche
- Deuchiste intéressé

- Messages : 65
- Enregistré le : 21 mai 2020, 09:29
- Ma deuche : 2cv6 Spécial de 82, restauration en cours
- Date de naissance : 16 déc. 1961
- Localisation : Pas de Calais
Re: 2 CV Schémas électrique
Merci pour vos réponses, c'est très intéressant.
Je pensais que la différence de fonctionnement de l'arrêt de l'essuie glace était lié au modèle (entre AZAM et AZAM Export) mais d'après les échanges ce serait plutôt du à l'année.
Avant avril 67 retour automatique en position de départ si coupure du contact avec essuies glace en fonctionnement, après avril 67 arrêt dans la position, sans retour automatique. Pour qu'il y ait retour automatique il faut laisser le contact et éteindre l'interrupteur EG.
J'ai regardé un schéma des modèles après 81 c' était encore comme ça, je pense que Citroen a du conserver ce principe jusqu'à la fin de production.
Je pensais que la différence de fonctionnement de l'arrêt de l'essuie glace était lié au modèle (entre AZAM et AZAM Export) mais d'après les échanges ce serait plutôt du à l'année.
Avant avril 67 retour automatique en position de départ si coupure du contact avec essuies glace en fonctionnement, après avril 67 arrêt dans la position, sans retour automatique. Pour qu'il y ait retour automatique il faut laisser le contact et éteindre l'interrupteur EG.
J'ai regardé un schéma des modèles après 81 c' était encore comme ça, je pense que Citroen a du conserver ce principe jusqu'à la fin de production.
- amideuche
- Deuchiste intéressé

- Messages : 65
- Enregistré le : 21 mai 2020, 09:29
- Ma deuche : 2cv6 Spécial de 82, restauration en cours
- Date de naissance : 16 déc. 1961
- Localisation : Pas de Calais
Re: 2 CV Schémas électrique
Merci FredjojoFredjojo a écrit :Je crois 1 erreur mais pas verifié , il me semble que la borne principale eg est en permanent batterie car le schema d origine de l azam connecte l eclairage interieur sur cette borne
Tous les points de connections sont dans les pdf azam76
Ce qui n est pas flagrant non plus c les 3 fils de masse a tirer
Celle de la jauge couleur verte je crois
Celle de la boite au regu directe couleur jaune
Celle du reniflard a la barre de phare couleur jaune
Capturesch.JPG
Je savais qu'il y avait un fil de masse sur le régul et la jauge mais pour le reniflard, il sert à quoi ?
Je suppose que c'est pour éviter un effet électrolyse.
Les couleurs de fils peuvent aussi changer apparemment, j'aurais cru que les masses étaient toujours en marron, il y a aussi du jaune ?
Vivement que j'ai la mienne pour découvrir tout ça.
Je m'aperçois aussi que sur les plus anciennes il y a 2 poussoirs de commande du klaxon.
Il y avait 2 positions: appuis modéré avertissement faible, appui fort avertissement fort ? C'est bien comme ça qu'il faut le comprendre ?
- Fredjojo
- Docteur deuchiste

- Messages : 1317
- Enregistré le : 28 mai 2017, 20:13
- Ma deuche : 2CV AZA1966 ENAC
- Date de naissance : 30 nov. 1963
- Localisation : Bois-Colombes // Bar Le Duc 55000
Re: 2 CV Schémas électrique
ameliorer la masse sur la barre de phare via vis reniflard bloc moteur.
2 klaxons sur ancienne Klaxon ville et klaxon " campagne " il faut appuyer plus fort sur le commodo pour le 2 eme voir en quelle annee ca disparait moi en AZA 66 1 seul klaxon
2 klaxons sur ancienne Klaxon ville et klaxon " campagne " il faut appuyer plus fort sur le commodo pour le 2 eme voir en quelle annee ca disparait moi en AZA 66 1 seul klaxon
- amideuche
- Deuchiste intéressé

- Messages : 65
- Enregistré le : 21 mai 2020, 09:29
- Ma deuche : 2cv6 Spécial de 82, restauration en cours
- Date de naissance : 16 déc. 1961
- Localisation : Pas de Calais
Re: 2 CV Schémas électrique
BonjourFredjojo a écrit :ameliorer la masse sur la barre de phare via vis reniflard bloc moteur.
2 klaxons sur ancienne Klaxon ville et klaxon " campagne " il faut appuyer plus fort sur le commodo pour le 2 eme voir en quelle annee ca disparait moi en AZA 66 1 seul klaxon
Je pensais qu'on amenait une masse au reniflard, je n'en comprenais pas l’intérêt mais en fait c'est l'inverse, on pique une bonne masse sur le bloc pour alimenter les phares. C'est plus clair pour moi.
J'ai fait des recherches pour le klaxon:
A priori Citroen a monté 2 klaxons, 1 ville et 1 route, à partir de janvier 56 jusqu'en juillet 62 où les 2 klaxons ont été remplacés par un seul avec 2 tonalités, ils ont 2 cosses + et la masse.
Ca voudrait dire que certaines AZ, les AZL et les AZLP produites jusque juillet 62 ont été équipées du double klaxon et que les AZLP entre aout 62 et la fin de leur production ont été équipées du klaxon unique à 2 niveaux de puissance.
Ce serait avec la sortie de l'AZAM en mars 63 que Citroen l' aurait abandonné
Tout ça reste à vérifier mais c'est en étudiant ton schéma que je me suis rendu compte de cette particularité que je ne connaissais pas.
- Fredjojo
- Docteur deuchiste

- Messages : 1317
- Enregistré le : 28 mai 2017, 20:13
- Ma deuche : 2CV AZA1966 ENAC
- Date de naissance : 30 nov. 1963
- Localisation : Bois-Colombes // Bar Le Duc 55000
Re: 2 CV Schémas électrique
Je pense juste par simple économie ou un changement de loi ? , le klaxon unique n'a pas 2 niveaux de puissance , c'est un simple electro aimant a rupteur qui vibre contre une membrane , il y a une vis qui contraint la membrane pour le réglage enfin de mémoire .....