panne electrique du tableau de bord intermitente sur 2cv azka 81
Modérateurs : Deuchémoi, zamzam, Eric13190
- asr29
- Nouveau deuchiste

- Messages : 7
- Enregistré le : 01 déc. 2024, 11:04
- Ma deuche : 2cv AZKA
- Date de naissance : 07 janv. 1981
- Localisation : centre bretagne
panne electrique du tableau de bord intermitente sur 2cv azka 81
Bonjour a tous
2CV AZKA de 1981. faisceau électrique neuf.
j'ai un probleme depuis environ 6 mois de pannes electriques intermittentes avec mon tableau de bord. au début clignotant droit qui fonctionne plus changer l'ampoule vérifié câblage et masse, puis le fusible grillait régulierement au démarrage, j'ai démonté le tableau de bord et défait la tresse électrique en espérant trouver un fils dénudé RIEN. mais comme j'ai bougé beaucoup de choses depuis le fusible ne saute plus.
Mais maintenant c'est l'alimentation electrique du tableau de bord et de tout ce qui est en relation ( essuis glace, clignotant....) qui est aléatoire je ne sais plus ou chercher
le neiman peut il etre coupable ???
Avez vous une idée sur ce sujet ?
cordialement
MLB
2CV AZKA de 1981. faisceau électrique neuf.
j'ai un probleme depuis environ 6 mois de pannes electriques intermittentes avec mon tableau de bord. au début clignotant droit qui fonctionne plus changer l'ampoule vérifié câblage et masse, puis le fusible grillait régulierement au démarrage, j'ai démonté le tableau de bord et défait la tresse électrique en espérant trouver un fils dénudé RIEN. mais comme j'ai bougé beaucoup de choses depuis le fusible ne saute plus.
Mais maintenant c'est l'alimentation electrique du tableau de bord et de tout ce qui est en relation ( essuis glace, clignotant....) qui est aléatoire je ne sais plus ou chercher
le neiman peut il etre coupable ???
Avez vous une idée sur ce sujet ?
cordialement
MLB
- Alex 46
- Docteur deuchiste

- Messages : 1610
- Enregistré le : 28 juin 2024, 10:42
- Ma deuche : 2cv6
- Date de naissance : 24 juin 1972
- Localisation : Nouvelle Aquitaine
Re: panne electrique du tableau de bord intermitente
Bonjour
Le faisceau est neuf, mais la boîte à fusibles est -elle neuve ? Il y a possibilité de faux contact avec des connexions oxydées anciennes
C'est quand même étonnant avec un faisceau neuf.
Du coup cela réduit la recherche de panne.
Revoir à nouveau les masses.
Nettoyage des connections qui n'ont pas étaient remplacées.
Le faisceau est neuf, mais la boîte à fusibles est -elle neuve ? Il y a possibilité de faux contact avec des connexions oxydées anciennes
C'est quand même étonnant avec un faisceau neuf.
Du coup cela réduit la recherche de panne.
Revoir à nouveau les masses.
Nettoyage des connections qui n'ont pas étaient remplacées.
- Deuchémoi
- Docteur deuchiste

- Messages : 17099
- Enregistré le : 19 sept. 2009, 17:09
- Ma deuche : 2cv6 Spécial AZKA Bleue céleste 11/87
- Date de naissance : 30 oct. 1968
- Localisation : Vitrolles (13) ... au soleil !!!
Re: panne electrique du tableau de bord intermitente
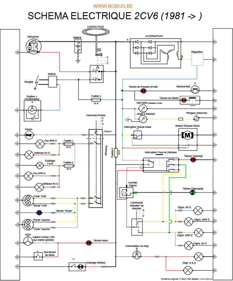
Si je comprends bien, depuis que tu as démonté et déconnecté ton TdB, rien ne va plus. J'en conclurai que quelque chose ne va pas dans le remontage. Du coup, je reprendrai toute la connexion, en suivant le schéma électrique correspondant à ta deuche :

Pas de demande d'aide mécanique en Message Privé. Toutes les demandes se font dans les salons publics. Merci !
/¯\(°\=/°)... Ma présentation
2cv6 Spécial AZKA Bleue céleste 11/87
- asr29
- Nouveau deuchiste

- Messages : 7
- Enregistré le : 01 déc. 2024, 11:04
- Ma deuche : 2cv AZKA
- Date de naissance : 07 janv. 1981
- Localisation : centre bretagne
Re: panne electrique du tableau de bord intermitente
Merci pour vos réponses
tout le circuit électrique est neuf boite de fusible compris sauf le neimam et elle a bien fonctionner depuis 2021.
la panne électrique existait avant que je touche au TDB mais c'était le fusible qui sautait c'est pour ca que je pensais avoir un fils en contact avec la masse a l'entrée dans l'habitacle mais j'ai rien vu tout est propre
J'ai bien isolé avec du scotch les connections inutiles qui existaient dans la tresse qui arrivaient dans le TDB.
le fusible est neuf bien tenu
les 2 cables qui partent sont intact jusqu'a la destination.
il faut peut etre que je remonte vers la batterie ? mais la aussi ca semble propre
est ce qu'une connexion défectueuse sur un appareil du tableau de bord (clignotant, essuis glace, gicleur d'eau...) peut couper la total ?
Cordialement
MLB
tout le circuit électrique est neuf boite de fusible compris sauf le neimam et elle a bien fonctionner depuis 2021.
la panne électrique existait avant que je touche au TDB mais c'était le fusible qui sautait c'est pour ca que je pensais avoir un fils en contact avec la masse a l'entrée dans l'habitacle mais j'ai rien vu tout est propre
J'ai bien isolé avec du scotch les connections inutiles qui existaient dans la tresse qui arrivaient dans le TDB.
le fusible est neuf bien tenu
les 2 cables qui partent sont intact jusqu'a la destination.
il faut peut etre que je remonte vers la batterie ? mais la aussi ca semble propre
est ce qu'une connexion défectueuse sur un appareil du tableau de bord (clignotant, essuis glace, gicleur d'eau...) peut couper la total ?
Cordialement
MLB
- Deuchémoi
- Docteur deuchiste

- Messages : 17099
- Enregistré le : 19 sept. 2009, 17:09
- Ma deuche : 2cv6 Spécial AZKA Bleue céleste 11/87
- Date de naissance : 30 oct. 1968
- Localisation : Vitrolles (13) ... au soleil !!!
Re: panne electrique du tableau de bord intermitente
Je me rends compte que le plan que j'ai mis n'ai pas forcément très clair et lisible.
J'en remets un autre.
Qu'appelles-tu "gicleur d'eau" ? La pompe du lave-glace ?
Un point précis sur ce qui fonctionne et ce qui ne fonctionne pas, permettrai peut-être de localiser la panne, ou tout du moins la partie du circuit qui merdouille ...
J'en remets un autre.
Un point précis sur ce qui fonctionne et ce qui ne fonctionne pas, permettrai peut-être de localiser la panne, ou tout du moins la partie du circuit qui merdouille ...
Pas de demande d'aide mécanique en Message Privé. Toutes les demandes se font dans les salons publics. Merci !
/¯\(°\=/°)... Ma présentation
2cv6 Spécial AZKA Bleue céleste 11/87
- Alex 46
- Docteur deuchiste

- Messages : 1610
- Enregistré le : 28 juin 2024, 10:42
- Ma deuche : 2cv6
- Date de naissance : 24 juin 1972
- Localisation : Nouvelle Aquitaine
Re: panne electrique du tableau de bord intermitente
est ce qu'une connexion défectueuse sur un appareil du tableau de bord (clignotant, essuis glace, gicleur d'eau...) peut couper la total ?
Non si tu as un problème au clignotant les phares fonctionnent et inversement, ce n'est pas le même circuit.
Tu définis la panne comme coupure d'alimentation du tableau de bord mais si le tableau de bord n'est plus alimenté plus rien ne marche et la voiture ne démarre plus.Si il y a alimentation tout est alimenté et le problème alors provient des mises à la masses.
- asr29
- Nouveau deuchiste

- Messages : 7
- Enregistré le : 01 déc. 2024, 11:04
- Ma deuche : 2cv AZKA
- Date de naissance : 07 janv. 1981
- Localisation : centre bretagne
Re: panne electrique du tableau de bord intermitente sur 2cv azka 81
Merci pour vos 2 réponses et shéma.
pour le shéma problème nouveau faisceau installé en 2020 a mon avis commun a plusieurs 2CV car plusieurs arrivées dans le tableau de bord inutile
de plus l'ancien propriétaire avait fait installé un coupe circuit antivol sur ce reseau électrique, je l'ai théoriquement shinté
alors elle démarre a tout les coups sans problème
ce qui fonctionne par intermittence
- les clignotant
- le lave glace
- l'essui glace
- le voyant rouge contact
- la jauge d'essence
le reste fonctionne
les phares
les feux de détresse
la lumiere intérieur
j'ai verifier la masse du tableau bord
le fusible est bien fixé
le neiman est d'origine a t'il une influence électrique sur le réseau défectueux ?
je suis a votre écoute pour tous idées qui me sortirait de ce petit souci
elle roule mais dangereux sans clignotant et en bretagne pas d'essuis glace COMPLIQUE
))))
a plus
MLB
pour le shéma problème nouveau faisceau installé en 2020 a mon avis commun a plusieurs 2CV car plusieurs arrivées dans le tableau de bord inutile
de plus l'ancien propriétaire avait fait installé un coupe circuit antivol sur ce reseau électrique, je l'ai théoriquement shinté
alors elle démarre a tout les coups sans problème
ce qui fonctionne par intermittence
- les clignotant
- le lave glace
- l'essui glace
- le voyant rouge contact
- la jauge d'essence
le reste fonctionne
les phares
les feux de détresse
la lumiere intérieur
j'ai verifier la masse du tableau bord
le fusible est bien fixé
le neiman est d'origine a t'il une influence électrique sur le réseau défectueux ?
je suis a votre écoute pour tous idées qui me sortirait de ce petit souci
elle roule mais dangereux sans clignotant et en bretagne pas d'essuis glace COMPLIQUE
a plus
MLB
- Deuchémoi
- Docteur deuchiste

- Messages : 17099
- Enregistré le : 19 sept. 2009, 17:09
- Ma deuche : 2cv6 Spécial AZKA Bleue céleste 11/87
- Date de naissance : 30 oct. 1968
- Localisation : Vitrolles (13) ... au soleil !!!
Re: panne electrique du tableau de bord intermitente sur 2cv azka 81
Jusque là, c'est normal ! Tu peux donc l'enlever de ta liste !
Ok, ne me cherche pas, je suis suis déjà dehors ...
Pas de demande d'aide mécanique en Message Privé. Toutes les demandes se font dans les salons publics. Merci !
/¯\(°\=/°)... Ma présentation
2cv6 Spécial AZKA Bleue céleste 11/87
- Deuchémoi
- Docteur deuchiste

- Messages : 17099
- Enregistré le : 19 sept. 2009, 17:09
- Ma deuche : 2cv6 Spécial AZKA Bleue céleste 11/87
- Date de naissance : 30 oct. 1968
- Localisation : Vitrolles (13) ... au soleil !!!
Re: panne electrique du tableau de bord intermitente sur 2cv azka 81
Plus sérieusement, tout ce que tu décris se trouve sur la droite du 2ème schéma. Il faudrait voir le point commun !
Un mauvais contact en sortie de fusible, par exemple ...
Un mauvais contact en sortie de fusible, par exemple ...
Pas de demande d'aide mécanique en Message Privé. Toutes les demandes se font dans les salons publics. Merci !
/¯\(°\=/°)... Ma présentation
2cv6 Spécial AZKA Bleue céleste 11/87
- Eric13190
- Docteur deuchiste

- Messages : 9553
- Enregistré le : 01 janv. 2020, 15:10
- Ma deuche : 2 cv6 club 1976
- Date de naissance : 04 sept. 1973
- Localisation : Allauch
- Âge : 52
Re: panne electrique du tableau de bord intermitente sur 2cv azka 81
Salut.
J'ai eu pas mal de petits soucis électriques ces derniers temps (qui semblent réglés mais bon avec la "fée électricité" on sait jamais: chipie).
Il semble que cela venait de ma boîte à fusibles dont les contacts ne se faisaient pas bien avec le faisceau, résultat, voiture en carafe, fusible qui "pète" au redémarrage de façon répétés, fuite électrique...
Depuis j'ai refait les connexions sur le circuit concerné (bleu) sur la boîte à fusibles, j'ai remis un fusible 16A car vu la difficulté à les trouver ces petits pères, j'avais mis des 15A (:non: ça pète).
Depuis ça semble bon. Je vais tout de même devoir chercher le pourquoi mais je
.
J'ai eu pas mal de petits soucis électriques ces derniers temps (qui semblent réglés mais bon avec la "fée électricité" on sait jamais: chipie).
Il semble que cela venait de ma boîte à fusibles dont les contacts ne se faisaient pas bien avec le faisceau, résultat, voiture en carafe, fusible qui "pète" au redémarrage de façon répétés, fuite électrique...
Depuis j'ai refait les connexions sur le circuit concerné (bleu) sur la boîte à fusibles, j'ai remis un fusible 16A car vu la difficulté à les trouver ces petits pères, j'avais mis des 15A (:non: ça pète).
Depuis ça semble bon. Je vais tout de même devoir chercher le pourquoi mais je
"La 2cv est une des rares voiture où l'important reste la personne". Quino

- asr29
- Nouveau deuchiste

- Messages : 7
- Enregistré le : 01 déc. 2024, 11:04
- Ma deuche : 2cv AZKA
- Date de naissance : 07 janv. 1981
- Localisation : centre bretagne
Re: panne electrique du tableau de bord intermitente sur 2cv azka 81
un peu d'humour pour commencé la journéeJusque là, c'est normal ! Tu peux donc l'enlever de ta liste !
pour la boite a fusible j'ai resserrer tout hier. que neni
c'est vraiment rageant tu met la clé ca fonctionne et HOP plus rien les vibration de la voiture ?
He oui je suis d'accord pour la droite du shema qui sur le papier parait simple mais dans le spaghetti des fils et l'étroitesse du TDB c'est plus compliqué et a force de trifouiller ben je vois plus rien
ZUT
je vais revenir sur l'avant et les cables et connexion qui mènent aux clignotant claxon ect
je l'aurai je l'aurai mais quand ????
a plus
MLB