Allumage Feux stop sans contact sur ma 2cv

Clignotants, alternateurs, allumage électronique, panne d'essuie-glaces, batterie qui fuit, tension batterie, point de masse, remontage des faisceaux, branchement de la bobine, phares...

Modérateurs : Deuchémoi, Eric13190

Répondre
Avatar du membre
Dag
Nouveau deuchiste
Nouveau deuchiste
Messages : 33
Enregistré le : 27 juin 2022, 16:29
Ma deuche : 2cv6 club
Date de naissance : 10 août 1982
Localisation : 91

Allumage Feux stop sans contact sur ma 2cv

Message par Dag »

Bonjour,

Mes feux stop s'allument lorsque que je freine contact coupé. Est-ce normal?

Merci.


Avatar du membre
Filofax
Docteur deuchiste
Docteur deuchiste
Messages : 1746
Enregistré le : 08 juin 2018, 16:09
Ma deuche : 2CV6 Spéciale AZKA 1986
Date de naissance : 31 mai 1970
Localisation : Près de Brest

Re: Allumage Feux stop sans contacte

Message par Filofax »

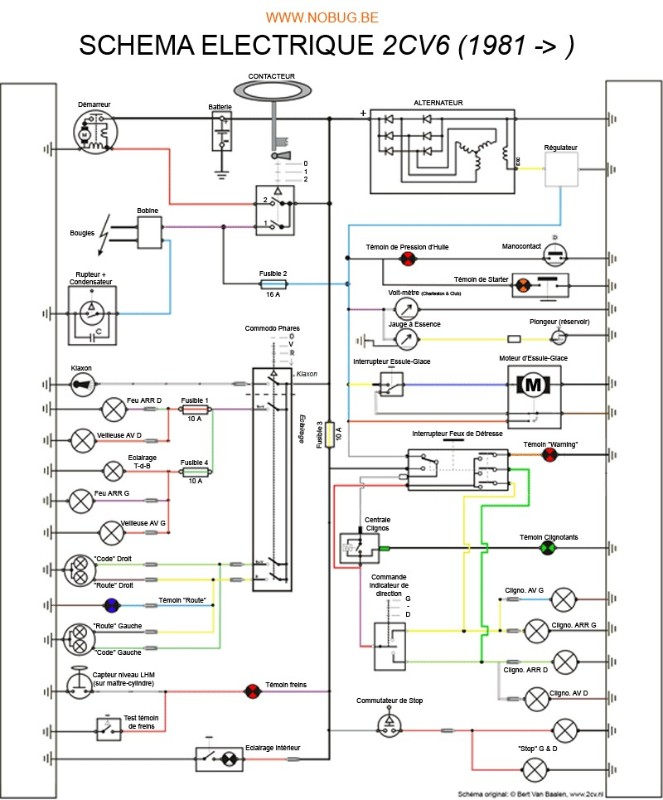
Oui, c'est tout à fait normal.
pour les 2cv après 1981, les feux stop sont reliés à un fusible (couleur jaune) qui est branché directement à la batterie et ne passe pas par le contacteur.
Schema Electrique 2cv6.jpg
Avatar du membre
CHARLYSTONE
Docteur deuchiste
Docteur deuchiste
Messages : 7374
Enregistré le : 27 févr. 2018, 14:52
Ma deuche : 2cv charleston de 06. 1990 2cv6 04.1983
Date de naissance : 30 avr. 1958
Localisation : 38 pres de bourgoin jallieu

Re: Allumage Feux stop sans contacte

Message par CHARLYSTONE »

+1 :pouce: tes feux stop sont alimentés par un plus +permanent ou plus avant contact :salut:
Avatar du membre
Dag
Nouveau deuchiste
Nouveau deuchiste
Messages : 33
Enregistré le : 27 juin 2022, 16:29
Ma deuche : 2cv6 club
Date de naissance : 10 août 1982
Localisation : 91

Re: Allumage Feux stop sans contacte

Message par Dag »

Hello,

Merci pour l’info! :wink:
Répondre
www.piecesauto-pro.fr