[Résolu]Encore un soucis de clignotants avec ma 2CV - plus de clic clic mais les warnings fonctionnent
Modérateurs : Deuchémoi, zamzam, Eric13190
- v1nz59
- Nouveau deuchiste

- Messages : 9
- Enregistré le : 04 mai 2023, 22:45
- Ma deuche : Dolly 1986
- Date de naissance : 28 nov. 1981
- Localisation : Suisse - Morges
[Résolu]Encore un soucis de clignotants avec ma 2CV - plus de clic clic mais les warnings fonctionnent
Bonjour à tous,
Je sais qu'il y a déjà eu pas mal de sujets sur ce forum, mais après lecture de ceux ci, je bloque toujours sur mon soucis de clignotants. (Dolly de 1986)
En effet depuis hier, plus de clignotants (gauche, droite, avant, arrière), plus de bruit (clic clic clic).
Par contre les warnings fonctionnent (ils clignotent, moteur allumé ou éteint), ainsi que mes essuis glaces et lumière d'ambiance intérieure (donc pas un soucis de fusible)
J'ai contrôlé le commodo de clignotant qui semble OK, pas de fil tiré.
Pas facile de démonter tout le tableau de bord, car les fils sont ultras serrés avec peu de marge.
sans doute un soucis entre le commodo et le bouton de warning ?
Si vous avez une idée ? je suis preneur
Je sais qu'il y a déjà eu pas mal de sujets sur ce forum, mais après lecture de ceux ci, je bloque toujours sur mon soucis de clignotants. (Dolly de 1986)
En effet depuis hier, plus de clignotants (gauche, droite, avant, arrière), plus de bruit (clic clic clic).
Par contre les warnings fonctionnent (ils clignotent, moteur allumé ou éteint), ainsi que mes essuis glaces et lumière d'ambiance intérieure (donc pas un soucis de fusible)
J'ai contrôlé le commodo de clignotant qui semble OK, pas de fil tiré.
Pas facile de démonter tout le tableau de bord, car les fils sont ultras serrés avec peu de marge.
sans doute un soucis entre le commodo et le bouton de warning ?
Si vous avez une idée ? je suis preneur
- Lolodubalaou
- Docteur deuchiste

- Messages : 1946
- Enregistré le : 17 nov. 2022, 22:04
- Ma deuche : 2cv Sausss Ente
- Date de naissance : 10 nov. 1956
- Localisation : Golfe du Morbihan
Re: Encore un soucis de clignotants
Oh oui, moi, j'ai plein d'idées !!!
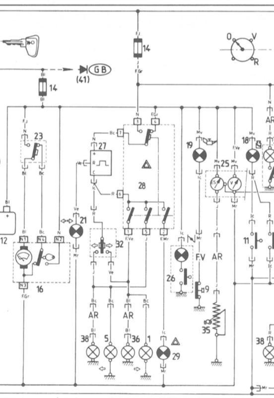
Car tout est là ! 1 - tu localises ta centrale clignotant et tu nous dis si tu as du +12V sur le fil noir qui arrive à ta centrale, après contact mis par la clé ?
Pas besoin de faire marcher les clignotants et/ou les warnings ...
J'attends ta réponse pour continuer ...;
Laurent
Car tout est là ! 1 - tu localises ta centrale clignotant et tu nous dis si tu as du +12V sur le fil noir qui arrive à ta centrale, après contact mis par la clé ?
Pas besoin de faire marcher les clignotants et/ou les warnings ...
J'attends ta réponse pour continuer ...;
Laurent
- v1nz59
- Nouveau deuchiste

- Messages : 9
- Enregistré le : 04 mai 2023, 22:45
- Ma deuche : Dolly 1986
- Date de naissance : 28 nov. 1981
- Localisation : Suisse - Morges
Re: Encore un soucis de clignotants
Merci @Lolodubalaou
avec la clé de contact tournée : 0v
avec les warning en route : alternance 0v / 10.5v (pas 12v)
avec commodo enclanché : 0v
avec la clé de contact tournée : 0v
avec les warning en route : alternance 0v / 10.5v (pas 12v)
avec commodo enclanché : 0v
- Deuchémoi
- Docteur deuchiste

- Messages : 17058
- Enregistré le : 19 sept. 2009, 17:09
- Ma deuche : 2cv6 Spécial AZKA Bleue céleste 11/87
- Date de naissance : 30 oct. 1968
- Localisation : Vitrolles (13) ... au soleil !!!
Re: Encore un soucis de clignotants
On est d'accord que le passage par la trappe de la batterie donne bien plus d'aisance pour aller mettre les mains (et les yeux !) dans le TdB !
Pas de demande d'aide mécanique en Message Privé. Toutes les demandes se font dans les salons publics. Merci !
/¯\(°\=/°)... Ma présentation
2cv6 Spécial AZKA Bleue céleste 11/87
- Lolodubalaou
- Docteur deuchiste

- Messages : 1946
- Enregistré le : 17 nov. 2022, 22:04
- Ma deuche : 2cv Sausss Ente
- Date de naissance : 10 nov. 1956
- Localisation : Golfe du Morbihan
- Deuchémoi
- Docteur deuchiste

- Messages : 17058
- Enregistré le : 19 sept. 2009, 17:09
- Ma deuche : 2cv6 Spécial AZKA Bleue céleste 11/87
- Date de naissance : 30 oct. 1968
- Localisation : Vitrolles (13) ... au soleil !!!
Re: Encore un soucis de clignotants
Tant que je ne passe pas A la trappe ...Lolodubalaou a écrit : ↑05 mai 2023, 20:35 Il y en a qui auraient une âme de gynécologue ? Ou pire, de gastro-entérologue ....
Pas de demande d'aide mécanique en Message Privé. Toutes les demandes se font dans les salons publics. Merci !
/¯\(°\=/°)... Ma présentation
2cv6 Spécial AZKA Bleue céleste 11/87
- Lolodubalaou
- Docteur deuchiste

- Messages : 1946
- Enregistré le : 17 nov. 2022, 22:04
- Ma deuche : 2cv Sausss Ente
- Date de naissance : 10 nov. 1956
- Localisation : Golfe du Morbihan
Re: Encore un soucis de clignotants
Soyons d'accord !
Les fils qui arrivent à ta centrale, sont bien au nombre de trois (3 cosses sur la centrale) ?
Un fil noir
Un fil vert
Et un fil incolore couplé avec un fil rouge ?
Le +12V, après contact arrive à ta centrale 27, via le contacteur warning 28.
Si contact mis à la clé et contacteur de warning hors fonction, tu n'as pas de +12V, sur le fil noir qui arrive à ta centrale, c'est qu'elle n'est pas alimentée : elle ne peut donc pas fonctionner.
Tu me confirmes bien la couleur des fils qui arrivent à ta centrale à 3 plots ?
Laurent
PS : comme ton commodo de clignotant 32 est après ta centrale, si celle ci n'est pas alimentée, mettre en route ton commodo ne sert à rien ...
- v1nz59
- Nouveau deuchiste

- Messages : 9
- Enregistré le : 04 mai 2023, 22:45
- Ma deuche : Dolly 1986
- Date de naissance : 28 nov. 1981
- Localisation : Suisse - Morges
Re: Encore un soucis de clignotants avec ma 2CV - plus de clic clic mais les warnings fonctionnent
Merci pour les schémas et ton aide Laurent
C’était bien un fil derrière le bouton warning qui avait du jeu. Pas facile de boutiquer dans ce tableau de bord.
Je peux repartir rouler
C’était bien un fil derrière le bouton warning qui avait du jeu. Pas facile de boutiquer dans ce tableau de bord.
Je peux repartir rouler
- Lolodubalaou
- Docteur deuchiste

- Messages : 1946
- Enregistré le : 17 nov. 2022, 22:04
- Ma deuche : 2cv Sausss Ente
- Date de naissance : 10 nov. 1956
- Localisation : Golfe du Morbihan
Re: Encore un soucis de clignotants avec ma 2CV - plus de clic clic mais les warnings fonctionnent
Tant mieux : tu es réparé !
Et je veux bien parier que c'est la cosse 4, sur le warning qui ne faisait plus contact ...
Laurent
PS : l'électricité sur nos deuches, c'est simple .... C'est juste de la rigueur et de la méthode ...

Et je veux bien parier que c'est la cosse 4, sur le warning qui ne faisait plus contact ...
Laurent
PS : l'électricité sur nos deuches, c'est simple .... C'est juste de la rigueur et de la méthode ...
- Deuchémoi
- Docteur deuchiste

- Messages : 17058
- Enregistré le : 19 sept. 2009, 17:09
- Ma deuche : 2cv6 Spécial AZKA Bleue céleste 11/87
- Date de naissance : 30 oct. 1968
- Localisation : Vitrolles (13) ... au soleil !!!
Re: Encore un soucis de clignotants avec ma 2CV - plus de clic clic mais les warnings fonctionnent
A la bonne heure !!
Post passé en "Résolu" !
Pas de demande d'aide mécanique en Message Privé. Toutes les demandes se font dans les salons publics. Merci !
/¯\(°\=/°)... Ma présentation
2cv6 Spécial AZKA Bleue céleste 11/87
- Lolodubalaou
- Docteur deuchiste

- Messages : 1946
- Enregistré le : 17 nov. 2022, 22:04
- Ma deuche : 2cv Sausss Ente
- Date de naissance : 10 nov. 1956
- Localisation : Golfe du Morbihan
Re: [Résolu]Encore un soucis de clignotants avec ma 2CV - plus de clic clic mais les warnings fonctionnent
Grand merci à Deuchémol qui aime bien mettre les mains ou ?
Mais, dans le TdB, bien sûr !!!
Laurent (qui a l'esprit bien carabin ...)
Mais, dans le TdB, bien sûr !!!
Laurent (qui a l'esprit bien carabin ...)
- Deuchémoi
- Docteur deuchiste

- Messages : 17058
- Enregistré le : 19 sept. 2009, 17:09
- Ma deuche : 2cv6 Spécial AZKA Bleue céleste 11/87
- Date de naissance : 30 oct. 1968
- Localisation : Vitrolles (13) ... au soleil !!!
Re: [Résolu]Encore un soucis de clignotants avec ma 2CV - plus de clic clic mais les warnings fonctionnent
Et dans le cambouis !! Mais que sous la houlette d'un sachant !Lolodubalaou a écrit : ↑06 mai 2023, 14:03 Grand merci à Deuchémol qui aime bien mettre les mains ou ?
Mais, dans le TdB, bien sûr !!!
Pas de demande d'aide mécanique en Message Privé. Toutes les demandes se font dans les salons publics. Merci !
/¯\(°\=/°)... Ma présentation
2cv6 Spécial AZKA Bleue céleste 11/87
- demarez69
- Deuchiste intéressé

- Messages : 69
- Enregistré le : 15 nov. 2012, 22:28
- Ma deuche : 2CV6 de 1978
- Date de naissance : 23 juil. 1963
- Localisation : Jonage (69)
Re: Encore un soucis de clignotants
Bonjour à tous,
J'ai exactement le même problème sur ma 2cv6 de 78. Plus de clignotant alors que les warning fonctionnent. A noter que je viens de changer la culasse G (cf. sujet précédent) donc pas mal de démontage, mais pas au niveau du tableau de bord.
Je vais donc essayer de m'inspirer de ces échanges, mais pour commencer, c'est quoi cette trappe de batterie ?
Éric
- CHARLYSTONE
- Docteur deuchiste

- Messages : 7147
- Enregistré le : 27 févr. 2018, 14:52
- Ma deuche : 2cv charleston de 06. 1990 2cv6 04.1983
- Date de naissance : 30 avr. 1958
- Localisation : 38 pres de bourgoin jallieu
Re: [Résolu]Encore un soucis de clignotants avec ma 2CV - plus de clic clic mais les warnings fonctionnent
Bonjour, contrôle tes connexions de clignotants, voir si tu n'as pas un fil de débrancher, la trappe c'est le support de la batterie fixé par par 4 vis de 5,clé de 8,ça te permet d'accéder aux fil et connexions derrière le compteur de vitesse
- demarez69
- Deuchiste intéressé

- Messages : 69
- Enregistré le : 15 nov. 2012, 22:28
- Ma deuche : 2CV6 de 1978
- Date de naissance : 23 juil. 1963
- Localisation : Jonage (69)
Re: [Résolu]Encore un soucis de clignotants avec ma 2CV - plus de clic clic mais les warnings fonctionnent
Merci pour la précision au sujet de la trappe. Je suis certain que ça me sera utile.CHARLYSTONE a écrit : ↑08 juil. 2023, 09:43 Bonjour, contrôle tes connexions de clignotants, voir si tu n'as pas un fil de débrancher, la trappe c'est le support de la batterie fixé par par 4 vis de 5,clé de 8,ça te permet d'accéder aux fil et connexions derrière le compteur de vitesse
Cependant je n'ai pas eu à la démonter car mon problème est résolu ! Et l'astuce qui m'a été donné sur la page Facebook des Amoureux de la Deuche mérite d'être connue :
Mettre le moteur en marche, mettre un clignotant (qui ne marche pas), actionner plusieurs fois les warning, enlever le clignotant, le remettre... Et il fonctionne !
Ne me demandez pas pourquoi !
- Eric13190
- Docteur deuchiste

- Messages : 9486
- Enregistré le : 01 janv. 2020, 15:10
- Ma deuche : 2 cv6 club 1976
- Date de naissance : 04 sept. 1973
- Localisation : Allauch
- Âge : 52
Re: [Résolu]Encore un soucis de clignotants avec ma 2CV - plus de clic clic mais les warnings fonctionnent
Ha ben ça alors
c'est la "technologie Citroën" 
"La 2cv est une des rares voiture où l'important reste la personne". Quino

- CHARLYSTONE
- Docteur deuchiste

- Messages : 7147
- Enregistré le : 27 févr. 2018, 14:52
- Ma deuche : 2cv charleston de 06. 1990 2cv6 04.1983
- Date de naissance : 30 avr. 1958
- Localisation : 38 pres de bourgoin jallieu
Re: [Résolu]Encore un soucis de clignotants avec ma 2CV - plus de clic clic mais les warnings fonctionnent
Bonjour, peut-être un faux contact, du à l'oxydation, ouvrir la commande des clignotants est contrôler