Bonsoir,
Nouveau sur le forum, je disais dans ma présentation que j'avançais le remontage de ma 2CV6 AZKA de septembre 1973 et que le faisceau électrique me posait ... plusieurs difficultés.
Par exemple il n'y a pas d'arrivée de courant sur le fusible rouge.
OK sur le jaune en + batterie.
OK sur le bleu en + après contact.
Quelqu'un sait-il d'où cela peut provenir ? Et comment trouver la panne ?
Merci à vous
Dominique30
Pas d'alimentation sur le fusible rouge 2cv6 azka 73
Modérateurs : Deuchémoi, Eric13190
- Dominique30
- Nouveau deuchiste

- Messages : 20
- Enregistré le : 23 mars 2021, 18:22
- Ma deuche : 2CV AZKA
- Date de naissance : 08 août 1957
- Localisation : NÎMES
- Filofax
- Docteur deuchiste

- Messages : 1745
- Enregistré le : 08 juin 2018, 16:09
- Ma deuche : 2CV6 Spéciale AZKA 1986
- Date de naissance : 31 mai 1970
- Localisation : Près de Brest
Re: Pas d'alimentation sur le fusible rouge 2cv6 azka 73
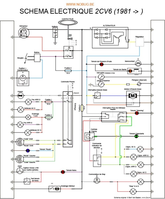
Je ne suis pas encore arrivé à cette partie dans la restauration de mon auto, mais si je sais lire un schéma électrique (de lointain souvenir en électromécanique), le fusible rouge est alimenté après le commutateur d'éclairage.
Si tu n'allumes pas les phares, tu n'auras pas d'alimentation sur ce fusible.
Voici un schéma pour les dernières génération de 2cv6, mais le fusible vert que tu n'as pas ne sert qu'a diviser le coté droit du coté gauche au niveau de l'éclairage des auto.
Si tu n'allumes pas les phares, tu n'auras pas d'alimentation sur ce fusible.
Voici un schéma pour les dernières génération de 2cv6, mais le fusible vert que tu n'as pas ne sert qu'a diviser le coté droit du coté gauche au niveau de l'éclairage des auto.
- Dominique30
- Nouveau deuchiste

- Messages : 20
- Enregistré le : 23 mars 2021, 18:22
- Ma deuche : 2CV AZKA
- Date de naissance : 08 août 1957
- Localisation : NÎMES
Re: Pas d'alimentation sur le fusible rouge 2cv6 azka 73
Merci Filofax pour ta réponse et pour ton schéma avec lequel j'ai un peu de mal ...
Je ne connaissais pas cette particularité pour ce fusible rouge.
Sachant que sur cette 2CV de 73, je n'ai que 3 fusibles et pas de vert.
Je ne connaissais pas cette particularité pour ce fusible rouge.
Sachant que sur cette 2CV de 73, je n'ai que 3 fusibles et pas de vert.
- Filofax
- Docteur deuchiste

- Messages : 1745
- Enregistré le : 08 juin 2018, 16:09
- Ma deuche : 2CV6 Spéciale AZKA 1986
- Date de naissance : 31 mai 1970
- Localisation : Près de Brest
Re: Pas d'alimentation sur le fusible rouge 2cv6 azka 73
Oui, tu n'as bien que 3 fusibles.
Comme je l'ai indiqué, le fusible vert sert uniquement à diviser les éclairage droit et gauche.
Rouge pour le coté droit et vert pour le coté gauche.
Dans ton cas, le fusible rouge sert à l'éclairage veilleuses des 2 cotés.
Tu n'auras de l'électricité (une différence de potentiel) qui le traverseras que lorsque tu auras tourné le commutateur d'éclairage.
Le premier cran pour mettre en route les veilleuses (alimentation du fusible rouge).
Comme je l'ai indiqué, le fusible vert sert uniquement à diviser les éclairage droit et gauche.
Rouge pour le coté droit et vert pour le coté gauche.
Dans ton cas, le fusible rouge sert à l'éclairage veilleuses des 2 cotés.
Tu n'auras de l'électricité (une différence de potentiel) qui le traverseras que lorsque tu auras tourné le commutateur d'éclairage.
Le premier cran pour mettre en route les veilleuses (alimentation du fusible rouge).
- Dominique30
- Nouveau deuchiste

- Messages : 20
- Enregistré le : 23 mars 2021, 18:22
- Ma deuche : 2CV AZKA
- Date de naissance : 08 août 1957
- Localisation : NÎMES
Re: Pas d'alimentation sur le fusible rouge 2cv6 azka 73
Bonjour et merci pour cette info.
Je vais essayer cela dans la journée et je reviens vers vous.
Je vais essayer cela dans la journée et je reviens vers vous.
- Dominique30
- Nouveau deuchiste

- Messages : 20
- Enregistré le : 23 mars 2021, 18:22
- Ma deuche : 2CV AZKA
- Date de naissance : 08 août 1957
- Localisation : NÎMES
Re: Pas d'alimentation sur le fusible rouge 2cv6 azka 73
Bonjour Filofax et bonjour à tous.
Super info, j'ai bien du jus sur le fusible rouge lorsque je mets les veilleuses.
Sur conseil d'un ami deuchiste, j'ai mis une lampe témoin entre le + batterie et le démarreur (voir photo). Ceci pour éviter de griller quelque chose si j'ai fait des erreurs en remontant mon faisceau. Mais est-ce que ça ne me bloque pas le passage de courant ? Dans pas mal de circuits je me retrouve avec du 5 à 8 volts
Des erreurs j'ai du en faire pas mal ... j'ai donc re démonté mon tableau de bord pour tout reprendre.
Sans contact la lampe témoin reste éteinte, le plafonnier fonctionne.
Si je freine, les feux stop s'allument mais faiblement et la lampe témoin s'allume fort
Si je mets les veilleuses en même temps, les ampoules s'allument toutes très très faiblement. La lampe témoin est allumée
Est-ce que ce sont encore et toujours des problèmes de masse ?
Quand je mets le contact et que rien n'est en marche, la lampe témoin s'allume Est-ce normal ?
Impossible aussi de faire fonctionner le moteur d'essuie glaces alors que lorsque je l'alimente en fil volant il fonctionne.
Enfin (pour l'instant) je n'ai pas de clignotants... c'est bien ma centrale clignotante Cartier près de la batterie sur la photo ?
Voilà le douloureux constat de la partie électricité pour l'instant.
Mais malgré tout j'apprécie beaucoup d'apprendre, c'est Très intéressant
Super info, j'ai bien du jus sur le fusible rouge lorsque je mets les veilleuses.
Sur conseil d'un ami deuchiste, j'ai mis une lampe témoin entre le + batterie et le démarreur (voir photo). Ceci pour éviter de griller quelque chose si j'ai fait des erreurs en remontant mon faisceau. Mais est-ce que ça ne me bloque pas le passage de courant ? Dans pas mal de circuits je me retrouve avec du 5 à 8 volts
Des erreurs j'ai du en faire pas mal ... j'ai donc re démonté mon tableau de bord pour tout reprendre.
Sans contact la lampe témoin reste éteinte, le plafonnier fonctionne.
Si je freine, les feux stop s'allument mais faiblement et la lampe témoin s'allume fort
Si je mets les veilleuses en même temps, les ampoules s'allument toutes très très faiblement. La lampe témoin est allumée
Est-ce que ce sont encore et toujours des problèmes de masse ?
Quand je mets le contact et que rien n'est en marche, la lampe témoin s'allume Est-ce normal ?
Impossible aussi de faire fonctionner le moteur d'essuie glaces alors que lorsque je l'alimente en fil volant il fonctionne.
Enfin (pour l'instant) je n'ai pas de clignotants... c'est bien ma centrale clignotante Cartier près de la batterie sur la photo ?
Voilà le douloureux constat de la partie électricité pour l'instant.
Mais malgré tout j'apprécie beaucoup d'apprendre, c'est Très intéressant
- Filofax
- Docteur deuchiste

- Messages : 1745
- Enregistré le : 08 juin 2018, 16:09
- Ma deuche : 2CV6 Spéciale AZKA 1986
- Date de naissance : 31 mai 1970
- Localisation : Près de Brest
Re: Pas d'alimentation sur le fusible rouge 2cv6 azka 73
A mon avis, tu as une fausse masse qui te provoque un courant de fuite.
Il faut que tu contrôle l'intégralité de ton faisceau pour voir où est le soucis.
Il faut faire cela méthodiquement.
Puisque tout est branché, tu débranche un appareil après l'autre, tu test à chaque fois et tu arriveras à isoler l'appareil provoquant le soucis.
Là tu inspecteras minutieusement le fautif.
Il faut que tu contrôle l'intégralité de ton faisceau pour voir où est le soucis.
Il faut faire cela méthodiquement.
Puisque tout est branché, tu débranche un appareil après l'autre, tu test à chaque fois et tu arriveras à isoler l'appareil provoquant le soucis.
Là tu inspecteras minutieusement le fautif.
- Dominique30
- Nouveau deuchiste

- Messages : 20
- Enregistré le : 23 mars 2021, 18:22
- Ma deuche : 2CV AZKA
- Date de naissance : 08 août 1957
- Localisation : NÎMES
Re: Pas d'alimentation sur le fusible rouge 2cv6 azka 73
Merci pour ta réponse Filofax, je vais reprendre mes faisceaux en commençant par celui de l'arrière.
J'espère finir par trouver ce qui ne va pas.
J'espère finir par trouver ce qui ne va pas.