Cache culbuteur 2cv - joints entre écrou borgne et cache-culbuteurs. Sont ils indispensables ?

Moteur bloqué, fuite d'huile, nettoyage et remontage du reniflard, démontage des soupapes, redémarrage difficile, perte de puissance, vidange, claquement moteur, ralenti instable, rodage moteur neuf...

Modérateurs : Deuchémoi, Eric13190

Répondre
Avatar du membre
jyg
Deuchiste passionné
Deuchiste passionné
Messages : 342
Enregistré le : 15 mars 2021, 16:17
Ma deuche : AK400 1976
Date de naissance : 02 nov. 1955
Localisation : Clisson

Cache culbuteur 2cv - joints entre écrou borgne et cache-culbuteurs. Sont ils indispensables ?

Message par jyg »

Bonjour à tous,

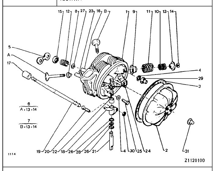
Après mes aventures de réglages de culbuteurs. J'ai commandé quelques pièces et j'ai remarqué, sur une vue éclatée, qu'il y avait deux joints entre l'écrou borgne et le cache culbuteur.
Moi quand j'ai démonté... ben il n'y en avait pas.

Et s'ils figurent bien sur l'éclatée, ils ne sont pas au catalogue chez Rénov-2cv.

Question 1 : ces joints sont-ils indispensables ?
Question 2 : Si oui, c'est quoi ces joints et ou les trouver ?

:???:


JYG - AK400 - 1976
Avatar du membre
bob41
Docteur deuchiste
Docteur deuchiste
Messages : 8690
Enregistré le : 09 mai 2016, 16:00
Ma deuche : 2CV A 50 ; 2CV AZ 59 ; 2CV azam 65 ; 2CV 6 79 ; Dyane 67 ; AMI6 62 ; AMI8 77 ; HY 72 67
Date de naissance : 26 sept. 1966
Localisation : Sologne viticole (Contres) et Corse (Loreto-di-Casinca)
Âge : 59

Re: Cache culbuteur

Message par bob41 »

:salut:

Il n'y a pas de joint sous l'écrou de fixation du cache culbuteur ! Je n'en ai jamais mis. Une rondelle à la rigueur et encore, l'écrou étant bombé elle ne servirait à rien.

De quel éclaté parles-tu.
Sur le catalogue de pièces de rechanges, il n'y a pas de joint, ni de rondelle....
cache culbuteur.jpg
cache culbuteur.jpg (88.34 Kio) Vu 2046 fois
cache culbuteurs_2.jpg

:salut:
Avatar du membre
RICMAN41
Docteur deuchiste
Docteur deuchiste
Messages : 3335
Enregistré le : 03 août 2014, 18:47
Ma deuche : 2cv(79,85)AKpickup(76)Acadiane(85)
Date de naissance : 03 févr. 1972
Localisation : Ouzouer le marché 41
Âge : 54

Re: Cache culbuteur

Message par RICMAN41 »

:salut: Dans la doc " pièces de rechange AZU - AKS modèle 1971 il y a bien une rondelle caoutchouc entre l'écrou et le cache mais je n'ai pas de joint sur mes bicylindres et aucune fuite , serrage (0,7 m/kg). Donc pas indispensable .
Avatar du membre
dimitri86
Deuchiste intéressé
Deuchiste intéressé
Messages : 76
Enregistré le : 05 juil. 2021, 12:23
Ma deuche : 2cv fourgonnette La Poste 1977
Date de naissance : 22 févr. 1974
Localisation : Poitiers

Re: Cache culbuteur

Message par dimitri86 »

Au démontage je n'avais ni joint ni rondelle.
La base de l'écrou est conique ainsi que la surface d'appui sur le couvre culbuteur.
A la limite il pourrait y avoir un joint torique pour améliorer l'étanchéité mais qui serait dans le logement, entre la vis et le couvre culbuteur, avec un diamètre intérieur de 6,8 mm et extérieur de 9 mm et d'environ 1mm d'épaisseur.
Avatar du membre
PLUX
Docteur deuchiste
Docteur deuchiste
Messages : 2221
Enregistré le : 01 sept. 2008, 16:20
Ma deuche : 2cv 4 1974
Date de naissance : 02 janv. 1959
Localisation : luxembourg
Âge : 67

Re: Cache culbuteur 2cv - joints entre écrou borgne et cache-culbuteurs. Sont ils indispensables ?

Message par PLUX »

Bonjour,
Lors du démontage j'avais sous chaque écrou borgne, une rondelle métallique et une en caoutchouc.
Dans la pochette de joint achetée chez Retrodesign (je crois, à moins que ce ne soit Burton) j'avais 2 rondelles en caoutchouc.
J'ai donc remonté à l'identique sans me poser de question.
Depuis, aucun problème.
2cv 4 de 1974
Avatar du membre
jyg
Deuchiste passionné
Deuchiste passionné
Messages : 342
Enregistré le : 15 mars 2021, 16:17
Ma deuche : AK400 1976
Date de naissance : 02 nov. 1955
Localisation : Clisson

Re: Cache culbuteur 2cv - joints entre écrou borgne et cache-culbuteurs. Sont ils indispensables ?

Message par jyg »

Pour BOB
L'éclaté qui m'a mis la puce à l'oreille est sur renov-2CV, et depuis j'ai trouvé un autres dessin chez Burton avec les fameux deux joints également.
Effectivement sur les 2 que tu publies il n'y a rien... donc je vais continuer à ne rien mettre !

Pour PLUX
En fait avec nos deux pattes la vérité est loin d'être absolue, puisque toi tu avais bien des joints sur ta voiture et dans ton kit de réparation !

Merci à tous pour vos réponses. :volant:
JYG - AK400 - 1976
Avatar du membre
bob41
Docteur deuchiste
Docteur deuchiste
Messages : 8690
Enregistré le : 09 mai 2016, 16:00
Ma deuche : 2CV A 50 ; 2CV AZ 59 ; 2CV azam 65 ; 2CV 6 79 ; Dyane 67 ; AMI6 62 ; AMI8 77 ; HY 72 67
Date de naissance : 26 sept. 1966
Localisation : Sologne viticole (Contres) et Corse (Loreto-di-Casinca)
Âge : 59

Re: Cache culbuteur 2cv - joints entre écrou borgne et cache-culbuteurs. Sont ils indispensables ?

Message par bob41 »

:salut:

j'ai mis ci-dessus les scans des catalogues de pièces de rechange de Citroën, référence 446.
Le premier de 1949 à1968, le second 2 CV 4 et 2 CV 6 de 1979 à 1990.

je ne me fie qu'aux documents officiels de Citroën, jamais aux documents des marchands.

Sur ces catalogues, comme sur toutes mes 2 CV et dérivés, et aussi, j'ai regardé sur quelques moteurs que j'ai en stock ( ça fait environ une vingtaine de culasses) : pas de rondelle ni de joint sur aucune !

Maintenant, si vous voulez en mettre ça ne peut pas faire de mal. Encore que le mieux est l'ennemi du bien. Adage connu. :mdrr:

:salut:
Avatar du membre
jyg
Deuchiste passionné
Deuchiste passionné
Messages : 342
Enregistré le : 15 mars 2021, 16:17
Ma deuche : AK400 1976
Date de naissance : 02 nov. 1955
Localisation : Clisson

Re: Cache culbuteur 2cv - joints entre écrou borgne et cache-culbuteurs. Sont ils indispensables ?

Message par jyg »

Ah ! quand même !!! vingt moteurs en stock... là c'est sérieux !
Carrément on ne joue pas dans la même cour...
:-)
JYG - AK400 - 1976
Avatar du membre
bob41
Docteur deuchiste
Docteur deuchiste
Messages : 8690
Enregistré le : 09 mai 2016, 16:00
Ma deuche : 2CV A 50 ; 2CV AZ 59 ; 2CV azam 65 ; 2CV 6 79 ; Dyane 67 ; AMI6 62 ; AMI8 77 ; HY 72 67
Date de naissance : 26 sept. 1966
Localisation : Sologne viticole (Contres) et Corse (Loreto-di-Casinca)
Âge : 59

Re: Cache culbuteur 2cv - joints entre écrou borgne et cache-culbuteurs. Sont ils indispensables ?

Message par bob41 »

jyg a écrit : 25 juil. 2021, 21:02 Ah ! quand même !!! vingt moteurs en stock... là c'est sérieux !
Carrément on ne joue pas dans la même cour...
:-)
:salut:

Je n'ai pas dit que j'avais 20 moteurs en stock, j'ai parlé de 20 culasses, soit 10 moteurs, la 2 CV est un bicylindre :mdrr:
en fait je viens d'aller voir, j'en ai exactement 8, plus ceux qui sont sur mes voitures.
J'ai autant de BV et pièces diverses.

Un aperçu...
Stock_1_R.JPG
Mais ça n'a rien d'étonnant, c'est le résultat de plus de 50 ans de pratique de la 2 CV. Et dans mon club, il y a des copains bien plus jeunes que moi qui en ont autant, et même plus pour certains.

dans les années 80/90, à la campagne, les anciens qui avaient de vieilles 2 CV dans leurs granges ou leurs champs les cédaient facilement pour une caisse de pinard, voire beaucoup moins à condition qu'on les débarrasse. La spéculation n'existait pas encore, et ces gens-la ne pensaient pas à l'époque avoir de l'or au fond de leur cour parce qu'il y avait une quasi-épave de 2 CV qui y pourrissait... :mdrr: :mdrr: :mdrr:

:salut:
Répondre
www.piecesauto-pro.fr