Réparation suite accident 2cv : électricité
Modérateurs : Deuchémoi, zamzam, Eric13190
- PLUX
- Docteur deuchiste

- Messages : 2206
- Enregistré le : 01 sept. 2008, 16:20
- Ma deuche : 2cv 4 1974
- Date de naissance : 02 janv. 1959
- Localisation : luxembourg
- Âge : 66
Réparation suite accident 2cv : électricité
Bonjour à tous,
Nouveau chapitre, ça prouve que j'avance.
Mais dans l'inconnu.
En prévision à quoi dois-je faire attention et qu'est ce que je dois faire ou ne pas faire pour replacer ces fils?
Pour le moment :
Mettre de la graisse cuivrée sur les fiches et contact?
Est-ce que une masse prise entre un écrou et une surface peinte (châssis) est efficace ou bien faut-il du métal nu?
Par exemple pour les fils de la jauge d'essence, puis-je tester si ça marche avant de poser l'ensemble? Et comment ?
Enfin vous voyez...
Merci de vos avis et conseils
Nouveau chapitre, ça prouve que j'avance.
Mais dans l'inconnu.
En prévision à quoi dois-je faire attention et qu'est ce que je dois faire ou ne pas faire pour replacer ces fils?
Pour le moment :
Mettre de la graisse cuivrée sur les fiches et contact?
Est-ce que une masse prise entre un écrou et une surface peinte (châssis) est efficace ou bien faut-il du métal nu?
Par exemple pour les fils de la jauge d'essence, puis-je tester si ça marche avant de poser l'ensemble? Et comment ?
Enfin vous voyez...
Merci de vos avis et conseils
2cv 4 de 1974
- Deuchémoi
- Docteur deuchiste

- Messages : 16862
- Enregistré le : 19 sept. 2009, 17:09
- Ma deuche : 2cv6 Spécial AZKA Bleue céleste 11/87
- Date de naissance : 30 oct. 1968
- Localisation : Vitrolles (13) ... au soleil !!!
Re: Réparation suite accident : électricité
Salut Plux,
une mauvaise masse est l'assurance de problème électrique.
Il faut donc la soigner. Et comme la peinture est un isolant, la tôle à nue sera l'assurance d'un bon fonctionnement !
Pour le test de la jauge, regarde mon post
http://forum.2cv-legende.com/viewtopic. ... 54#p166754
Test avec un métrix, ou .... empirique !

une mauvaise masse est l'assurance de problème électrique.
Il faut donc la soigner. Et comme la peinture est un isolant, la tôle à nue sera l'assurance d'un bon fonctionnement !
Pour le test de la jauge, regarde mon post
http://forum.2cv-legende.com/viewtopic. ... 54#p166754
Test avec un métrix, ou .... empirique !
Pas de demande d'aide mécanique en Message Privé. Toutes les demandes se font dans les salons publics. Merci !
/¯\(°\=/°)... Ma présentation
2cv6 Spécial AZKA Bleue céleste 11/87
- PLUX
- Docteur deuchiste

- Messages : 2206
- Enregistré le : 01 sept. 2008, 16:20
- Ma deuche : 2cv 4 1974
- Date de naissance : 02 janv. 1959
- Localisation : luxembourg
- Âge : 66
Re: Réparation suite accident : électricité
Merci pour cette réponse.Deuchémoi a écrit : ↑15 févr. 2022, 08:45 Salut Plux,
une mauvaise masse est l'assurance de problème électrique.
Il faut donc la soigner. Et comme la peinture est un isolant, la tôle à nue sera l'assurance d'un bon fonctionnement !
Pour le test de la jauge, regarde mon post
http://forum.2cv-legende.com/viewtopic. ... 54#p166754
Test avec un métrix, ou .... empirique !![]()
![]()
J'ai survolé ton post. Je le relirais à tête reposée.
Mais j'en déduis que je peux tester mes branchements avec la batterie et le bloc compteur (bien mettre à la masse)
La jauge fonctionnais donc je pars du principe qu'elle fonctionne et je veux juste tester les contacts.
Comme d'habitude je raconterai la suite
2cv 4 de 1974
- PLUX
- Docteur deuchiste

- Messages : 2206
- Enregistré le : 01 sept. 2008, 16:20
- Ma deuche : 2cv 4 1974
- Date de naissance : 02 janv. 1959
- Localisation : luxembourg
- Âge : 66
Re: Réparation suite accident 2cv : électricité
salut:
Voilà, grâce aux explications du post que tu m'as fait suivre, j'ai testé mes branchements et la jauge fonctionne tant au niveau de la mesure de la quantité d'essence (enfin ça ne doit pas être au litre près) qu'au niveau de l'aiguille du tableau de bord.
Ça me rassure, les contacts sont bons et je vais fixer la ferraille qui couvre le réservoir, ne plus toucher à rien et ça devrait fonctionner au final.
Merci.
2cv 4 de 1974
- Deuchémoi
- Docteur deuchiste

- Messages : 16862
- Enregistré le : 19 sept. 2009, 17:09
- Ma deuche : 2cv6 Spécial AZKA Bleue céleste 11/87
- Date de naissance : 30 oct. 1968
- Localisation : Vitrolles (13) ... au soleil !!!
Re: Réparation suite accident 2cv : électricité
A cocher sur ta "to do list" !PLUX a écrit : ↑16 févr. 2022, 17:28![]()
salut:
Voilà, grâce aux explications du post que tu m'as fait suivre, j'ai testé mes branchements et la jauge fonctionne tant au niveau de la mesure de la quantité d'essence (enfin ça ne doit pas être au litre près) qu'au niveau de l'aiguille du tableau de bord.
Ça me rassure, les contacts sont bons et je vais fixer la ferraille qui couvre le réservoir, ne plus toucher à rien et ça devrait fonctionner au final.
Merci.
Pas de demande d'aide mécanique en Message Privé. Toutes les demandes se font dans les salons publics. Merci !
/¯\(°\=/°)... Ma présentation
2cv6 Spécial AZKA Bleue céleste 11/87
- PLUX
- Docteur deuchiste

- Messages : 2206
- Enregistré le : 01 sept. 2008, 16:20
- Ma deuche : 2cv 4 1974
- Date de naissance : 02 janv. 1959
- Localisation : luxembourg
- Âge : 66
Re: Réparation suite accident 2cv : électricité
Bonjour à tous,
Le défi du branchement du faisceau est devant moi.
alors le point de la situation:
Le moteur démarre au 1/4 de tour si je fais comme sur un banc: batterie - à la boîte, batterie + au démarreur, batterie+ au lanceur du démarreur et +bobine au démarreur. donc il fonctionne.
Je le branche au faisceau. le démarreur fonctionne mais le moteur ne tourne pas. d'où peut venir le problème?
cela pourrait-il venir d'un mauvais branchement du régulateur?
Il y a 3 fiches sur ce régulateur et j'ai perdu les références. Comment savoir comment le brancher?
Tableau de bord:
La jauge fonctionne (je la trouve optimiste par rapport à ce que j'imagine d'essence et par rapport aux tests que j'avais fait avant la pose de la caisse)
les essuie glace fonctionnent
le démarreur bien sûr
par contre la loupiotte non.
Les feux arrières:
les feux stop fonctionnent
j'ai le choix entre faire fonctionner le feu gauche ou le feu droite mais pas les deux en même temps. un peu gênant, n'est ce pas
les clignotants, nada, pas le moindre bruit sur la centrale. comme je n'ai pas branché les clignotants avant cela peut peut être venir de là?
donc me voilà avec mes interrogations
avez vous des idées pour me permettre d'avancer?
merci
Le défi du branchement du faisceau est devant moi.
alors le point de la situation:
Le moteur démarre au 1/4 de tour si je fais comme sur un banc: batterie - à la boîte, batterie + au démarreur, batterie+ au lanceur du démarreur et +bobine au démarreur. donc il fonctionne.
Je le branche au faisceau. le démarreur fonctionne mais le moteur ne tourne pas. d'où peut venir le problème?
cela pourrait-il venir d'un mauvais branchement du régulateur?
Il y a 3 fiches sur ce régulateur et j'ai perdu les références. Comment savoir comment le brancher?
Tableau de bord:
La jauge fonctionne (je la trouve optimiste par rapport à ce que j'imagine d'essence et par rapport aux tests que j'avais fait avant la pose de la caisse)
les essuie glace fonctionnent
le démarreur bien sûr
par contre la loupiotte non.
Les feux arrières:
les feux stop fonctionnent
j'ai le choix entre faire fonctionner le feu gauche ou le feu droite mais pas les deux en même temps. un peu gênant, n'est ce pas
les clignotants, nada, pas le moindre bruit sur la centrale. comme je n'ai pas branché les clignotants avant cela peut peut être venir de là?
donc me voilà avec mes interrogations
avez vous des idées pour me permettre d'avancer?
merci
2cv 4 de 1974
- CHARLYSTONE
- Docteur deuchiste

- Messages : 7062
- Enregistré le : 27 févr. 2018, 14:52
- Ma deuche : 2cv charleston de 06. 1990 2cv6 04.1983
- Date de naissance : 30 avr. 1958
- Localisation : 38 pres de bourgoin jallieu
Re: Réparation suite accident 2cv : électricité
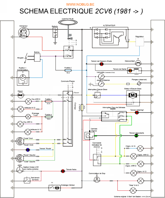
Bonjour, a tu un schéma électrique de 2cv de 1974
- PLUX
- Docteur deuchiste

- Messages : 2206
- Enregistré le : 01 sept. 2008, 16:20
- Ma deuche : 2cv 4 1974
- Date de naissance : 02 janv. 1959
- Localisation : luxembourg
- Âge : 66
Re: Réparation suite accident 2cv : électricité
J'ai le schéma de la RTA. Ce qui m'a permis de retrouver le peu que j'ai retrouvé.
Je vais y aller par étape.
Puisque le moteur démarre et tourne les branchements du - bibine, des vis et des bougies sont bons.
Reste celui du + bobine.
Il va où ce fil. Il me semble qu'il devrait aller au régulateur.
Si c'est vrai sur quelle des 3 fiches?
Et comment tester?
Je suis preneur de tous conseils
Merci
Je vais y aller par étape.
Puisque le moteur démarre et tourne les branchements du - bibine, des vis et des bougies sont bons.
Reste celui du + bobine.
Il va où ce fil. Il me semble qu'il devrait aller au régulateur.
Si c'est vrai sur quelle des 3 fiches?
Et comment tester?
Je suis preneur de tous conseils
Merci
2cv 4 de 1974
- Deuchémoi
- Docteur deuchiste

- Messages : 16862
- Enregistré le : 19 sept. 2009, 17:09
- Ma deuche : 2cv6 Spécial AZKA Bleue céleste 11/87
- Date de naissance : 30 oct. 1968
- Localisation : Vitrolles (13) ... au soleil !!!
Re: Réparation suite accident 2cv : électricité
Laréponse de Filofax ici : http://forum.2cv-legende.com/viewtopic. ... 08#p192508
Quelle loupiotte ?par contre la loupiotte non.
Comment fais-tu ce choix ?Les feux arrières:
les feux stop fonctionnent
j'ai le choix entre faire fonctionner le feu gauche ou le feu droite mais pas les deux en même temps. un peu gênant, n'est ce pas
Envoie-une photo de ta centrale, je crois qu'il en existe plusieurs modèles. On fais le point ensuite.les clignotants, nada, pas le moindre bruit sur la centrale. comme je n'ai pas branché les clignotants avant cela peut peut être venir de là?
Pas de demande d'aide mécanique en Message Privé. Toutes les demandes se font dans les salons publics. Merci !
/¯\(°\=/°)... Ma présentation
2cv6 Spécial AZKA Bleue céleste 11/87
- PLUX
- Docteur deuchiste

- Messages : 2206
- Enregistré le : 01 sept. 2008, 16:20
- Ma deuche : 2cv 4 1974
- Date de naissance : 02 janv. 1959
- Localisation : luxembourg
- Âge : 66
Re: Réparation suite accident 2cv : électricité
Bonjour et merci.
La loupiote est celle du tableau de bord, normal qu'elle ne fonctionne pas puisqu'elle est liée aux feux.
La centrale de clignotant fonctionnait bien. Pas de raison que ça change.
Les feux arrière, je choisis de brancher le fil gauche ou droit du faisceau arrière sur le seul fil du faisceau avant qui amène du jus.
Je vais regarder tour ça doucement et je vous tiens au courant.
La loupiote est celle du tableau de bord, normal qu'elle ne fonctionne pas puisqu'elle est liée aux feux.
La centrale de clignotant fonctionnait bien. Pas de raison que ça change.
Les feux arrière, je choisis de brancher le fil gauche ou droit du faisceau arrière sur le seul fil du faisceau avant qui amène du jus.
Je vais regarder tour ça doucement et je vous tiens au courant.
2cv 4 de 1974
- Deuchémoi
- Docteur deuchiste

- Messages : 16862
- Enregistré le : 19 sept. 2009, 17:09
- Ma deuche : 2cv6 Spécial AZKA Bleue céleste 11/87
- Date de naissance : 30 oct. 1968
- Localisation : Vitrolles (13) ... au soleil !!!
Re: Réparation suite accident 2cv : électricité
La mienne n'est pas liée à l'allumage des feux, mais à la mise du contact ! (C'est peut-être moi qui ne fonctionne pas comme il faut, mais ceci dit, c'est pas gênant !).
Désolé, j'ai lu un peu vite ce matin, et au réveil je n'avais pas les yeux bien en face des trous.La centrale de clignotant fonctionnait bien. Pas de raison que ça change.
J'ai cru que tu avais un souci avec la centrale. Mais non, puisque tu ne l'as pas testée.
Il suffit de brancher les 2 ensembles sur le fil qui vient de l'avant.Les feux arrière, je choisis de brancher le fil gauche ou droit du faisceau arrière sur le seul fil du faisceau avant qui amène du jus.
Pas de demande d'aide mécanique en Message Privé. Toutes les demandes se font dans les salons publics. Merci !
/¯\(°\=/°)... Ma présentation
2cv6 Spécial AZKA Bleue céleste 11/87
- PLUX
- Docteur deuchiste

- Messages : 2206
- Enregistré le : 01 sept. 2008, 16:20
- Ma deuche : 2cv 4 1974
- Date de naissance : 02 janv. 1959
- Localisation : luxembourg
- Âge : 66
Re: Réparation suite accident 2cv : électricité
"on a jamais essayé de ne pas essayé"Deuchémoi a écrit : ↑29 juin 2022, 13:42La mienne n'est pas liée à l'allumage des feux, mais à la mise du contact ! (C'est peut-être moi qui ne fonctionne pas comme il faut, mais ceci dit, c'est pas gênant !).Désolé, j'ai lu un peu vite ce matin, et au réveil je n'avais pas les yeux bien en face des trous.
il doit y avoir des différences suivant les modèles de voitures. ce ne serait pas la première fois.
La centrale de clignotant fonctionnait bien. Pas de raison que ça change.
J'ai cru que tu avais un souci avec la centrale. Mais non, puisque tu ne l'as pas testée.Il suffit de brancher les 2 ensembles sur le fil qui vient de l'avant.Les feux arrière, je choisis de brancher le fil gauche ou droit du faisceau arrière sur le seul fil du faisceau avant qui amène du jus.![]()
2cv 4 de 1974
- CHARLYSTONE
- Docteur deuchiste

- Messages : 7062
- Enregistré le : 27 févr. 2018, 14:52
- Ma deuche : 2cv charleston de 06. 1990 2cv6 04.1983
- Date de naissance : 30 avr. 1958
- Localisation : 38 pres de bourgoin jallieu
Re: Réparation suite accident 2cv : électricité
L'ampoule du compteur de vitesse est branché sur les veilleuses le plus + de la bobine viens du plus + après contact du neiman en passant par la boîte à fusibles 
- PLUX
- Docteur deuchiste

- Messages : 2206
- Enregistré le : 01 sept. 2008, 16:20
- Ma deuche : 2cv 4 1974
- Date de naissance : 02 janv. 1959
- Localisation : luxembourg
- Âge : 66
Re: Réparation suite accident 2cv : électricité
Je pensais que le + de la bobine arrivait (plus ou moins directementCHARLYSTONE a écrit : ↑29 juin 2022, 18:22 L'ampoule du compteur de vitesse est branché sur les veilleuses le plus + de la bobine viens du plus + après contact du neiman en passant par la boîte à fusibles![]()
Je vais m'amuser....
2cv 4 de 1974
- PLUX
- Docteur deuchiste

- Messages : 2206
- Enregistré le : 01 sept. 2008, 16:20
- Ma deuche : 2cv 4 1974
- Date de naissance : 02 janv. 1959
- Localisation : luxembourg
- Âge : 66
Re: Réparation suite accident 2cv : électricité
Donc pas question de tirer un câble de la bobine au régulateur pour savoir où le brancher?
2cv 4 de 1974
- Filofax
- Docteur deuchiste

- Messages : 1738
- Enregistré le : 08 juin 2018, 16:09
- Ma deuche : 2CV6 Spéciale AZKA 1986
- Date de naissance : 31 mai 1970
- Localisation : Près de Brest
Re: Réparation suite accident 2cv : électricité
Non, parce qu'il faudrait que ce câble passe également par le positif batterie, donc tu aurais la bobine en permanence alimentait.
Elle ne tiendrais pas longtemps à ce régime.
Ce n'est pas le schéma électrique de ton auto, mais il s'en approche.
Tu peux essayer de trouver ton chemin avec ça :
- Eric13190
- Docteur deuchiste

- Messages : 9343
- Enregistré le : 01 janv. 2020, 15:10
- Ma deuche : 2 cv6 club 1976
- Date de naissance : 04 sept. 1973
- Localisation : Allauch
- Âge : 52
Re: Réparation suite accident 2cv : électricité
Mon dieu, je suis une buse en électricité
j'y comprends rien.
Bon voilage @PLUX .

Bon voilage @PLUX .
"La 2cv est une des rares voiture où l'important reste la personne". Quino

- PLUX
- Docteur deuchiste

- Messages : 2206
- Enregistré le : 01 sept. 2008, 16:20
- Ma deuche : 2cv 4 1974
- Date de naissance : 02 janv. 1959
- Localisation : luxembourg
- Âge : 66
Re: Réparation suite accident 2cv : électricité
Je vais prendre le temps de lire l'électricité pour les boulets puis de digérer puis de comprendre et je vous tiens au courant.
Mais ça va me prendre du temps.
En tout cas
Merci
Mais ça va me prendre du temps.
En tout cas
Merci
2cv 4 de 1974
- PLUX
- Docteur deuchiste

- Messages : 2206
- Enregistré le : 01 sept. 2008, 16:20
- Ma deuche : 2cv 4 1974
- Date de naissance : 02 janv. 1959
- Localisation : luxembourg
- Âge : 66
Re: Réparation suite accident 2cv : électricité
Bonjour à tous,
Incroyable le membre de fils qu'il y a pour une 2cv.
Bon, je n'y comprends pas beaucoup plus qu'avant mais j'ai bien avancé.
Tous vos conseils ont été utiles.
Le moteur démarre, les instruments de bord fonctionnent (ça fait chic le terme instruments de bord, pour essuie-glace, démarreur, loupiote du compteur, jauge et témoin de charge).
Les feux arrières et stop aussi.
Restent et ça ne va pas être une partie de plaisir, clignotants et feux de détresse et feux avant.
A suivre
Je suis toujours preneur de trucs pour me simplifier la vie, par exemple : passage de fils, tests avant remontage,......
Merci
Incroyable le membre de fils qu'il y a pour une 2cv.
Bon, je n'y comprends pas beaucoup plus qu'avant mais j'ai bien avancé.
Tous vos conseils ont été utiles.
Le moteur démarre, les instruments de bord fonctionnent (ça fait chic le terme instruments de bord, pour essuie-glace, démarreur, loupiote du compteur, jauge et témoin de charge).
Les feux arrières et stop aussi.
Restent et ça ne va pas être une partie de plaisir, clignotants et feux de détresse et feux avant.
A suivre
Je suis toujours preneur de trucs pour me simplifier la vie, par exemple : passage de fils, tests avant remontage,......
Merci
2cv 4 de 1974
- Deuchémoi
- Docteur deuchiste

- Messages : 16862
- Enregistré le : 19 sept. 2009, 17:09
- Ma deuche : 2cv6 Spécial AZKA Bleue céleste 11/87
- Date de naissance : 30 oct. 1968
- Localisation : Vitrolles (13) ... au soleil !!!
Re: Réparation suite accident 2cv : électricité
Content que ça avance !
Au moins, ça ne recul pas ...
On ira au coup par coup, avec toi !

Au moins, ça ne recul pas ...
On ira au coup par coup, avec toi !
Pas de demande d'aide mécanique en Message Privé. Toutes les demandes se font dans les salons publics. Merci !
/¯\(°\=/°)... Ma présentation
2cv6 Spécial AZKA Bleue céleste 11/87
- PLUX
- Docteur deuchiste

- Messages : 2206
- Enregistré le : 01 sept. 2008, 16:20
- Ma deuche : 2cv 4 1974
- Date de naissance : 02 janv. 1959
- Localisation : luxembourg
- Âge : 66
Re: Réparation suite accident 2cv : électricité
Bonjour à tous,
Comme prévu ça n'a pas tardé et j’ai besoin de vos lumière en électricité (je sais facile mais je n'ai pas pu m'en empêcher).
Je veux monter les feux de détresse avec une centrale dédiée.
J'ai donc qui arrive sur le bouton:
1 fil pour le côté gauche
1 pour le côté droit
1 masse
1 pour le +
Naturellement j'ai sur le bouton plus de 4 fiches.
Donc question: comment trouver où se branchent les fils? (Quelles fautes ! Corrigées)
merci de votre aide
Comme prévu ça n'a pas tardé et j’ai besoin de vos lumière en électricité (je sais facile mais je n'ai pas pu m'en empêcher).
Je veux monter les feux de détresse avec une centrale dédiée.
J'ai donc qui arrive sur le bouton:
1 fil pour le côté gauche
1 pour le côté droit
1 masse
1 pour le +
Naturellement j'ai sur le bouton plus de 4 fiches.
Donc question: comment trouver où se branchent les fils? (Quelles fautes ! Corrigées)
merci de votre aide
2cv 4 de 1974
- Deuchémoi
- Docteur deuchiste

- Messages : 16862
- Enregistré le : 19 sept. 2009, 17:09
- Ma deuche : 2cv6 Spécial AZKA Bleue céleste 11/87
- Date de naissance : 30 oct. 1968
- Localisation : Vitrolles (13) ... au soleil !!!
Re: Réparation suite accident 2cv : électricité
Je crois que sans un multimètre et le bouton dans les mains, ça risque d'être un peu difficile ...
Et si tu nous mettais quelques photos ?

Et si tu nous mettais quelques photos ?
Pas de demande d'aide mécanique en Message Privé. Toutes les demandes se font dans les salons publics. Merci !
/¯\(°\=/°)... Ma présentation
2cv6 Spécial AZKA Bleue céleste 11/87
- PLUX
- Docteur deuchiste

- Messages : 2206
- Enregistré le : 01 sept. 2008, 16:20
- Ma deuche : 2cv 4 1974
- Date de naissance : 02 janv. 1959
- Localisation : luxembourg
- Âge : 66
Re: Réparation suite accident 2cv : électricité
Bonjour à tous,
Bieln, je suis arrivé à brancher les feux de détresse.
Bizarre, je craignais cette opération depuis le démontage, et puis.....
Par contre, grosse question et peut-être gros problème.
Il y a quelque temps j'ai fait tourné le moteur, comme sur un banc donc juste avec la batterie, la bobine, et il a démarré tout de suite.
Hier puisque j'ai tout branché, je l'ai lancé avec le bouton du démarreur. Il a tourné et calé mais je ne me suis pas inquiété car je n'avais ni accéléré ni mis le starter.
Aujourd'hui je veux recommencer et en appuyant sur le bouton du démarreur, rien, mais rien. Pas même un clac-clac caractéristique d'une batterie à plat.
J'ai testé la batterie 12,5, c'est OK je crois, n'est-ce pas ?
J'ai testé le démarreur en connectant la grosse et vis où arrive le + batterie et la petite vis de 8. Ça mouline mais ça ne lance pas le moteur.
J'ai tout redebranché et tenter comme sur un banc. Donc + batterie sur démarreur, masse batterie sur boîte et fil de démarreur au plus bobine.
Mais rien.
Donc j'ai fait une bêtise quelque part, mais où?
Dans le branchement du régulateur ? Mais en direct ça devrait marcher.
Je reviendrai sur le branchement du régulateur, car visiblement je n'ai pas compris :boulet2:
Pouvez-vous m'aider ?
Merci
Bieln, je suis arrivé à brancher les feux de détresse.
Bizarre, je craignais cette opération depuis le démontage, et puis.....
Par contre, grosse question et peut-être gros problème.
Il y a quelque temps j'ai fait tourné le moteur, comme sur un banc donc juste avec la batterie, la bobine, et il a démarré tout de suite.
Hier puisque j'ai tout branché, je l'ai lancé avec le bouton du démarreur. Il a tourné et calé mais je ne me suis pas inquiété car je n'avais ni accéléré ni mis le starter.
Aujourd'hui je veux recommencer et en appuyant sur le bouton du démarreur, rien, mais rien. Pas même un clac-clac caractéristique d'une batterie à plat.
J'ai testé la batterie 12,5, c'est OK je crois, n'est-ce pas ?
J'ai testé le démarreur en connectant la grosse et vis où arrive le + batterie et la petite vis de 8. Ça mouline mais ça ne lance pas le moteur.
J'ai tout redebranché et tenter comme sur un banc. Donc + batterie sur démarreur, masse batterie sur boîte et fil de démarreur au plus bobine.
Mais rien.
Donc j'ai fait une bêtise quelque part, mais où?
Dans le branchement du régulateur ? Mais en direct ça devrait marcher.
Je reviendrai sur le branchement du régulateur, car visiblement je n'ai pas compris :boulet2:
Pouvez-vous m'aider ?
Merci
2cv 4 de 1974
- Deuchémoi
- Docteur deuchiste

- Messages : 16862
- Enregistré le : 19 sept. 2009, 17:09
- Ma deuche : 2cv6 Spécial AZKA Bleue céleste 11/87
- Date de naissance : 30 oct. 1968
- Localisation : Vitrolles (13) ... au soleil !!!
Re: Réparation suite accident 2cv : électricité
Ben tu vois, ne te sous-estime pas ! Finalement regarde dans le rétro et vois d'où tu viens et considère tout le chemin parcouru ! Je pense que tu devrais avoir plus confiance en toi, ça t'éviterai de te mettre la rate au cours-bouillon sans raison.
Pour ton démarreur en directe, quand tu dis
Pour ton démarreur en directe, quand tu dis
tu veux dire quoi ? Le démarreur ne se lance pas, ou le moteur tourne mais ne démarre pas ?Donc + batterie sur démarreur, masse batterie sur boîte et fil de démarreur au plus bobine.
Mais rien.
Pas de demande d'aide mécanique en Message Privé. Toutes les demandes se font dans les salons publics. Merci !
/¯\(°\=/°)... Ma présentation
2cv6 Spécial AZKA Bleue céleste 11/87
- PLUX
- Docteur deuchiste

- Messages : 2206
- Enregistré le : 01 sept. 2008, 16:20
- Ma deuche : 2cv 4 1974
- Date de naissance : 02 janv. 1959
- Localisation : luxembourg
- Âge : 66
Re: Réparation suite accident 2cv : électricité
Bonjour
Non rien.
Le démarreur ne lance pas.
Plus en fait. Et entre le moment où j'ai fait tourné le moteur et aujourd'hui, j'ai branché le régulateur.
Est-ce que j'aurais fait un mauvais branchement qui m'a fusillé le démarreur ?
J'ai tapoté avec un marteau sur la cylindre avec la vis de 8. Rien
Non rien.
Le démarreur ne lance pas.
Plus en fait. Et entre le moment où j'ai fait tourné le moteur et aujourd'hui, j'ai branché le régulateur.
Est-ce que j'aurais fait un mauvais branchement qui m'a fusillé le démarreur ?
J'ai tapoté avec un marteau sur la cylindre avec la vis de 8. Rien
2cv 4 de 1974
- Deuchémoi
- Docteur deuchiste

- Messages : 16862
- Enregistré le : 19 sept. 2009, 17:09
- Ma deuche : 2cv6 Spécial AZKA Bleue céleste 11/87
- Date de naissance : 30 oct. 1968
- Localisation : Vitrolles (13) ... au soleil !!!
Re: Réparation suite accident 2cv : électricité
As-tu essayé sans brancher le régulateur ? C'est peut-être lui qui met le bazar !PLUX a écrit : ↑27 juil. 2022, 11:06 Bonjour
Non rien.
Le démarreur ne lance pas.
Plus en fait. Et entre le moment où j'ai fait tourné le moteur et aujourd'hui, j'ai branché le régulateur.
Est-ce que j'aurais fait un mauvais branchement qui m'a fusillé le démarreur ?
J'ai tapoté avec un marteau sur la cylindre avec la vis de 8. Rien
Pas de demande d'aide mécanique en Message Privé. Toutes les demandes se font dans les salons publics. Merci !
/¯\(°\=/°)... Ma présentation
2cv6 Spécial AZKA Bleue céleste 11/87
- CHARLYSTONE
- Docteur deuchiste

- Messages : 7062
- Enregistré le : 27 févr. 2018, 14:52
- Ma deuche : 2cv charleston de 06. 1990 2cv6 04.1983
- Date de naissance : 30 avr. 1958
- Localisation : 38 pres de bourgoin jallieu
Re: Réparation suite accident 2cv : électricité
Bonjour Plux,fait un essai pour voir si ton démarreur fonctionne, tu shunt en prenant un fil entre la vis de 5 du lanceur et l'arrivée du plus sur l'écrou du démarreur
- PLUX
- Docteur deuchiste

- Messages : 2206
- Enregistré le : 01 sept. 2008, 16:20
- Ma deuche : 2cv 4 1974
- Date de naissance : 02 janv. 1959
- Localisation : luxembourg
- Âge : 66
Re: Réparation suite accident 2cv : électricité
Deuchémoi a écrit : ↑27 juil. 2022, 12:55As-tu essayé sans brancher le régulateur ? C'est peut-être lui qui met le bazar !PLUX a écrit : ↑27 juil. 2022, 11:06 Bonjour
Non rien.
Le démarreur ne lance pas.
Plus en fait. Et entre le moment où j'ai fait tourné le moteur et aujourd'hui, j'ai branché le régulateur.
Est-ce que j'aurais fait un mauvais branchement qui m'a fusillé le démarreur ?
J'ai tapoté avec un marteau sur la cylindre avec la vis de 8. Rien
![]()
J'ai essayé, rien
2cv 4 de 1974
- PLUX
- Docteur deuchiste

- Messages : 2206
- Enregistré le : 01 sept. 2008, 16:20
- Ma deuche : 2cv 4 1974
- Date de naissance : 02 janv. 1959
- Localisation : luxembourg
- Âge : 66
Re: Réparation suite accident 2cv : électricité
Je l'ai fait et rien.CHARLYSTONE a écrit : ↑27 juil. 2022, 13:33 Bonjour Plux,fait un essai pour voir si ton démarreur fonctionne, tu shunt en prenant un fil entre la vis de 5 du lanceur et l'arrivée du plus sur l'écrou du démarreur
Est-ce que sur le démarreur il y a un fusible que j'aurais fait fondre?
Quand j'avais tout rebranché (là j'ai peut-être mélanger les fils au niveau du régulateur) le moteur à démarré. Comme j'avais placé le régulateur en quinquelette il a pu touché la carrosserie ou je ne sais quoi. Cela pourrait il expliquer la panne?
2cv 4 de 1974