au démarrage j'ai bien vu que ça pétait pas la forme, j'avais dans l'idée d'aller à 15 bornes et revenir, mais le beau temps de mise, et les bouchons à Royan on prolongé la promenade, je me suis dépêcher de rentrer avant la nuit, mais j'ai quand même du mettre les veilleuses, et ça a pas trainé, à 3 km de la maison, rétrogradage, le moteur cale et .............. plus assez de jus pour relancer le démarreur !
la loose ! j'ai du démonter la batterie la charger et ramener la deuch 2 h après.
:pleurs:
Alors parlons bien parlons peu j'ai regarder un peu tout les sujets et je suis perplexe.
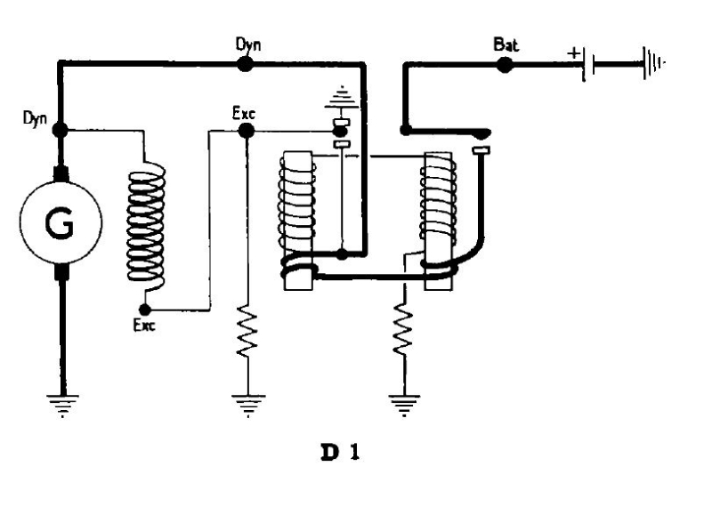
pour info j'ai une paris rhone G11 r 76
à la base mon régul était un cibié mais ne fonctionnait pas du tout.
je l'ai changé pour un sna ed2s14 testé par le vendeur (un pro) qui m'a assuré qu'il fonctionnais et était compatible avec ma 2cv.
une fois ce régul monté j'ai
avec une batterie à 6.2 V :
3 volt sur la cosse EXC,
6.2 v entre la masse et la sortie BAt
en accélérant 8 V sur la borne DYN
donc j'en conclu que ma dynamo marche, que la partie excitation du régulateur marche
mais que pour une raison X le jus qui arrive de la dynamo ne retourne pas à la batterie...
j'ai ouvert mon régul et :
j'ai noté que si je contrait vers le haut la palette avec le point rouge, le courant augmente vers la batterie, et l'ampèrmètre monte :D
donc ?
je cherche une corde




