recherche toutes informations carburateur 2cv double corps 26/35

Additif, réglage carburateur, trou à l'accélération, allumage électronique, starter, problème de démarrage à chaud, l'essence n'arrive pas au carburateur, ressort cassé...

Modérateurs : Deuchémoi, zamzam, Eric13190

Répondre
Avatar du membre
MartinM16
Deuchiste intermédiaire
Deuchiste intermédiaire
Messages : 173
Enregistré le : 05 févr. 2021, 08:38
Ma deuche : 2cv Dolly
Date de naissance : 24 juin 1971
Localisation : entre Metz et Thionville

recherche toutes informations carburateur 2cv double corps 26/35

Message par MartinM16 »

Bonjour a tous
comme dit dans le titre , je suis a la recherche de toutes informations concernant le carbu double corps 26/18 CIT 225 et 226 (éclaté , réglage , type de gicleur, .......) TOUT QUOI !!!
j'aimerais me faire un dossier (comme les vieux j'aime les dossiers papier, plus facile a exploiter a l'atelier)
merci pour votre aide :pouce:


Avatar du membre
CHARLYSTONE
Docteur deuchiste
Docteur deuchiste
Messages : 7164
Enregistré le : 27 févr. 2018, 14:52
Ma deuche : 2cv charleston de 06. 1990 2cv6 04.1983
Date de naissance : 30 avr. 1958
Localisation : 38 pres de bourgoin jallieu

Re: recherche toutes informations carburateur double corps 26/35

Message par CHARLYSTONE »

Bonjour, le seul qui peut t'aider c'est Laurent, Lolodubalaou,un spécialiste du carbu ;)
Avatar du membre
Deuchémoi
Docteur deuchiste
Docteur deuchiste
Messages : 17097
Enregistré le : 19 sept. 2009, 17:09
Ma deuche : 2cv6 Spécial AZKA Bleue céleste 11/87
Date de naissance : 30 oct. 1968
Localisation : Vitrolles (13) ... au soleil !!!

Re: recherche toutes informations carburateur double corps 26/35

Message par Deuchémoi »

CHARLYSTONE a écrit : 04 mars 2023, 09:55 Bonjour, le seul qui peut t'aider c'est Laurent, Lolodubalaou,un spécialiste du carbu ;)
Je ne sais pas si c'est le seul, mais c'est sûr qu'il maîtrise la bête !
;-)
Pas de demande d'aide mécanique en Message Privé. Toutes les demandes se font dans les salons publics. Merci !
       /¯\
(°\=/°)
... Ma présentation
2cv6 Spécial AZKA Bleue céleste 11/87
       Image

ImageImage  Image
       Image
Avatar du membre
CHARLYSTONE
Docteur deuchiste
Docteur deuchiste
Messages : 7164
Enregistré le : 27 févr. 2018, 14:52
Ma deuche : 2cv charleston de 06. 1990 2cv6 04.1983
Date de naissance : 30 avr. 1958
Localisation : 38 pres de bourgoin jallieu

Re: recherche toutes informations carburateur double corps 26/35

Message par CHARLYSTONE »

Oui certainement, mais il a "La Clinique du Carburateur " donc ont peut qu'il est spécialiste ;),
Avatar du membre
Lolodubalaou
Docteur deuchiste
Docteur deuchiste
Messages : 1946
Enregistré le : 17 nov. 2022, 22:04
Ma deuche : 2cv Sausss Ente
Date de naissance : 10 nov. 1956
Localisation : Golfe du Morbihan

Re: recherche toutes informations carburateur double corps 26/35

Message par Lolodubalaou »

Hi, les coupains,

merci et effectivement, je ne suis pas le seul spécialiste du carbu ... Il y a Windmill qui touche particulièrement sa bille aussi !!!

Pour Martin,

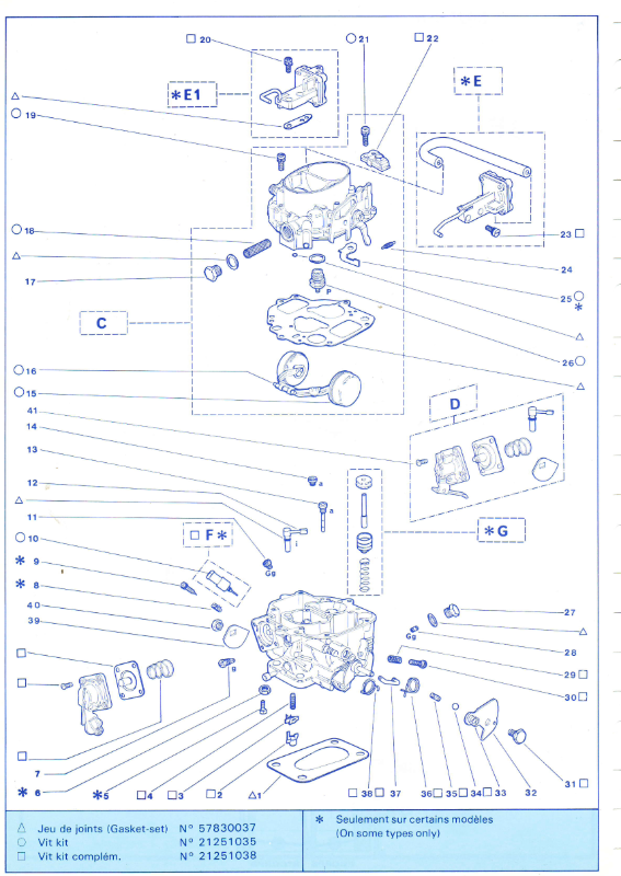
tu as tout ce qu'il te faut ici :
10.jpg
En bleu, le CIT 225 (sans embrayage centrifuge) et en rouge, le CIT 226 qui ne diffère du 225 que par la présence d'un frein de ralenti interne et une came externe.

Capture d’écran 2023-03-04 à 18.11.29.png
Capture d’écran 2023-03-04 à 18.11.39.png
Capture d’écran 2023-03-04 à 18.11.52.png
Il est le seul double-corps à avoir la capsule de dénoyage (ou aussi appelé volet d'assistance) et dont l'ouverture doit être réglé.

J'avais commencé à faire un post sur la restauration de ce 225 :

https://forum2pattes.forumactif.com/t10 ... -2en-cours

Mais post pas terminé ....

Sinon, il y a une restauration complète ici :

https://forum2pattes.forumactif.com/t95 ... light=nuls

Et en même temps, depuis, on fait encore mieux avec notamment l'alésage et pose de bagues, systématique.

Laurent

PS :

img_7102.jpg
img_7103.jpg
img_7105.jpg
img_7499.jpg
Avatar du membre
Lolodubalaou
Docteur deuchiste
Docteur deuchiste
Messages : 1946
Enregistré le : 17 nov. 2022, 22:04
Ma deuche : 2cv Sausss Ente
Date de naissance : 10 nov. 1956
Localisation : Golfe du Morbihan

Re: recherche toutes informations carburateur double corps 26/35

Message par Lolodubalaou »

Martin,

pour les réglages, tu as :

1 - la vis de débit de ralenti (vis de richesse)

2 - la vis d'ouverture de papillon 1er corps

3 - l'ORF (Ouverture du Ralenti par rapport au papillon Fermé) qui se règle au mesureur d'angle
ORF - 2018 - 3.JPG
Capture d’écran 2023-03-04 à 18.33.11.png


4 - l'OVAD (Ouverture du Volet Après Départ) qui se règle avec un foret :
Capture d’écran 2023-03-04 à 18.33.40.png

5 - ta hauteur de cuve : je te conseille de la régler à 16 mm.

Ici, c'est un calibre fait en impression 3D, à 18 mm :
Cales Solex - Mars 2020 - 4.JPG

Laurent
Avatar du membre
MartinM16
Deuchiste intermédiaire
Deuchiste intermédiaire
Messages : 173
Enregistré le : 05 févr. 2021, 08:38
Ma deuche : 2cv Dolly
Date de naissance : 24 juin 1971
Localisation : entre Metz et Thionville

Re: recherche toutes informations carburateur 2cv double corps 26/35

Message par MartinM16 »

Bonsoir a tous
Vraiment super MERCI pour vos réponses !
dans les données que tu as mis en ligne, je compare le CIT 225 et 226.
c'est parce que sur mon carburateur il y a une plaquette CIT226
mais j'ai remarqué que le frein de reprise interne n’était pas relié.
je voulais comparer les internes et réglages car j'ai trouvé un carbu neuf d’époque en CIT226.
voila comme ça vous savez tout. ;)

:merci:
Avatar du membre
Lolodubalaou
Docteur deuchiste
Docteur deuchiste
Messages : 1946
Enregistré le : 17 nov. 2022, 22:04
Ma deuche : 2cv Sausss Ente
Date de naissance : 10 nov. 1956
Localisation : Golfe du Morbihan

Re: recherche toutes informations carburateur 2cv double corps 26/35

Message par Lolodubalaou »

Martin,

est ce que sur le carbu avec sa plaquette CIT 226, il y a la came de frein externe de frein de ralenti ?
Capture d’écran 2019-12-15 à 19.21.51.png
Car elle est spécifique, le mécanisme interne est le même que celui d'un 28 CBI (donc très facile à trouver, contrairement à la came externe).

Tu as une 2cv avec embrayage centrifuge ?

Laurent
Avatar du membre
MartinM16
Deuchiste intermédiaire
Deuchiste intermédiaire
Messages : 173
Enregistré le : 05 févr. 2021, 08:38
Ma deuche : 2cv Dolly
Date de naissance : 24 juin 1971
Localisation : entre Metz et Thionville

Re: recherche toutes informations carburateur 2cv double corps 26/35

Message par MartinM16 »

Alors oui c'est un vrai CIT226 complet avec la came extérieure.
Mais elle est retourné vers le haut pour ne pas être en contact avec le mécanisme. Car je n'ai pas d'embrayage centrifuge.
Avatar du membre
Lolodubalaou
Docteur deuchiste
Docteur deuchiste
Messages : 1946
Enregistré le : 17 nov. 2022, 22:04
Ma deuche : 2cv Sausss Ente
Date de naissance : 10 nov. 1956
Localisation : Golfe du Morbihan

Re: recherche toutes informations carburateur 2cv double corps 26/35

Message par Lolodubalaou »

C'est bien dommage de ne pas s'en servir car c'est recherché, les CIT 226 !!!

Des CIT 225, j'en ai en pagaille mais je n'ai qu'un seul CIT 226 ! Et il y a de la demande !

Laurent
Répondre
www.piecesauto-pro.fr