Clignotants 2 cv résolu
Modérateurs : Deuchémoi, zamzam, Eric13190
- totoche
- Deuchiste intermédiaire

- Messages : 127
- Enregistré le : 29 janv. 2017, 12:36
- Ma deuche : 2cv 6 spéciale
- Date de naissance : 07 sept. 1967
- Localisation : Marseille
Clignotants 2 cv résolu
Bonjour
Depuis ce matin lorsque je mets les clignotants à droite comme à gauche ça clignote rapidement pareil que lorsqu'une ampoule est grillèe mais elles fonctionnenttoutes d'ailleurs en warning ça clignote normalement.
Avez vous une idée de la cause ?
Merci
Depuis ce matin lorsque je mets les clignotants à droite comme à gauche ça clignote rapidement pareil que lorsqu'une ampoule est grillèe mais elles fonctionnenttoutes d'ailleurs en warning ça clignote normalement.
Avez vous une idée de la cause ?
Merci
- CHARLYSTONE
- Docteur deuchiste

- Messages : 7187
- Enregistré le : 27 févr. 2018, 14:52
- Ma deuche : 2cv charleston de 06. 1990 2cv6 04.1983
- Date de naissance : 30 avr. 1958
- Localisation : 38 pres de bourgoin jallieu
Re: Clignotants
Bonsoir, ton problème vient peut être du fil de masse sur les ailes avant ou de la centrale
- Mikey 71
- Docteur deuchiste

- Messages : 2072
- Enregistré le : 30 sept. 2018, 13:05
- Ma deuche : 2cv6 AZ KA 21/01/1985
- Date de naissance : 04 juil. 1978
- Localisation : Chambilly 71
- Âge : 47
Re: Clignotants
Je pense pas que ça vienne du fil de masse, les warning ne marcheraient pas sinon. Regarde plutôt les fils avant la centrale....
- totoche
- Deuchiste intermédiaire

- Messages : 127
- Enregistré le : 29 janv. 2017, 12:36
- Ma deuche : 2cv 6 spéciale
- Date de naissance : 07 sept. 1967
- Localisation : Marseille
Re: Clignotants
Merci de vos réponses.
Où se situe cette centrale clignotante, j'ai regardé sur le net et j'ai trouvé 2 versions :
- sur le tablier côté conducteur et moteur
- ou dans le tableau de bord
Quel version est vrai pour une 2cv6 spéciale.
Apparemment ça ressemblerait à un tube en verre
Où se situe cette centrale clignotante, j'ai regardé sur le net et j'ai trouvé 2 versions :
- sur le tablier côté conducteur et moteur
- ou dans le tableau de bord
Quel version est vrai pour une 2cv6 spéciale.
Apparemment ça ressemblerait à un tube en verre
- CHARLYSTONE
- Docteur deuchiste

- Messages : 7187
- Enregistré le : 27 févr. 2018, 14:52
- Ma deuche : 2cv charleston de 06. 1990 2cv6 04.1983
- Date de naissance : 30 avr. 1958
- Localisation : 38 pres de bourgoin jallieu
Re: Clignotants
La centrale ce trouve sous le tablier côté conducteur ,débranche et rebranche les trois cosses y doit y avoir un mauvais contact
- renato13
- Docteur deuchiste

- Messages : 11518
- Enregistré le : 26 juil. 2011, 10:41
- Ma deuche : azlp grise 1960
- Date de naissance : 06 nov. 1955
- Localisation : istres
Re: Clignotants
Je pense plutôt a ta centrale clignotant qui à un souci , sinon un problème Electrique rien fonctionnerai .
- totoche
- Deuchiste intermédiaire

- Messages : 127
- Enregistré le : 29 janv. 2017, 12:36
- Ma deuche : 2cv 6 spéciale
- Date de naissance : 07 sept. 1967
- Localisation : Marseille
Re: Clignotants 2 cv
Moi qui pensais être le seul insomniaque
Merci de vos conseils, je vais commencer par regarder les masses
Merci de vos conseils, je vais commencer par regarder les masses
- CHARLYSTONE
- Docteur deuchiste

- Messages : 7187
- Enregistré le : 27 févr. 2018, 14:52
- Ma deuche : 2cv charleston de 06. 1990 2cv6 04.1983
- Date de naissance : 30 avr. 1958
- Localisation : 38 pres de bourgoin jallieu
Re: Clignotants 2 cv
Quel modèle ta 2cv et l'année
- totoche
- Deuchiste intermédiaire

- Messages : 127
- Enregistré le : 29 janv. 2017, 12:36
- Ma deuche : 2cv 6 spéciale
- Date de naissance : 07 sept. 1967
- Localisation : Marseille
Re: Clignotants 2 cv
2cv6 spéciale de 1989
- CHARLYSTONE
- Docteur deuchiste

- Messages : 7187
- Enregistré le : 27 févr. 2018, 14:52
- Ma deuche : 2cv charleston de 06. 1990 2cv6 04.1983
- Date de naissance : 30 avr. 1958
- Localisation : 38 pres de bourgoin jallieu
Re: Clignotants 2 cv
Ok,la centrale est facile a trouver
- renato13
- Docteur deuchiste

- Messages : 11518
- Enregistré le : 26 juil. 2011, 10:41
- Ma deuche : azlp grise 1960
- Date de naissance : 06 nov. 1955
- Localisation : istres
Re: Clignotants 2 cv
totoche a écrit :2cv6 spéciale de 1989
Ben une 89 çà conforte mon idée sur un soucis de ta centrale . Une 89 tu doit avoir une centrale qui fait les deux ,clignotants et warning.
Les plus anciennes avait deux centrales ,une pour les feux de détresse ,et une pour les cligno. la oui !!! çà pourrait être un problème électrique .
- totoche
- Deuchiste intermédiaire

- Messages : 127
- Enregistré le : 29 janv. 2017, 12:36
- Ma deuche : 2cv 6 spéciale
- Date de naissance : 07 sept. 1967
- Localisation : Marseille
Re: Clignotants 2 cv
Ce matin j'y suis passé que 2 minutes car j'étais avec ma femme.
Lorsque mets les warning la lumière verre sur le tableau de bord clignote et lorsque je mets les clignotants, non seulement ils clignotent très vite mais en plus ce voyant vert ne clignote pas .
Lorsque mets les warning la lumière verre sur le tableau de bord clignote et lorsque je mets les clignotants, non seulement ils clignotent très vite mais en plus ce voyant vert ne clignote pas .
- Deuchémoi
- Docteur deuchiste

- Messages : 17165
- Enregistré le : 19 sept. 2009, 17:09
- Ma deuche : 2cv6 Spécial AZKA Bleue céleste 11/87
- Date de naissance : 30 oct. 1968
- Localisation : Vitrolles (13) ... au soleil !!!
Re: Clignotants 2 cv
Pour moi, il y a un lien de cause à effet ! Il doit y avoir un pblm sur le branchement du voyant (une masse ou un fil déconnecté !), qui fait que le voyant ne fonctionne plus et que du coup, ça clignote rapidement (normal, puisqu'une ampoule, celle du voyant, est HS !).totoche a écrit :non seulement ils clignotent très vite mais en plus ce voyant vert ne clignote pas .
Je n'y mettrai pas ma main à couper, mais ... presque !
Pas de demande d'aide mécanique en Message Privé. Toutes les demandes se font dans les salons publics. Merci !
/¯\(°\=/°)... Ma présentation
2cv6 Spécial AZKA Bleue céleste 11/87
- totoche
- Deuchiste intermédiaire

- Messages : 127
- Enregistré le : 29 janv. 2017, 12:36
- Ma deuche : 2cv 6 spéciale
- Date de naissance : 07 sept. 1967
- Localisation : Marseille
Re: Clignotants 2 cv
C'est une piste je vais regarder le schéma électrique si j'y comprends quelque chose
- renato13
- Docteur deuchiste

- Messages : 11518
- Enregistré le : 26 juil. 2011, 10:41
- Ma deuche : azlp grise 1960
- Date de naissance : 06 nov. 1955
- Localisation : istres
Re: Clignotants 2 cv
Moi je pense plutôt à ta centrale cligno , le répétiteur interne hs .
- renato13
- Docteur deuchiste

- Messages : 11518
- Enregistré le : 26 juil. 2011, 10:41
- Ma deuche : azlp grise 1960
- Date de naissance : 06 nov. 1955
- Localisation : istres
Re: Clignotants 2 cv
Tu a fait un essaie ? , de toilé les cu d'ampoule et le porte ampoule ,ainsi que les fusibles .
- totoche
- Deuchiste intermédiaire

- Messages : 127
- Enregistré le : 29 janv. 2017, 12:36
- Ma deuche : 2cv 6 spéciale
- Date de naissance : 07 sept. 1967
- Localisation : Marseille
Re: Clignotants 2 cv
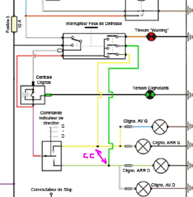
J'ai regardé le schéma électrique et je ne comprends pas,il y aurait 2 voyants lumineux différents, 1 pour les clignotants et un autre pour les warning.
Il me semblait bien que le voyant vert faisait les 2
Il me semblait bien que le voyant vert faisait les 2
- Deuchémoi
- Docteur deuchiste

- Messages : 17165
- Enregistré le : 19 sept. 2009, 17:09
- Ma deuche : 2cv6 Spécial AZKA Bleue céleste 11/87
- Date de naissance : 30 oct. 1968
- Localisation : Vitrolles (13) ... au soleil !!!
Re: Clignotants 2 cv
Sur ma 6 Spécial de 87, c'est bien 2 voyants différents !totoche a écrit :J'ai regardé le schéma électrique et je ne comprends pas,il y aurait 2 voyants lumineux différents, 1 pour les clignotants et un autre pour les warning.
Il me semblait bien que le voyant vert faisait les 2
Orange pour le warning (juste au dessus de l'inter warning) et vert pour les clignos (au dessus du voyant de phare).
Pas de demande d'aide mécanique en Message Privé. Toutes les demandes se font dans les salons publics. Merci !
/¯\(°\=/°)... Ma présentation
2cv6 Spécial AZKA Bleue céleste 11/87
- totoche
- Deuchiste intermédiaire

- Messages : 127
- Enregistré le : 29 janv. 2017, 12:36
- Ma deuche : 2cv 6 spéciale
- Date de naissance : 07 sept. 1967
- Localisation : Marseille
Re: Clignotants 2 cv
Merci
Donc ce n'est pas normal que ce soit le vert qui clignote avec les warning, il doit y avoir déjà une invertion
Donc ce n'est pas normal que ce soit le vert qui clignote avec les warning, il doit y avoir déjà une invertion
- Fredjojo
- Docteur deuchiste

- Messages : 1317
- Enregistré le : 28 mai 2017, 20:13
- Ma deuche : 2CV AZA1966 ENAC
- Date de naissance : 30 nov. 1963
- Localisation : Bois-Colombes // Bar Le Duc 55000
Re: Clignotants 2 cv
ce n'est pas facile car x montages et x bidouillages possibles au fil du temps.
Si tu as ce montage , normalement 2 voyants
clignotant seul = voyant vert
warning = voyant vert et rouge
d'apres ce que tu donne comme infos ,je verrais bien un court circuit en mauve sur le dessin mais peux tu confirmer que tu as commodo a bruiteur ? la charge des 4 clignotants + bruiteur je pense que la centrale n 'aime pas .
On pourrait dans un premier temps , debrancher les 3 cables du commodo clignotant , et tu fais toucher le fil rouge + vert et ensuite fil rouge + jaune du faisceau et nous dire ce qu il se passe (avec le contact mis). Fred
Si tu as ce montage , normalement 2 voyants
clignotant seul = voyant vert
warning = voyant vert et rouge
d'apres ce que tu donne comme infos ,je verrais bien un court circuit en mauve sur le dessin mais peux tu confirmer que tu as commodo a bruiteur ? la charge des 4 clignotants + bruiteur je pense que la centrale n 'aime pas .
On pourrait dans un premier temps , debrancher les 3 cables du commodo clignotant , et tu fais toucher le fil rouge + vert et ensuite fil rouge + jaune du faisceau et nous dire ce qu il se passe (avec le contact mis). Fred
- totoche
- Deuchiste intermédiaire

- Messages : 127
- Enregistré le : 29 janv. 2017, 12:36
- Ma deuche : 2cv 6 spéciale
- Date de naissance : 07 sept. 1967
- Localisation : Marseille
Re: Clignotants 2 cv résolu
Merci à tous pour votre aide. C'est réglé
J'y suis passé ce matin et c'était pire que je le pensais.
Les warning faisaient clignoter leur voyant rouge mais aussi le vert ainsi que l'aiguille de la jauge d'essence.
La centrale clignotante ne ressemblait à rien de ce que j'ai pu voir sur le net, elle avait 4 broches.
Je l'ai emmenée au garage du coin sans grands espoirs. Ça lui a pris 5 minutes.
Le fil du voyant lumineux du starter était branché sur la 4eme broche.
Ça devait être comme cela depuis un bon moment mais je n'avais jamais prêté attention, c'est un copain qui me l'a fait remarquer la semaine dernière.
J'y suis passé ce matin et c'était pire que je le pensais.
Les warning faisaient clignoter leur voyant rouge mais aussi le vert ainsi que l'aiguille de la jauge d'essence.
La centrale clignotante ne ressemblait à rien de ce que j'ai pu voir sur le net, elle avait 4 broches.
Je l'ai emmenée au garage du coin sans grands espoirs. Ça lui a pris 5 minutes.
Le fil du voyant lumineux du starter était branché sur la 4eme broche.
Ça devait être comme cela depuis un bon moment mais je n'avais jamais prêté attention, c'est un copain qui me l'a fait remarquer la semaine dernière.
- Deuchémoi
- Docteur deuchiste

- Messages : 17165
- Enregistré le : 19 sept. 2009, 17:09
- Ma deuche : 2cv6 Spécial AZKA Bleue céleste 11/87
- Date de naissance : 30 oct. 1968
- Localisation : Vitrolles (13) ... au soleil !!!
Re: Clignotants 2 cv résolu
The end !
A la bonne heure.
A la bonne heure.
Pas de demande d'aide mécanique en Message Privé. Toutes les demandes se font dans les salons publics. Merci !
/¯\(°\=/°)... Ma présentation
2cv6 Spécial AZKA Bleue céleste 11/87
- CHARLYSTONE
- Docteur deuchiste

- Messages : 7187
- Enregistré le : 27 févr. 2018, 14:52
- Ma deuche : 2cv charleston de 06. 1990 2cv6 04.1983
- Date de naissance : 30 avr. 1958
- Localisation : 38 pres de bourgoin jallieu
Re: Clignotants 2 cv résolu
Bonjour Totoche,la centrale clignotante de 2cv n'a que 3 broches et pas 4?
- totoche
- Deuchiste intermédiaire

- Messages : 127
- Enregistré le : 29 janv. 2017, 12:36
- Ma deuche : 2cv 6 spéciale
- Date de naissance : 07 sept. 1967
- Localisation : Marseille
Re: Clignotants 2 cv résolu
C'est bien ce que je dis, ce n'est pas une centrale clignotante d'origine
- CHARLYSTONE
- Docteur deuchiste

- Messages : 7187
- Enregistré le : 27 févr. 2018, 14:52
- Ma deuche : 2cv charleston de 06. 1990 2cv6 04.1983
- Date de naissance : 30 avr. 1958
- Localisation : 38 pres de bourgoin jallieu
Re: Clignotants 2 cv résolu
A d'accord donc tu a monter une d'origine
- totoche
- Deuchiste intermédiaire

- Messages : 127
- Enregistré le : 29 janv. 2017, 12:36
- Ma deuche : 2cv 6 spéciale
- Date de naissance : 07 sept. 1967
- Localisation : Marseille
Re: Clignotants 2 cv résolu
Ho que non, ça fonctionne donc je ne touche plus à rien.
Le mécano a juste débrancher ce câble. Il reste une broche sans fil
Le mécano a juste débrancher ce câble. Il reste une broche sans fil
- PLUX
- Docteur deuchiste

- Messages : 2212
- Enregistré le : 01 sept. 2008, 16:20
- Ma deuche : 2cv 4 1974
- Date de naissance : 02 janv. 1959
- Localisation : luxembourg
- Âge : 67
Re: Clignotants 2 cv résolu
Le mieux est l'ennemi du bien.
si cela marche et de donne satisfaction, ne touche à rien.
par contre changer une centrale de clignotant pour en mettre une type d'origine, ce n'est pas difficile, je le sais, j'y suis arrivé.
Et tu as la satisfaction de remettre la voiture dans une état plus proche de l'origine.
Si celle-ci casse tu auras le temps d'y songer, d'ici là tu peux rouler tranquille avec l'été.
si cela marche et de donne satisfaction, ne touche à rien.
par contre changer une centrale de clignotant pour en mettre une type d'origine, ce n'est pas difficile, je le sais, j'y suis arrivé.
Et tu as la satisfaction de remettre la voiture dans une état plus proche de l'origine.
Si celle-ci casse tu auras le temps d'y songer, d'ici là tu peux rouler tranquille avec l'été.
2cv 4 de 1974
- bob41
- Docteur deuchiste

- Messages : 8690
- Enregistré le : 09 mai 2016, 16:00
- Ma deuche : 2CV A 50 ; 2CV AZ 59 ; 2CV azam 65 ; 2CV 6 79 ; Dyane 67 ; AMI6 62 ; AMI8 77 ; HY 72 67
- Date de naissance : 26 sept. 1966
- Localisation : Sologne viticole (Contres) et Corse (Loreto-di-Casinca)
- Âge : 59
Re: Clignotants 2 cv résolu
Puisqu'on parle de centrale clignotante, j'ai une question.
Sur ma 2 CV 6 de 1979, j'ai remplacé la centrale HS par une autre identique à bruiteur et trois broches. Elle fonctionne parfaitement et les clignos aussi.
J'ai voulu mettre un voyant parce que mes vieilles oreilles n'entendent pas toujours le bruiteur, eh oui ! :shock:
Je l'ai branché comme montré sur le schéma sur le fil de masse : ça ne marche pas. Et pourtant si je mets le voltmètre il y a bien un courant qui passe et avec une tension de 12 V, et l'ampoule du voyant n'est pas HS.
Alors ?
Mais on en reparlera plus tard, là je suis en Corse et je n'ai pas la 2 CV sous la main....
- renato13
- Docteur deuchiste

- Messages : 11518
- Enregistré le : 26 juil. 2011, 10:41
- Ma deuche : azlp grise 1960
- Date de naissance : 06 nov. 1955
- Localisation : istres
Re: Clignotants 2 cv résolu
Salut bob bonne vacances ,je suppose que tu est en vacance !! la corse , des que j'ai fini de payer les études d’infirmier à mon fils qui me coûte un bras .bob41 a écrit :![]()
Puisqu'on parle de centrale clignotante, j'ai une question.
Sur ma 2 CV 6 de 1979, j'ai remplacé la centrale HS par une autre identique à bruiteur et trois broches. Elle fonctionne parfaitement et les clignos aussi.
J'ai voulu mettre un voyant parce que mes vieilles oreilles n'entendent pas toujours le bruiteur, eh oui ! :shock:
Je l'ai branché comme montré sur le schéma sur le fil de masse : ça ne marche pas. Et pourtant si je mets le voltmètre il y a bien un courant qui passe et avec une tension de 12 V, et l'ampoule du voyant n'est pas HS.
Alors ?
Mais on en reparlera plus tard, là je suis en Corse et je n'ai pas la 2 CV sous la main....
je retourne ,y faire un tour,.
Bref ,pour ton voyant cligno.
Un truc tout simple tu ponte direct sur l'ampoule avant ,avec un fil volant direct a ton voyant ,quant ton ampoule du cligno ,va clignoter
ton voyant avec . tu fait pareil de l'autre coté ,deux voyant un droite un gauche , comme sur les Ferrari
on en reparle ,quant tu reviens .
- PLUX
- Docteur deuchiste

- Messages : 2212
- Enregistré le : 01 sept. 2008, 16:20
- Ma deuche : 2cv 4 1974
- Date de naissance : 02 janv. 1959
- Localisation : luxembourg
- Âge : 67
Re: Clignotants 2 cv résolu
Pas bête comme solution et simple et efficace.
Je retiens car mes oreilles........
Par contre la mémoire est bonne et mes séjours en Corse me reviennent vite. C'est si beau.
Bonnes vacances
Je retiens car mes oreilles........
Par contre la mémoire est bonne et mes séjours en Corse me reviennent vite. C'est si beau.
Bonnes vacances
2cv 4 de 1974