fuite d'essence sur ma 2cv - sous le carbu
Modérateurs : Deuchémoi, zamzam, Eric13190
- olive602
- Deuchiste intermédiaire

- Messages : 167
- Enregistré le : 12 sept. 2023, 14:49
- Ma deuche : 2CV6 AZKA 03/74
- Date de naissance : 26 déc. 1964
- Localisation : Haute-Saone 70
fuite d'essence sur ma 2cv - sous le carbu
Bonjour les amis !
Je sors l'auto ce matin pour la balade , elle tourne au ralenti dans la cour le temps de me preparer et fermer la maison....houla , je recule pour partir , grosse tache au sol.
Je coupe le moteur , ouvre le capot , me couche sous l'auto , il faut que je trouve d'où ca peut venir
J'ai mis un moment à trouver , ce n'est pas de l'huile , mais de l'essence souillée par l'huile
Moteur refroidi, j'ai trouvé l'endroit de la fuite
en actionnant 2 ou 3 fois l'accel au carbu, , ca provoque une belle fuite en dessous , l'essence coule sur l'araignée , jusqu'au pied de la pompe à essence et jusqu'au sol.
J' arrive pas à déterminer l'endroit exact.
Maintenant , je peu faire quoi dans un premier temps sans passer tout de suite par la case mécano pro
Merci pour vos retours
Dans l'attente........
PS : carbu simple corps
Je sors l'auto ce matin pour la balade , elle tourne au ralenti dans la cour le temps de me preparer et fermer la maison....houla , je recule pour partir , grosse tache au sol.
Je coupe le moteur , ouvre le capot , me couche sous l'auto , il faut que je trouve d'où ca peut venir
J'ai mis un moment à trouver , ce n'est pas de l'huile , mais de l'essence souillée par l'huile
Moteur refroidi, j'ai trouvé l'endroit de la fuite
en actionnant 2 ou 3 fois l'accel au carbu, , ca provoque une belle fuite en dessous , l'essence coule sur l'araignée , jusqu'au pied de la pompe à essence et jusqu'au sol.
J' arrive pas à déterminer l'endroit exact.
Maintenant , je peu faire quoi dans un premier temps sans passer tout de suite par la case mécano pro
Merci pour vos retours
Dans l'attente........
PS : carbu simple corps
- Alex 46
- Docteur deuchiste

- Messages : 1528
- Enregistré le : 28 juin 2024, 10:42
- Ma deuche : 2cv6
- Date de naissance : 24 juin 1972
- Localisation : Nouvelle Aquitaine
Re: fuite essence sur ma 2cv
Bonjour,
Non je ne pense pas que la fuite parte du carbu, car si tu appuis sur l'accélérateur moteur à l'arrêt le trop plein coule sur l'araignée. Ça c'est normal.
Il faut vérifier les durites au niveau de la pompe à essence, filtre à essence et entre la pompe et le carbu; suivre toutes l'alimentation d'essence et aussi voir si la fuite n'est pas au niveau du joint carbu.
Tiens nous au courant.
Non je ne pense pas que la fuite parte du carbu, car si tu appuis sur l'accélérateur moteur à l'arrêt le trop plein coule sur l'araignée. Ça c'est normal.
Il faut vérifier les durites au niveau de la pompe à essence, filtre à essence et entre la pompe et le carbu; suivre toutes l'alimentation d'essence et aussi voir si la fuite n'est pas au niveau du joint carbu.
Tiens nous au courant.
- olive602
- Deuchiste intermédiaire

- Messages : 167
- Enregistré le : 12 sept. 2023, 14:49
- Ma deuche : 2CV6 AZKA 03/74
- Date de naissance : 26 déc. 1964
- Localisation : Haute-Saone 70
Re: fuite essence sur ma 2cv
RE , carbu démonté , apparemment fuite à l'embase en bakélite......
par contre , je vois 2 montages , embase seule , ou avec un joint intermédiaire entre carbu et embase et pas de joint embase araignée......
par contre , je vois 2 montages , embase seule , ou avec un joint intermédiaire entre carbu et embase et pas de joint embase araignée......
- celeste
- Docteur deuchiste

- Messages : 941
- Enregistré le : 22 nov. 2013, 14:06
- Ma deuche : AZ56,AZAM 63, AZA 68, Acadiane travaux, Acadiane camping car,
- Date de naissance : 28 janv. 1960
- Localisation : 18600 Givardon
Re: fuite essence sur ma 2cv
D origine je pense qu' il n y en a pas du tout, mais après avoir vérifie la planéité j en mets un de chaque cote quand même
@lain
@lain
- Eric13190
- Docteur deuchiste

- Messages : 9480
- Enregistré le : 01 janv. 2020, 15:10
- Ma deuche : 2 cv6 club 1976
- Date de naissance : 04 sept. 1973
- Localisation : Allauch
- Âge : 52
Re: fuite essence sur ma 2cv
Salut.
Perso, je mets 2 joints, un de chaque côté de la cale thermique.

Perso, je mets 2 joints, un de chaque côté de la cale thermique.
"La 2cv est une des rares voiture où l'important reste la personne". Quino

- olive602
- Deuchiste intermédiaire

- Messages : 167
- Enregistré le : 12 sept. 2023, 14:49
- Ma deuche : 2CV6 AZKA 03/74
- Date de naissance : 26 déc. 1964
- Localisation : Haute-Saone 70
Re: fuite essence sur ma 2cv
Merci les gars ! effectivement , au démontage il n'y avait pas de joint. Je vais commander l 'embase et 2 joints pour assurer la planeité.....
J'espere juste que ca coulera plus aprés , suis assez septique sur cette affaire....trop simple pour être vraie
Mais bon croisons les doigts , je vous tiens au "jus" si on peut dire
Merci
J'espere juste que ca coulera plus aprés , suis assez septique sur cette affaire....trop simple pour être vraie
Mais bon croisons les doigts , je vous tiens au "jus" si on peut dire
Merci
- Alex 46
- Docteur deuchiste

- Messages : 1528
- Enregistré le : 28 juin 2024, 10:42
- Ma deuche : 2cv6
- Date de naissance : 24 juin 1972
- Localisation : Nouvelle Aquitaine
Re: fuite essence sur ma 2cv
Bonjour,
Avez-vous vérifier le pointeau et le flotteur ?
Avez-vous vérifier le pointeau et le flotteur ?
- JPA_47
- Docteur deuchiste

- Messages : 1692
- Enregistré le : 01 juil. 2023, 13:41
- Ma deuche : 2CV AZAM 1966
- Date de naissance : 05 févr. 1958
- Localisation : 47 MARMANDE
Re: fuite essence sur ma 2cv
Bonjour @olive602 , bonjour à tous,
Je pense plutôt à un débordement d'essence venant de la cuve du carburateur, donc, il faut commencer par vérifier le niveau du flotteur dans la cuve.
Tu peux essayer de rajouter un joint supplémentaire sous le pointeau. Je n'ai pas trouvé la côte exacte, sauf pour les double-corps.
Je suppose que tu as ce type de montage : Tiens-nous au courant, bonne journée à tous !
Jean-Pierre
Je pense plutôt à un débordement d'essence venant de la cuve du carburateur, donc, il faut commencer par vérifier le niveau du flotteur dans la cuve.
Tu peux essayer de rajouter un joint supplémentaire sous le pointeau. Je n'ai pas trouvé la côte exacte, sauf pour les double-corps.
Je suppose que tu as ce type de montage : Tiens-nous au courant, bonne journée à tous !
Jean-Pierre
- olive602
- Deuchiste intermédiaire

- Messages : 167
- Enregistré le : 12 sept. 2023, 14:49
- Ma deuche : 2CV6 AZKA 03/74
- Date de naissance : 26 déc. 1964
- Localisation : Haute-Saone 70
Re: fuite essence sur ma 2cv
bonsoir , un technicien citroen est quasiment sur que le probleme vient du trop plein de la cuve dû au pointeau défectueux.....(car fuite soudaine)
Donc d'après lui , changer l'embase et le joint ne changera rien. il faut ouvrir le carbu et le nettoyer(saleté) , actionner le pointeau à plusieurs reprises pour voir comme il se comporte.(usure , joint défectueux)
Trouver petite rondelle en cuivre pour le calage du pointeau.....
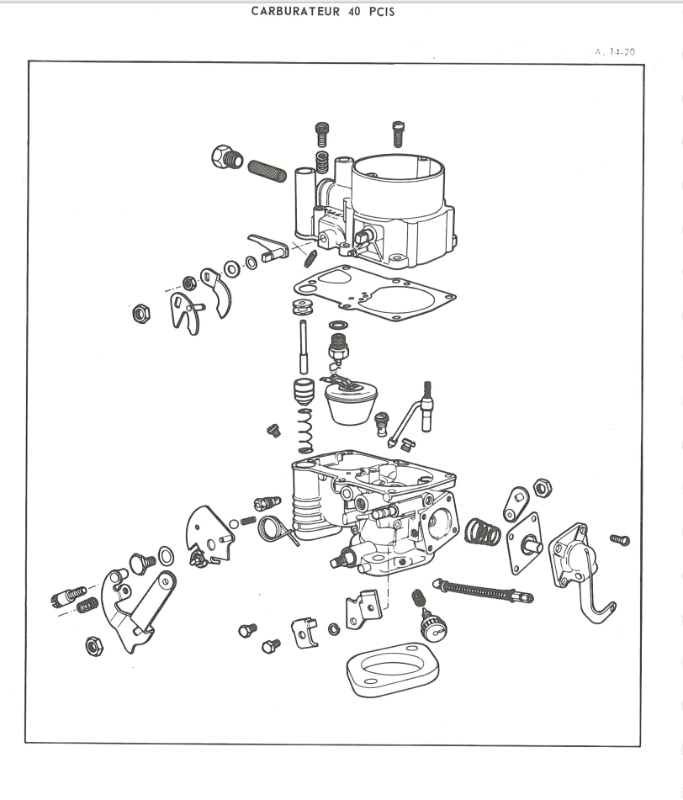
Bref je vais voir , par contre je vous donne la rèf du carbu : solex 34 pics 6 1B4 5410 700730 03 0 14 . comment connaitre son age
Si il date de l'année de l'auto 1974 , 50 ans donc , je me demande si il vaut pas mieux d'abreger le truc et de monter un carbu neuf.....
Dans l'attente de vous lire
Merci
Donc d'après lui , changer l'embase et le joint ne changera rien. il faut ouvrir le carbu et le nettoyer(saleté) , actionner le pointeau à plusieurs reprises pour voir comme il se comporte.(usure , joint défectueux)
Trouver petite rondelle en cuivre pour le calage du pointeau.....
Bref je vais voir , par contre je vous donne la rèf du carbu : solex 34 pics 6 1B4 5410 700730 03 0 14 . comment connaitre son age
Si il date de l'année de l'auto 1974 , 50 ans donc , je me demande si il vaut pas mieux d'abreger le truc et de monter un carbu neuf.....
Dans l'attente de vous lire
Merci
- Alex 46
- Docteur deuchiste

- Messages : 1528
- Enregistré le : 28 juin 2024, 10:42
- Ma deuche : 2cv6
- Date de naissance : 24 juin 1972
- Localisation : Nouvelle Aquitaine
Re: fuite essence sur ma 2cv
@olive602
Oui c'est ce que j'avais dit plus haut.
Non, c'est pas obligé de changer le carbu simple corps 34 pics, tu peux juste changer le pointeau ou démonter pour le nettoyage ou ( kit renov carbu car après démontage il faudra un nouveau joint)
Faire un nettoyage ultra-son serait un +
Cdt
Oui c'est ce que j'avais dit plus haut.
Non, c'est pas obligé de changer le carbu simple corps 34 pics, tu peux juste changer le pointeau ou démonter pour le nettoyage ou ( kit renov carbu car après démontage il faudra un nouveau joint)
Faire un nettoyage ultra-son serait un +
Cdt
- Lolodubalaou
- Docteur deuchiste

- Messages : 1946
- Enregistré le : 17 nov. 2022, 22:04
- Ma deuche : 2cv Sausss Ente
- Date de naissance : 10 nov. 1956
- Localisation : Golfe du Morbihan
Re: fuite essence sur ma 2cv
Hi, olive602,
1 - effectivement, ton carburateur a été fabriqué le vendredi 1 février 1974, de repère Citroën 123, est monté sur 2cv6, de septembre 1972 à mars 1975.
Il a donc effectivement 50 ans !
2 - ton débordement fait effectivement penser à un pointeau défectueux. Donc, en premier lieu, change ton pointeau.
Pour ouvrir ton carbu, tu vas acheter le dernier numéro de 2cv Xpert (le numéro 69) et tu sauras tout sur le démontage de ton 34 PICS ...
Pour le remontage, ce sera dans le numéro 70 (et je suis en train d'écrire l'article ...)(les photos du post, ici, vont servir !!!)
3 - effectivement, changer l'embase et le joint ne résoudra pas ta fuite. Néanmoins, vérifier que ta semelle de carbu ne fasse pas la banane, que ta cale thermique soit plane et sans fissures et mets deux joints (pipe <> cale thermique et cale thermique <> carbu) : ce sera garant d'une bonne étanchéité à ce niveau !
Pour rectifier ton embase et cale thermique, une feuille de papier 400, scotchée sur une vitre et en avant les biceps, pour frotter ton carbu et ta cale thermique, sur ta feuille de papier de verre ... C'est parfois long mais c'est toujours gratifiant !
4 - inutile de changer ton carbu, les carbus neufs vendus actuellement sont de la refabrication : préfère un original restauré.
5 - il n'existe pas de rondelle de calage pour ton pointeau.
Pour Jean-Pierre,
sur ce carbu, tu ne peux pas régler la hauteur de cuve. Cette hauteur est conditionnée par la position du pointeau et par le flotteur.
>> pour le pointeau, le joint fait 1 mm d'épaisseur :
>> le pointeau fait lui même 19 mm de longueur :
>> une fois en place,
serrage à la clé de 12
le débord par rapport au plan de joint, est de 4 mm (joint inclus, bien sûr)
1 - effectivement, ton carburateur a été fabriqué le vendredi 1 février 1974, de repère Citroën 123, est monté sur 2cv6, de septembre 1972 à mars 1975.
Il a donc effectivement 50 ans !
2 - ton débordement fait effectivement penser à un pointeau défectueux. Donc, en premier lieu, change ton pointeau.
Pour ouvrir ton carbu, tu vas acheter le dernier numéro de 2cv Xpert (le numéro 69) et tu sauras tout sur le démontage de ton 34 PICS ...
Pour le remontage, ce sera dans le numéro 70 (et je suis en train d'écrire l'article ...)(les photos du post, ici, vont servir !!!)
3 - effectivement, changer l'embase et le joint ne résoudra pas ta fuite. Néanmoins, vérifier que ta semelle de carbu ne fasse pas la banane, que ta cale thermique soit plane et sans fissures et mets deux joints (pipe <> cale thermique et cale thermique <> carbu) : ce sera garant d'une bonne étanchéité à ce niveau !
Pour rectifier ton embase et cale thermique, une feuille de papier 400, scotchée sur une vitre et en avant les biceps, pour frotter ton carbu et ta cale thermique, sur ta feuille de papier de verre ... C'est parfois long mais c'est toujours gratifiant !
4 - inutile de changer ton carbu, les carbus neufs vendus actuellement sont de la refabrication : préfère un original restauré.
5 - il n'existe pas de rondelle de calage pour ton pointeau.
Pour Jean-Pierre,
sur ce carbu, tu ne peux pas régler la hauteur de cuve. Cette hauteur est conditionnée par la position du pointeau et par le flotteur.
>> pour le pointeau, le joint fait 1 mm d'épaisseur :
>> le pointeau fait lui même 19 mm de longueur :
>> une fois en place,
serrage à la clé de 12
le débord par rapport au plan de joint, est de 4 mm (joint inclus, bien sûr)
- Lolodubalaou
- Docteur deuchiste

- Messages : 1946
- Enregistré le : 17 nov. 2022, 22:04
- Ma deuche : 2cv Sausss Ente
- Date de naissance : 10 nov. 1956
- Localisation : Golfe du Morbihan
Re: fuite essence sur ma 2cv
Il faut se méfier des pointeaux de refabrication car ils peuvent être plus "longs" ...
Aussi, une cale imprimé 3D
va te permettre :
1 - de vérifier avant démontage, ton pointeau (qui à priori est origine)
2 - de vérifier que le nouveau pointeau est ad hoc !
La cale se pose contre les pions de l'axe de flotteur.
Cette cale sera disponible, en fichier STL, dans le prochain 2cvXpert (le 70).
Donc, pas de réglage possible au niveau du pointeau.
Et puis mettre une rondelle en plus du joint cuivre origine, va faire baisser le niveau de cuve ...
Aussi, une cale imprimé 3D
va te permettre :
1 - de vérifier avant démontage, ton pointeau (qui à priori est origine)
2 - de vérifier que le nouveau pointeau est ad hoc !
La cale se pose contre les pions de l'axe de flotteur.
Cette cale sera disponible, en fichier STL, dans le prochain 2cvXpert (le 70).
Donc, pas de réglage possible au niveau du pointeau.
Et puis mettre une rondelle en plus du joint cuivre origine, va faire baisser le niveau de cuve ...
- Lolodubalaou
- Docteur deuchiste

- Messages : 1946
- Enregistré le : 17 nov. 2022, 22:04
- Ma deuche : 2cv Sausss Ente
- Date de naissance : 10 nov. 1956
- Localisation : Golfe du Morbihan
Re: fuite essence sur ma 2cv
Pour le flotteur, pareil : pas de réglage possible !
Tu valides
1 - l'intégrité physique de ton flotteur
2 - son étanchéité (en le trempant dans l'eau : pas de bulles !
3 - son poids (normal 5,7 grammes)
Ou au moins inférieur à 6 grammes !
4 - la qualité du rivetage plastique (parfois le flotteur est branlant ...
5 - et surtout sa forme, en le comparant au calibre Solex
Refait en impression 3D
Le flotteur doit reposer sur son rebord et la patte est parallèle au calibre
Donc, là, ton flotteur est oki !!!
Laurent
PS : le fichier STL du calibre du flotteur est disponible sur simple demande par mail, à marie@2cvmedias.fr.
Tu valides
1 - l'intégrité physique de ton flotteur
2 - son étanchéité (en le trempant dans l'eau : pas de bulles !
3 - son poids (normal 5,7 grammes)
Ou au moins inférieur à 6 grammes !
4 - la qualité du rivetage plastique (parfois le flotteur est branlant ...
5 - et surtout sa forme, en le comparant au calibre Solex
Refait en impression 3D
Le flotteur doit reposer sur son rebord et la patte est parallèle au calibre
Donc, là, ton flotteur est oki !!!
Laurent
PS : le fichier STL du calibre du flotteur est disponible sur simple demande par mail, à marie@2cvmedias.fr.
- olive602
- Deuchiste intermédiaire

- Messages : 167
- Enregistré le : 12 sept. 2023, 14:49
- Ma deuche : 2CV6 AZKA 03/74
- Date de naissance : 26 déc. 1964
- Localisation : Haute-Saone 70
Re: fuite essence sur ma 2cv
Bonjour Lolodubalaou , bonjour à tous ,
Wouahh!!! Quel post ! tellement bien expliqué , rien ne manque , impressionnant !
Un GRAND MERCI , le carbu est démonté , j'attends de réceptionner les pièces.......
Je m'occupe de ça et vous tiens informé.
Bonne journée
Wouahh!!! Quel post ! tellement bien expliqué , rien ne manque , impressionnant !
Un GRAND MERCI , le carbu est démonté , j'attends de réceptionner les pièces.......
Je m'occupe de ça et vous tiens informé.
Bonne journée
- olive602
- Deuchiste intermédiaire

- Messages : 167
- Enregistré le : 12 sept. 2023, 14:49
- Ma deuche : 2CV6 AZKA 03/74
- Date de naissance : 26 déc. 1964
- Localisation : Haute-Saone 70
Re: fuite essence sur ma 2cv
Bonsoir à tous !!!
Des nouvelles de mon carbu....
Finalement , le changement de l'embase et le remontage avec 2 joints , 1 au collecteur et 1 au carbu ont eu raison de ma fuite.
En fait après vérification de la planéité de l'ancienne embase qui était montée sans joints...Le constat est sans appel : embase très loin d'être plane , elle est bancale d'un bon millimètre aux 2 extremitées , au niveau des 2 boulons de 12.
Je rentre d'un essai routier de 35 bornes ...RAS.... . pas de fuite moteur à l'arrêt également.
Donc , bien fait de commencer par ça avant d'ouvrir le carbu.....
Par contre , je me demande pour quelle raison , elle c'est déformée autant ??
Bonne soirée à tous et merci de vos retours
Olive 602
Des nouvelles de mon carbu....
Finalement , le changement de l'embase et le remontage avec 2 joints , 1 au collecteur et 1 au carbu ont eu raison de ma fuite.
En fait après vérification de la planéité de l'ancienne embase qui était montée sans joints...Le constat est sans appel : embase très loin d'être plane , elle est bancale d'un bon millimètre aux 2 extremitées , au niveau des 2 boulons de 12.
Je rentre d'un essai routier de 35 bornes ...RAS.... . pas de fuite moteur à l'arrêt également.
Donc , bien fait de commencer par ça avant d'ouvrir le carbu.....
Par contre , je me demande pour quelle raison , elle c'est déformée autant ??
Bonne soirée à tous et merci de vos retours
Olive 602
- Lolodubalaou
- Docteur deuchiste

- Messages : 1946
- Enregistré le : 17 nov. 2022, 22:04
- Ma deuche : 2cv Sausss Ente
- Date de naissance : 10 nov. 1956
- Localisation : Golfe du Morbihan
Re: fuite essence sur ma 2cv
Parfait que tu aies réparé ta deuche ....
Il est vrai qu'une fuite d'essence ne me fait pas penser en premier lieu à une embase déformée ...
Ce serait plutôt un ralenti irrégulier.
Pour ta déformation, ton carbu est bridée à ses deux extrémités par boulonnage.
Le coef de dilatation du zamac du carburateur est bien supérieur à celui de la fonte de la pipe d'admission : de ce fait, à la chauffe, la semelle du carbu n'a qu'une seule solution : se déformer ...
Laurent
Il est vrai qu'une fuite d'essence ne me fait pas penser en premier lieu à une embase déformée ...
Ce serait plutôt un ralenti irrégulier.
Pour ta déformation, ton carbu est bridée à ses deux extrémités par boulonnage.
Le coef de dilatation du zamac du carburateur est bien supérieur à celui de la fonte de la pipe d'admission : de ce fait, à la chauffe, la semelle du carbu n'a qu'une seule solution : se déformer ...
Laurent
- olive602
- Deuchiste intermédiaire

- Messages : 167
- Enregistré le : 12 sept. 2023, 14:49
- Ma deuche : 2CV6 AZKA 03/74
- Date de naissance : 26 déc. 1964
- Localisation : Haute-Saone 70
Re: fuite essence sur ma 2cv
Okay Laurent ,
Résolu donc , si ça peut aider un autre membre , nos expériences diverses servent à entretenir le scmimblick et le forum
Merci encore et bonne route à tous
Bonne soirée
Résolu donc , si ça peut aider un autre membre , nos expériences diverses servent à entretenir le scmimblick et le forum
Merci encore et bonne route à tous
Bonne soirée
- Eric13190
- Docteur deuchiste

- Messages : 9480
- Enregistré le : 01 janv. 2020, 15:10
- Ma deuche : 2 cv6 club 1976
- Date de naissance : 04 sept. 1973
- Localisation : Allauch
- Âge : 52
Re: fuite essence sur ma 2cv
Un serrage trop important, le phénomène de dilatation et le temps...
"La 2cv est une des rares voiture où l'important reste la personne". Quino

- olive602
- Deuchiste intermédiaire

- Messages : 167
- Enregistré le : 12 sept. 2023, 14:49
- Ma deuche : 2CV6 AZKA 03/74
- Date de naissance : 26 déc. 1964
- Localisation : Haute-Saone 70
Re: fuite essence sur ma 2cv
Bonjour les amis !
Découverte du jour , fuite pied de pompe à essence au boulon de 11 interieur moteur , rien ne se passe au ralenti , mais j'ai découvert un bon suintement sur ce boulon en accelerant franco.....
il manquai un chouilla de serrage , donc j'ai mis un coup de clé identique sur les 2 boulons ( cliquet et grande ralonge)......
pas résolu , sa suinte encore
Embase à remplacer avec pâte à joint?????
Merci de vos retours
Découverte du jour , fuite pied de pompe à essence au boulon de 11 interieur moteur , rien ne se passe au ralenti , mais j'ai découvert un bon suintement sur ce boulon en accelerant franco.....
il manquai un chouilla de serrage , donc j'ai mis un coup de clé identique sur les 2 boulons ( cliquet et grande ralonge)......
pas résolu , sa suinte encore
Embase à remplacer avec pâte à joint?????
Merci de vos retours
- CHARLYSTONE
- Docteur deuchiste

- Messages : 7144
- Enregistré le : 27 févr. 2018, 14:52
- Ma deuche : 2cv charleston de 06. 1990 2cv6 04.1983
- Date de naissance : 30 avr. 1958
- Localisation : 38 pres de bourgoin jallieu
Re: fuite essence sur ma 2cv
Bonjour, la fuite ne peux pas venir de la base de la pompe, soit du couvercle de la pompe, voir les 6 vis, ou du tuyau d'essence sortie de la pompe 
- olive602
- Deuchiste intermédiaire

- Messages : 167
- Enregistré le : 12 sept. 2023, 14:49
- Ma deuche : 2CV6 AZKA 03/74
- Date de naissance : 26 déc. 1964
- Localisation : Haute-Saone 70
Re: fuite essence sur ma 2cv
Merci , je vais regarder ça de plus près , c'est étrange quand même , je l'ai remis en route tout à l'heure et plus de fuite .... une merde dans l'essence (membrane????) et retour à la normale
Faut que je surveille ça , c'est pas clair
Faut que je surveille ça , c'est pas clair
- François44
- Docteur deuchiste

- Messages : 1146
- Enregistré le : 29 août 2015, 17:47
- Ma deuche : 2cv6 special 1981
- Date de naissance : 15 juil. 1964
- Localisation : Rezé,tout près de Nantes...
Re: fuite essence sur ma 2cv
En temps normal, l'essence ne peut pas se retrouver du côté "commande" de la pompe à essence. Si vraiment il y a une fuite par le pied de la pompe (et pas par le raccord de sortie ou le couvercle de pompe) il faut absolument changer la pompe (ou la membrane si la pompe se démonte) car l'essence passant par là va tomber dans le carter et diluer l'huile moteur...
- Eric13190
- Docteur deuchiste

- Messages : 9480
- Enregistré le : 01 janv. 2020, 15:10
- Ma deuche : 2 cv6 club 1976
- Date de naissance : 04 sept. 1973
- Localisation : Allauch
- Âge : 52
Re: fuite essence sur ma 2cv
Salut.
Et oui, @François44 a raison, l'essence passe par la tringle, directement dans le bas moteur.
C'est le syndrôme du 1,2 puretech avant l'heure
"La 2cv est une des rares voiture où l'important reste la personne". Quino

- IronCore
- Nouveau deuchiste

- Messages : 23
- Enregistré le : 02 mai 2025, 10:53
- Ma deuche : 2CV Dolly 1986
- Date de naissance : 15 nov. 1993
- Localisation : Valais - Suisse
Re: fuite d'essence sur ma 2cv - sous le carbu
Bonjour à tous,
vu qu'on parlait de pointeau tout à l'heure. J'ai acheté un pack de réfection de carbu récemment (j'ai un 26/35 s SIC en 26/18). la bille de mon pointeau n'était plus tenue par le "bec" et le ressort sortait. Cela mettait un cheni monstre.
J'ai monté le nouveau pointeau en conservant précieusement l'ancien, toujours des problèmes de câlage après démarrage... Je me suis dit que l'arrivée d'essence devait être mauvaise et effectivement, le nouveau pointeau restait parfois croché et obstruait le trou quand je l'actionnais avec mon doigt en position verticale, mais pas à chaque fois. En tournant le petit giglet du pointeau (oui, j'ai pas tous les termes), je ressentais des points durs. j'ai essayé d'insister, de tourner faire comme une sorte de "rôdage des soupapes" mais rien à faire, il restait toujours coincé parfois et empêchait l'arrivée. Finalement j'ai remis en service l'ancien pointeau en remettant le petite ressort, la bille et j'ai "re-serti" une chouille en aplatissant la lèvre avec un objet plat pour que la bille reste en place. Celui-ci au moins redescend toujours.
J'ai pas encore re-testé le tout (je dois d'abord refaire mes soupapes... ce qui augure de longues heures de recherches sur le forum mais à terme on est tous habitués je crois...). Mais oui, bien tester le pointeau avant de remonter et au moindre point dur, même minime, j'ai l'impression que c'est pas bon. Et effectivement les pointeaux de refabrication sont une chouille plus grands.
Si ça peut aider un novice comme moi
vu qu'on parlait de pointeau tout à l'heure. J'ai acheté un pack de réfection de carbu récemment (j'ai un 26/35 s SIC en 26/18). la bille de mon pointeau n'était plus tenue par le "bec" et le ressort sortait. Cela mettait un cheni monstre.
J'ai monté le nouveau pointeau en conservant précieusement l'ancien, toujours des problèmes de câlage après démarrage... Je me suis dit que l'arrivée d'essence devait être mauvaise et effectivement, le nouveau pointeau restait parfois croché et obstruait le trou quand je l'actionnais avec mon doigt en position verticale, mais pas à chaque fois. En tournant le petit giglet du pointeau (oui, j'ai pas tous les termes), je ressentais des points durs. j'ai essayé d'insister, de tourner faire comme une sorte de "rôdage des soupapes" mais rien à faire, il restait toujours coincé parfois et empêchait l'arrivée. Finalement j'ai remis en service l'ancien pointeau en remettant le petite ressort, la bille et j'ai "re-serti" une chouille en aplatissant la lèvre avec un objet plat pour que la bille reste en place. Celui-ci au moins redescend toujours.
J'ai pas encore re-testé le tout (je dois d'abord refaire mes soupapes... ce qui augure de longues heures de recherches sur le forum mais à terme on est tous habitués je crois...). Mais oui, bien tester le pointeau avant de remonter et au moindre point dur, même minime, j'ai l'impression que c'est pas bon. Et effectivement les pointeaux de refabrication sont une chouille plus grands.
Si ça peut aider un novice comme moi
En 2cv on ne dit pas "panne"... on dit "arrêt pédagogique". 
- François44
- Docteur deuchiste

- Messages : 1146
- Enregistré le : 29 août 2015, 17:47
- Ma deuche : 2cv6 special 1981
- Date de naissance : 15 juil. 1964
- Localisation : Rezé,tout près de Nantes...
Re: fuite d'essence sur ma 2cv - sous le carbu
Surveille bien le bon fonctionnement du pointeau, quand même!
Refaire les soupapes??
Tu les nettoies, tu les change avec les sièges ou tu les fais rectifier, avec les sièges? (Pas d'autre option possible, le sacro-saint rodage ne servant strictement à rien voire à aggraver encore plus un défaut d'étanchéité!)
- IronCore
- Nouveau deuchiste

- Messages : 23
- Enregistré le : 02 mai 2025, 10:53
- Ma deuche : 2CV Dolly 1986
- Date de naissance : 15 nov. 1993
- Localisation : Valais - Suisse
Re: fuite d'essence sur ma 2cv - sous le carbu
Oui je vais bien garder à l’œil ce pointeau.
Pour les soupapes je vais démonter et regarder.
J’avais fait la compression (4 bars). Après avoir mis 1 cas d’huile de l’huile, remonté à 6 bars. On est loin du 9-10. J’ai donc changé piston (dont segmentation) et chemise mais je me dis qu’une si faible remontée doit aussi être un soucis de soupape. En démontant, la culasse est vachement « charbonneuse ». Je les ai confiées à un garage car, en démontant j’ai pété un goujon et je voulais le faire changer. (Bon au final vu que ça fait 2 semaines et pas de nouvelles, je vais les récupérer et mettre un helicoil) et la, je démonterai les soupapes et je regarderai si un nettoyage suffit. Sinon rectification des sièges (un ami mécano fait ca) et éventuel changer les soupapes. Mais je vais les roder. Je sais que certaines personnes déconseillent mais, d’après mes recherches, la grande majorité le recommande. On verra. (Il me semble, je suis vraiment plus sur mais que la RTA le recommande également.)
J’espère juste que les guides sont pas morts, sinon là je sais pas comment faire… ( en tout cas suffisamment rapidement pour qu’elle soit opérationnelle pour la Slovénie) et si c’est le cas, ça sera échange standard des culasses…
Enfin voilà désolé d’avoir pollué ce poste. Mais ma réflexion (réfection) en est là.
Pour les soupapes je vais démonter et regarder.
J’avais fait la compression (4 bars). Après avoir mis 1 cas d’huile de l’huile, remonté à 6 bars. On est loin du 9-10. J’ai donc changé piston (dont segmentation) et chemise mais je me dis qu’une si faible remontée doit aussi être un soucis de soupape. En démontant, la culasse est vachement « charbonneuse ». Je les ai confiées à un garage car, en démontant j’ai pété un goujon et je voulais le faire changer. (Bon au final vu que ça fait 2 semaines et pas de nouvelles, je vais les récupérer et mettre un helicoil) et la, je démonterai les soupapes et je regarderai si un nettoyage suffit. Sinon rectification des sièges (un ami mécano fait ca) et éventuel changer les soupapes. Mais je vais les roder. Je sais que certaines personnes déconseillent mais, d’après mes recherches, la grande majorité le recommande. On verra. (Il me semble, je suis vraiment plus sur mais que la RTA le recommande également.)
J’espère juste que les guides sont pas morts, sinon là je sais pas comment faire… ( en tout cas suffisamment rapidement pour qu’elle soit opérationnelle pour la Slovénie) et si c’est le cas, ça sera échange standard des culasses…
Enfin voilà désolé d’avoir pollué ce poste. Mais ma réflexion (réfection) en est là.
En 2cv on ne dit pas "panne"... on dit "arrêt pédagogique". 
- François44
- Docteur deuchiste

- Messages : 1146
- Enregistré le : 29 août 2015, 17:47
- Ma deuche : 2cv6 special 1981
- Date de naissance : 15 juil. 1964
- Localisation : Rezé,tout près de Nantes...
Re: fuite d'essence sur ma 2cv - sous le carbu
Oui, le rodage est bien ancré dans les pratiques et conseillé dans de nombreuses revues techniques ou manuels d'atelier, mais ça fait beaucoup plus de mal que de bien!
La largeur de la portée (la surface de la soupape en contact avec le siège) est un compromis entre :
La portée la plus fine possible pour garantir une bonne étanchéité
La portée la plus large possible pour obtenir un bon transfert de t°entre la soupape et son siège et assurer un bon refroidissement de la soupape.
La portée, généralement a une largeur autour d'1mm.
Lorsque le moteur fonctionne à 3500 tr/mn, chaque soupape se lève et retombe sur son siège 1750 fois par minute soit, environ 30 fois/seconde. A force, et avec les contraintes, la portée s'élargit (ce qui rend l'étanchéité plus compliquée à obtenir).
Lorsqu'on fait un rodage, on le fait, bien sur, moteur froid donc à un moment où la zone de contact de la portée de soupape n'est pas "à sa place" par rapport au siège.
Voici un article très explicite : http://www.nobug.be/2CV/Soupapes.html
La largeur de la portée (la surface de la soupape en contact avec le siège) est un compromis entre :
La portée la plus fine possible pour garantir une bonne étanchéité
La portée la plus large possible pour obtenir un bon transfert de t°entre la soupape et son siège et assurer un bon refroidissement de la soupape.
La portée, généralement a une largeur autour d'1mm.
Lorsque le moteur fonctionne à 3500 tr/mn, chaque soupape se lève et retombe sur son siège 1750 fois par minute soit, environ 30 fois/seconde. A force, et avec les contraintes, la portée s'élargit (ce qui rend l'étanchéité plus compliquée à obtenir).
Lorsqu'on fait un rodage, on le fait, bien sur, moteur froid donc à un moment où la zone de contact de la portée de soupape n'est pas "à sa place" par rapport au siège.
Voici un article très explicite : http://www.nobug.be/2CV/Soupapes.html
- IronCore
- Nouveau deuchiste

- Messages : 23
- Enregistré le : 02 mai 2025, 10:53
- Ma deuche : 2CV Dolly 1986
- Date de naissance : 15 nov. 1993
- Localisation : Valais - Suisse
Re: fuite d'essence sur ma 2cv - sous le carbu
Merci beaucoup pour ta réponse françois. l'article est très intéressant! (imprimé et ajouté à mon classeur... oui je suis un gars un peu old school).
C'est peut-être déjà pour cela que l'étanchéité est mauvaise sur mes soupapes. C'est le problème quand on maîtrise pas l'historique de sa voiture et tous les travaux qui ont été faits dessus. Je sais que le moteur est passé par pas mal de personnes avant.
Je suis impatient de récupérer mes culasses et de voir l'état des sièges de soupape et les soupapes. En cas de questions et si les problèmes perdurent, je ferai des photos et un poste dédié.
Merci pour votre aide
C'est peut-être déjà pour cela que l'étanchéité est mauvaise sur mes soupapes. C'est le problème quand on maîtrise pas l'historique de sa voiture et tous les travaux qui ont été faits dessus. Je sais que le moteur est passé par pas mal de personnes avant.
Je suis impatient de récupérer mes culasses et de voir l'état des sièges de soupape et les soupapes. En cas de questions et si les problèmes perdurent, je ferai des photos et un poste dédié.
Merci pour votre aide
En 2cv on ne dit pas "panne"... on dit "arrêt pédagogique". 